电脑桌面
添加小米粒文库到电脑桌面
安装后可以在桌面快捷访问

8型铸件技术要求

8型铸件技术要求_第1页
1/8
8型铸件技术要求_第2页
2/8
8型铸件技术要求_第3页
3/8
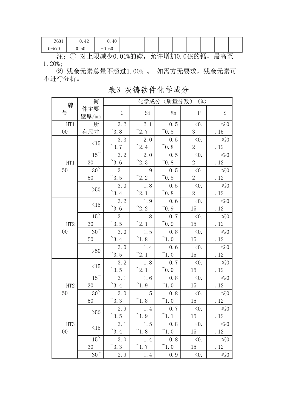
第二部分 铸钢铸铁件一、供货范围1.1产品名称乙方按表1中机型所需提供铸钢件。表1 抽油机机型名 称规 格下偏复合平衡抽油机8#CYJB8-4.2-37HPF1.2配套附件每批次提供试件或附铸试棒。二、执行标准铸钢件的制作、检验及包装等应符合以下标准的要求。若下列标准有最新版本,根据最新版本要求执行。其它未列出的与产品有关的法律规范和标准,供货有义务主动向甲方提供。所有法律规范和标准均应为项目采购期时的有效版本。GB/T29021-2025 《石油天然气工业游梁式抽油机》GB/T9439-2025《灰铸铁件》GB/T11352-2025 《一般工程用铸造碳钢件》JB/T5939-1991 《工程机械铸钢件通用技术条件》GB/T 6414-1999 《铸件 尺寸公差与机械加工余量》GB/T 7233.1-2025 《铸钢件 超声检测 第1部分:一般用途铸钢件》三、技术法律规范及要求3.1 抽油机配件的加工必须根据甲方提供的图纸要求进行加工制造,其中包括:设计尺寸及公差、材料规格及成份、加工的技术条件要求等。所有组合件的焊接方式必须是手工焊接,焊缝高度执行图纸要求。3.2材料 配件材料根据图纸上标注的材质采购。各项指标必须达到国家标准。3.2.1牌号和化学成分铸钢件牌号和化学成分应符合表2规定。表2 铸钢件化学成分牌号元素最高含量 %CSiMnSP残余含量NiCrCuMoVZG270-5000.32-0.400.30-0.500.60-0.900.040.040.300.350.300.200.05ZG310-5700.42-0.500.40-0.60注:① 对上限减少0.01%的碳,允许增加0.04%的锰,最高至1.20%;② 残余元素总量不超过1.00% 。 如需方无要求,残余元素可不进行分析。表3 灰铸铁件化学成分牌号铸件主要壁厚/mm化学成分(质量分数)(%)CSiMnPSHT100所有尺寸3.2~3.82.1~2.70.5~0.8<0.3≤0.15HT150<153.3~3.72.0~2.40.5~0.8<0.2≤0.1215~303.2~3.62.0~2.30.5~0.8<0.2≤0.1230~503.1~3.51.9~2.20.5~0.8<0.2≤0.12>503.0~3.41.8~2.10.5~0.8<0.2≤0.12HT200<153.2~3.61.9~2.20.6~0.9<0.15≤0.1215~303.1~3.51.8~2.10.7~0.9<0.15≤0.1230~503.0~3.41.5~1.80.8~1.0<0.15≤0.12>503.0~3.51.4~2.10.6~1.0<0.15≤0.12HT250<153.2~3.51.8~2.10.7~0.9<0.15≤0.1215~303.1~3.41.6~1.90.8~1.0<0.15≤0.1230~503.0~3.31.5~1.80.8~1.0<0.15≤0.12>502.9~3.51.4~1.90.7~1.1<0.15≤0.12HT300<153.1~3.41.5~1.80.8~1.0<0.15≤0.1215~303.0~3.31.4~1.70.8~1.0<0.15≤0.1230~2.91.40.9<0.≤050~3.2~1.7~1.115.12>502.8~3.11.3~1.61.0~1.2<0.15≤0.12注:①试棒为单铸的...

1、当您付费下载文档后,您只拥有了使用权限,并不意味着购买了版权,文档只能用于自身使用,不得用于其他商业用途(如 [转卖]进行直接盈利或[编辑后售卖]进行间接盈利)。
2、本站所有内容均由合作方或网友上传,本站不对文档的完整性、权威性及其观点立场正确性做任何保证或承诺!文档内容仅供研究参考,付费前请自行鉴别。
3、如文档内容存在违规,或者侵犯商业秘密、侵犯著作权等,请点击“违规举报”。

碎片内容

8型铸件技术要求

您可能关注的文档

雏圣文化+ 关注
实名认证
内容提供者

欢迎光临,大量办公文档供您挑选。

确认删除?
VIP
微信客服
  • 扫码咨询
会员Q群
  • 会员专属群点击这里加入QQ群
客服邮箱
回到顶部