电脑桌面
添加小米粒文库到电脑桌面
安装后可以在桌面快捷访问

PLC中级证考试复习题目

PLC中级证考试复习题目_第1页
1/20
PLC中级证考试复习题目_第2页
2/20
PLC中级证考试复习题目_第3页
3/20
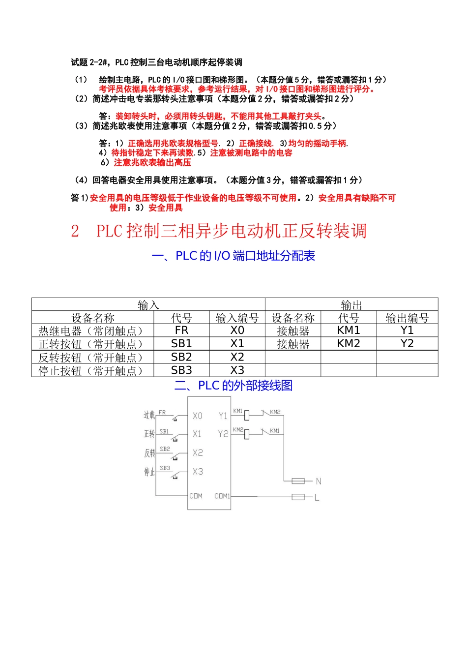
1 PLC 控制三台电动机顺序启停装调一、PLC 的 I/O 端口地址分配表 二、PLC 的外部接线图输入输出设备名称代号输入编号设备名称代号输出编号热继电器(常闭触点)FRX0接触器KM1Y1停止按钮(常开触点)SB1X1接触器KM2Y2起动按钮(常开触点)SB2X2接触器KM3Y3三、梯形图试题 2-2#,PLC 控制三台电动机顺序起停装调(1)绘制主电路,PLC 的 I/O 接口图和梯形图。(本题分值 5 分,错答或漏答扣 1 分)考评员依据具体考核要求,参考运行结果,对 I/O 接口图和梯形图进行评分。(2)简述冲击电专装那转头注意事项(本题分值 2 分,错答或漏答扣 2 分)答:装卸转头时,必须用转头钥匙,不能用其他工具敲打夹头。(3)简述兆欧表使用注意事项(本题分值 2 分,错答或漏答扣 0.5 分)答:1)正确选用兆欧表规格型号. 2)正确接线. 3)均匀的摇动手柄.4)待指针稳定下来再读数.5)注意被测电路中的电容6)注意兆欧表输出高压(4)回答电器安全用具使用注意事项。(本题分值 3 分,错答或漏答扣 1 分)答 1)安全用具的电压等级低于作业设备的电压等级不可使用。2)安全用具有缺陷不可使用:3)安全用具2 PLC 控制三相异步电动机正反转装调一、PLC 的 I/O 端口地址分配表二、PLC 的外部接线图输入输出设备名称代号输入编号设备名称代号输出编号热继电器(常闭触点)FRX0接触器KM1Y1正转按钮(常开触点)SB1X1接触器KM2Y2反转按钮(常开触点)SB2X2停止按钮(常开触点)SB3X3三、梯形图试题 2-5#,PLC 控制三相异步电动机正反转装调(1)绘制主电路,PLC 的 I/O 接口图和梯形图。(本题分值 5 分,错答或漏答扣 1分)考评员依据具体考核要求,参考运行结果,对 I/O 接口图和梯形图金星评分。(2)简述电工刀使用注意事项(本题分值 2 分,错答或漏答扣 1 分)答:1)刀口锐利,注意安全:2)刀口向外,小角度剥削,免伤线芯(3)简述指针式外用表电阻档的使用方法(本题分值 2 分,错答或漏答扣 0.5 分)答:1)预估被测电阻的大小,选择档位:2)凋零:3)测出电阻的数值:4)假如档位不合适,更换档位后重新调零和测试(4)回答触电事故主要有哪两类(本题分值 3 分,错答或漏答扣 3 分)答:电击和电伤3 PLC 控制三相沟通异步电动机位置控制装调一、PLC 的 I/O 端口地址分配表二. PLC 的外部接线图输入输出设备名称代号输入编号设备名称代号输出编号热继电器(常闭触点)FRX0接触器KM1...

1、当您付费下载文档后,您只拥有了使用权限,并不意味着购买了版权,文档只能用于自身使用,不得用于其他商业用途(如 [转卖]进行直接盈利或[编辑后售卖]进行间接盈利)。
2、本站所有内容均由合作方或网友上传,本站不对文档的完整性、权威性及其观点立场正确性做任何保证或承诺!文档内容仅供研究参考,付费前请自行鉴别。
3、如文档内容存在违规,或者侵犯商业秘密、侵犯著作权等,请点击“违规举报”。

碎片内容

PLC中级证考试复习题目

一二三四传媒+ 关注
实名认证
内容提供者

大量资料供您选择,没有合适的可以联系小二。

相关文档

确认删除?
VIP
微信客服
  • 扫码咨询
会员Q群
  • 会员专属群点击这里加入QQ群
客服邮箱
回到顶部