电脑桌面
添加小米粒文库到电脑桌面
安装后可以在桌面快捷访问

S13合同段架梁施工方案修改1048

S13合同段架梁施工方案修改1048_第1页
1/14
S13合同段架梁施工方案修改1048_第2页
2/14
S13合同段架梁施工方案修改1048_第3页
3/14
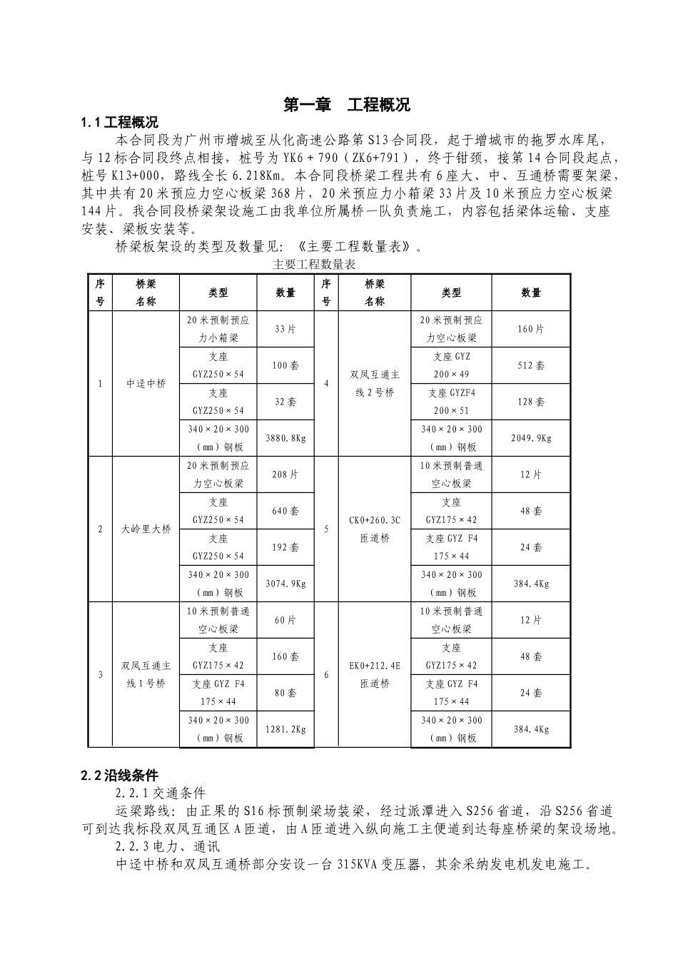
第一章 工程概况1.1 工程概况本合同段为广州市增城至从化高速公路第 S13 合同段,起于增城市的拖罗水库尾,与 12 标合同段终点相接,桩号为 YK6+790(ZK6+791),终于钳颈,接第 14 合同段起点,桩号 K13+000,路线全长 6.218Km。本合同段桥梁工程共有 6 座大、中、互通桥需要架梁,其中共有 20 米预应力空心板梁 368 片,20 米预应力小箱梁 33 片及 10 米预应力空心板梁144 片。我合同段桥梁架设施工由我单位所属桥一队负责施工,内容包括梁体运输、支座安装、梁板安装等。桥梁板架设的类型及数量见:《主要工程数量表》。主要工程数量表序号桥梁名称类型数量序号桥梁名称类型数量1中迳中桥20 米预制预应力小箱梁33 片4双凤互通主线 2 号桥20 米预制预应力空心板梁160 片支座GYZ250×54100 套支座 GYZ 200×49512 套支座GYZ250×5432 套支座 GYZF4 200×51128 套340×20×300(mm)钢板3880.8Kg340×20×300(mm)钢板2049.9Kg2大岭里大桥20 米预制预应力空心板梁208 片5CK0+260.3C匝道桥10 米预制普通空心板梁12 片支座GYZ250×54640 套支座GYZ175×4248 套支座GYZ250×54192 套支座 GYZ F4 175×4424 套340×20×300(mm)钢板3074.9Kg340×20×300(mm)钢板384.4Kg3双凤互通主线 1 号桥10 米预制普通空心板梁60 片6EK0+212.4E匝道桥10 米预制普通空心板梁12 片支座GYZ175×42160 套支座GYZ175×4248 套支座 GYZ F4 175×4480 套支座 GYZ F4 175×4424 套340×20×300(mm)钢板1281.2Kg340×20×300(mm)钢板384.4Kg2.2 沿线条件2.2.1 交通条件运梁路线:由正果的 S16 标预制梁场装梁,经过派潭进入 S256 省道,沿 S256 省道可到达我标段双凤互通区 A 匝道,由 A 匝道进入纵向施工主便道到达每座桥梁的架设场地。2.2.3 电力、通讯中迳中桥和双凤互通桥部分安设一台 315KVA 变压器,其余采纳发电机发电施工。通讯全部采纳手机联系,电话和传真均已开通。2.2.4 主要工程材料来源预制空心小箱梁与预制空心板梁,在 S16 标预制场集中预制。由运梁车运输至桥位施工处。2.2.5 生产与生活临建设施根据本工程的工程量,计划进场管理人员 3 名,分别为:杨卫华、王祥宇、王润生。计划工人 30 人,根据施工情况再进行人员调整。管理人员住在项目部内,现场施工工人住在附近农村租用的民房内。3.2. 技术准备3.2.1 审查预应力板梁设计文件,了解设计意图根据...

1、当您付费下载文档后,您只拥有了使用权限,并不意味着购买了版权,文档只能用于自身使用,不得用于其他商业用途(如 [转卖]进行直接盈利或[编辑后售卖]进行间接盈利)。
2、本站所有内容均由合作方或网友上传,本站不对文档的完整性、权威性及其观点立场正确性做任何保证或承诺!文档内容仅供研究参考,付费前请自行鉴别。
3、如文档内容存在违规,或者侵犯商业秘密、侵犯著作权等,请点击“违规举报”。

碎片内容

S13合同段架梁施工方案修改1048

确认删除?
VIP
微信客服
  • 扫码咨询
会员Q群
  • 会员专属群点击这里加入QQ群
客服邮箱
回到顶部