电脑桌面
添加小米粒文库到电脑桌面
安装后可以在桌面快捷访问

STC89C52单片机详细介绍

STC89C52单片机详细介绍_第1页
1/5
STC89C52单片机详细介绍_第2页
2/5
STC89C52单片机详细介绍_第3页
3/5
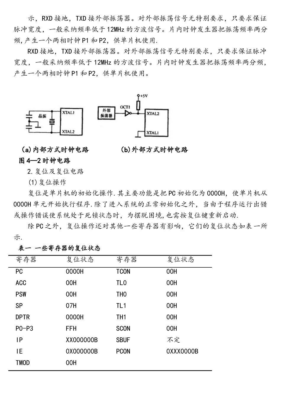
STC89C52 是一种带 8K 字节闪耀可编程可檫除只读存储器(FPEROM—Flash Programable and Erasable Read Only Memory )的低电压,高性能 COMOS8 的微处理器,俗称单片机。该器件采纳 ATMEL 搞密度非易失存储器制造技术制造,与工业标准的 MCS-51 指令集和输出管脚相兼容。单片机总控制电路如下图 4—1:图 4-1 单片机总控制电路1。时钟电路STC89C52 内部有一个用于构成振荡器的高增益反相放大器,引脚 RXD 和 TXD分别是此放大器的输入端和输出端。时钟可以由内部方式产生或外部方式产生。内部方式的时钟电路如图 4—2(a) 所示,在 RXD 和 TXD 引脚上外接定时元件,内部振荡器就产生自激振荡。定时元件通常采纳石英晶体和电容组成的并联谐振回路。晶体振荡频率可以在 1。2~12MHz 之间选择,电容值在 5~30pF 之间选择,电容值的大小可对频率起微调的作用。外部方式的时钟电路如图 4-2(b)所示,RXD 接地,TXD 接外部振荡器。对外部振荡信号无特别要求,只要求保证脉冲宽度,一般采纳频率低于 12MHz 的方波信号。片内时钟发生器把振荡频率两分频,产生一个两相时钟 P1 和 P2,供单片机使用。示,RXD 接地,TXD 接外部振荡器。对外部振荡信号无特别要求,只要求保证脉冲宽度,一般采纳频率低于 12MHz 的方波信号。片内时钟发生器把振荡频率两分频,产生一个两相时钟 P1 和 P2,供单片机使用.RXD 接地,TXD 接外部振荡器。对外部振荡信号无特别要求,只要求保证脉冲宽度,一般采纳频率低于 12MHz 的方波信号。片内时钟发生器把振荡频率两分频,产生一个两相时钟 P1 和 P2,供单片机使用。(a)内部方式时钟电路 (b)外部方式时钟电路图 4—2 时钟电路2.复位及复位电路(1)复位操作复位是单片机的初始化操作.其主要功能是把 PC 初始化为 0000H,使单片机从0000H 单元开始执行程序.除了进入系统的正常初始化之外,当由于程序运行出错或操作错误使系统处于死锁状态时,为摆脱困境,也需按复位键重新启动.除 PC 之外,复位操作还对其他一些寄存器有影响,它们的复位状态如表一所示.表一 一些寄存器的复位状态寄存器复位状态寄存器复位状态PC0000HTCON00HACC00HTL000HPSW00HTH000HSP07HTL100HDPTR0000HTH100HP0-P3FFHSCON00HIPXX000000BSBUF不定IE0X000000BPCON0XXX0000BTMOD00H(2)复位信号及其产生RST 引脚是复位信号的输入端。复位信号是高电平有效,其有效时间应持续 24个振荡周期(即二个...

1、当您付费下载文档后,您只拥有了使用权限,并不意味着购买了版权,文档只能用于自身使用,不得用于其他商业用途(如 [转卖]进行直接盈利或[编辑后售卖]进行间接盈利)。
2、本站所有内容均由合作方或网友上传,本站不对文档的完整性、权威性及其观点立场正确性做任何保证或承诺!文档内容仅供研究参考,付费前请自行鉴别。
3、如文档内容存在违规,或者侵犯商业秘密、侵犯著作权等,请点击“违规举报”。

碎片内容

STC89C52单片机详细介绍

您可能关注的文档

一二三四传媒+ 关注
实名认证
内容提供者

大量资料供您选择,没有合适的可以联系小二。

确认删除?
VIP
微信客服
  • 扫码咨询
会员Q群
  • 会员专属群点击这里加入QQ群
客服邮箱
回到顶部