电脑桌面
添加小米粒文库到电脑桌面
安装后可以在桌面快捷访问

三菱系列变频器pid控制参数设置及校正

三菱系列变频器pid控制参数设置及校正_第1页
1/19
三菱系列变频器pid控制参数设置及校正_第2页
2/19
三菱系列变频器pid控制参数设置及校正_第3页
3/19
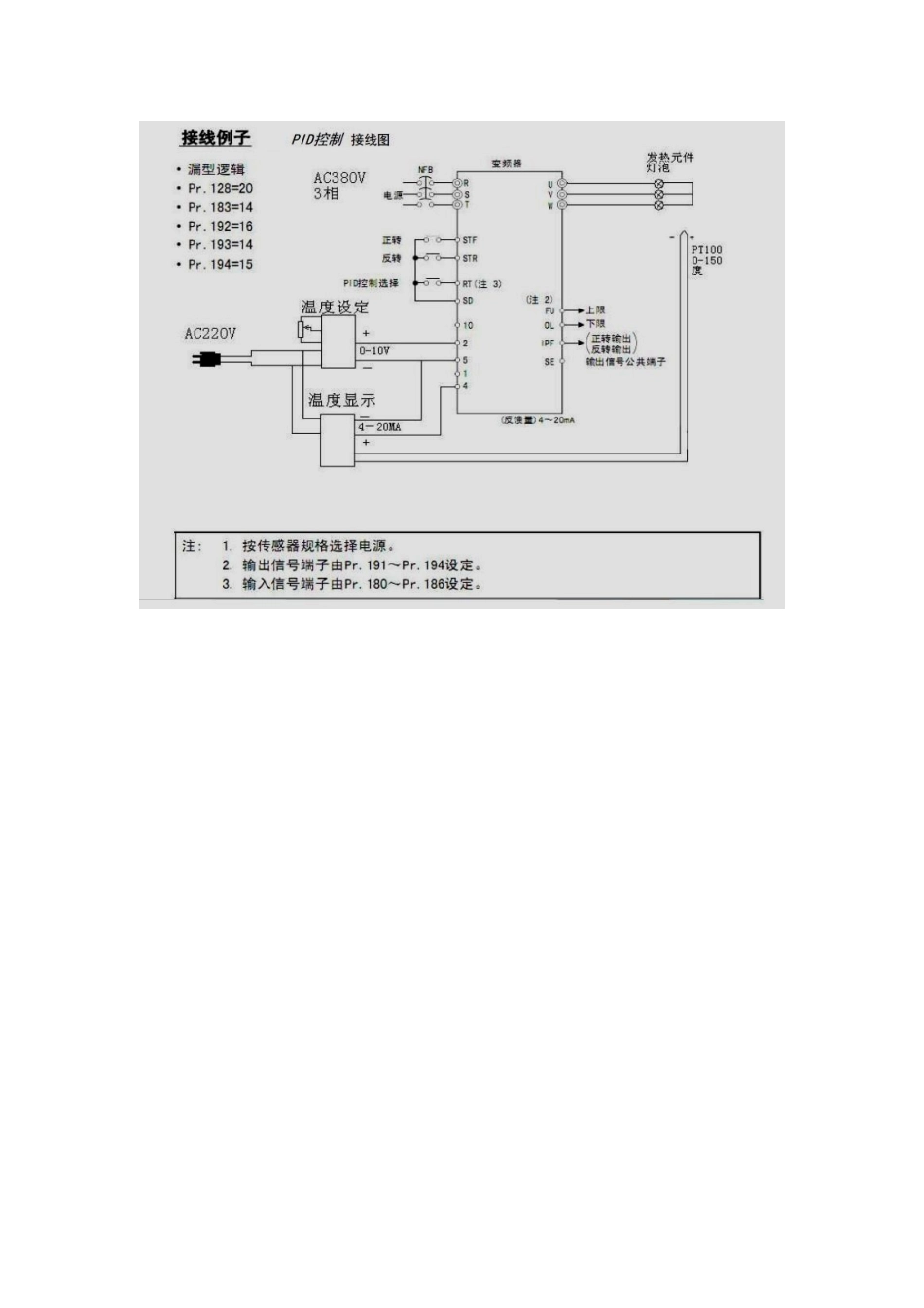
三菱变频器 PID 控制图三菱 FR-F7 0 0 系列变频器 PID 控制参数调节及校正对象:F R-F740 + 远程压力表(0-1、6 M Pa) + 控制电机控制方式:从P U 板输入目标数值,通过压力表输入实时压力测量值,变频器自动调节输出频率一、硬件设置1 短接 RT 与SD端子,使 X1 4端子为 ON ,。2 短接A U 与 SD 端子,3 将拨码开关置 1,出厂时默认设置为 0。二、接线图三、参数设置·为了进行P ID 控制,请将 X14 信号置于O N。该信号置于OF F 时,不进行 PID 动作,而为通常得变频器运行。(但就就是,通过L ONWORKS,C C-L ink 通讯进行 P ID 控制时,没有必要将X 1 4信号置于O N。)·在变频器得端子 2-5 间或者 Pr、13 3 中输入目标值,在变频器得端子 4-5 间输入测量值信号。此时,Pr、128 请设定为“20 或者 21”。·输入在外部计算得偏差信号时,请在端子 1-5 间输入。此时,Pr、12 8 请设定为“10 或者 11”。参数表:Pr、1 2 8=20(PID 负作用)Pr、1 83=14(PID 控制选择)Pr、267=1 或 2(4 号端子输入电压选择,1 时为 0-5VD C;2 时为 0-10V D C)P r、133=设定目标值(也可以从 2 号端子输入,详见说明书)四、参数校正将上述参数设置完成以后,保证 RT 端子与 A U端子均与 S D端子短接后,再进行参数校正。将压力表值调节到 0MPa,设置参数 Pr、c6=0;将压力表值调节到 1、6MPa,设置参数 Pr、c7=100、这样,0-100 将与 0-1、6 M Pa 等比例对应,目标值设定 P r、1 3 3 中设定值(0-10 0)与 0-1、6 M Pa 等比例对应。1 调整步骤2 详细校正过程 (1)按变频器 P U板上得 MODE 键,调至参数选择界面,如图:,然后旋转旋钮使界面到 Pr、C参数设置界面,如图:,再按 SET 键进入参数号选择界面,如图:,此时字母C后得光标闪耀。 (2)将压力表值调节到 0MPa 并保持,然后旋转旋钮,当字母 C 后面数字为 6 时停止旋转,并按 SE T键确认,键入 Pr、C6 得参数设置界面,此时显示得值不一定为 0,旋转按钮就就是其值为 0、并按下 SET 键确认,确认成功后,屏幕在参数号与参数设置值之间交替闪耀。 (3)按 MODE 键回到参数号选择界面,将压力表值调节到 1、6MPa 并保持 ,旋转旋钮就就是字母 C 后面得数值为 7,按S ET 键进入P r、C7 得参数设置界面,此时显示得值不一定为1 0 0,旋转旋...

1、当您付费下载文档后,您只拥有了使用权限,并不意味着购买了版权,文档只能用于自身使用,不得用于其他商业用途(如 [转卖]进行直接盈利或[编辑后售卖]进行间接盈利)。
2、本站所有内容均由合作方或网友上传,本站不对文档的完整性、权威性及其观点立场正确性做任何保证或承诺!文档内容仅供研究参考,付费前请自行鉴别。
3、如文档内容存在违规,或者侵犯商业秘密、侵犯著作权等,请点击“违规举报”。

碎片内容

三菱系列变频器pid控制参数设置及校正

不二商店+ 关注
实名认证
内容提供者

我是你的不二选择

确认删除?
VIP
微信客服
  • 扫码咨询
会员Q群
  • 会员专属群点击这里加入QQ群
客服邮箱
回到顶部