电脑桌面
添加小米粒文库到电脑桌面
安装后可以在桌面快捷访问

仓库的超市管理方法

仓库的超市管理方法_第1页
1/3
仓库的超市管理方法_第2页
2/3
仓库的超市管理方法_第3页
3/3
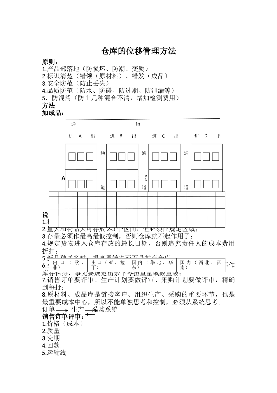
仓库的超市管理方法注意原则:1.通道设置(主次通道)(物、人流)2.消防设施设置(留空间)(两种灭火器:干粉、泡沫灭火器)3.路引(标)(快速取物通行)(平面区域图)4.安全警示(易碎、有毒等标识)5.区域定位(大小区域划分)定位法如: 序号、名称、型号、规格、如:此物为 A 区第 3 号位置第一排第二层 A 面 1 号位A312A1照 片仓库管理姓名区域位置排号层次面对位号A面B面213456781 层2 层3 层4 层A 面B 面备注仓库的位移管理方法原则:1.产品部落地(防损坏、防潮、变质)2.标识清楚(错领(原材料)、错发(成品)3.安全防范(防止丢失)4.品质防范(防水、防碰、防过期、防泄漏等)5.防混淆(防止几种混合不清,增加检测费用)方法如成品:A 区 B 区 C 区 D 区说明:1.按区域划分存放成品物;2.量大和物品大可存放 2-3 个区间,但必须在规定区域;3.存量必须作最高最低控制,否则仓库就不起作用了;4.规定货物进入仓库存放的最长日期,否则追究责任人的成本费用折扣;5.新品种增多时,提高周转率而不是扩充仓库;6.余下零担三个月评审一次,做废处理或变作其它客户使用,不作库存保持,事先要规定出余下零担重量或数量级;7.销售订单要评审、生产计划要做评审、采购计划要做评审,精确到每批;8.原材料、成品库是链接客户、组织生产、采购的重要环节,也是最重要成本中心,所以不能单独思考和控制,必须从系统思考。订单生产 采购系统 销售订单评审:1.价格(成本)2.质量3.交期4.回款5.运输线通道通道通道通 道进出进进进出出出ABCD出 口 ( 欧 、非)出 口 ( 亚 、 拉丁)国 内 ( 华 北 、 华东)国 内 ( 西 北 、 西南)6.包装方式7.货物处理 2025 年读书节活动方案一、 活动目的:书是人类的朋友,书是人类进步的阶梯!为了拓宽学生的知识面,通过开展“和书交朋友,遨游知识大海洋”系列读书活动,激发学生读书的兴趣,让每一个学生都想读书、爱读书、会读书,从小养成热爱书籍,博览群书的好习惯,并在读书实践活动中陶冶情操,猎取真知,树立理想! 二、活动目标: 1、通过活动,建立起以学校班级、个人为主的班级图书角和个人小书库。 2、通过活动,在校园内形成热爱读书的良好风气。 3、通过活动,使学生养成博览群书的好习惯。4、通过活动,促进学生知识更新、思维活跃、综合实践能力的提高。 三、活动实施的计划 1、 做好读书登记簿 (1) 每个学生结合...

1、当您付费下载文档后,您只拥有了使用权限,并不意味着购买了版权,文档只能用于自身使用,不得用于其他商业用途(如 [转卖]进行直接盈利或[编辑后售卖]进行间接盈利)。
2、本站所有内容均由合作方或网友上传,本站不对文档的完整性、权威性及其观点立场正确性做任何保证或承诺!文档内容仅供研究参考,付费前请自行鉴别。
3、如文档内容存在违规,或者侵犯商业秘密、侵犯著作权等,请点击“违规举报”。

碎片内容

仓库的超市管理方法

确认删除?
VIP
微信客服
  • 扫码咨询
会员Q群
  • 会员专属群点击这里加入QQ群
客服邮箱
回到顶部