电脑桌面
添加小米粒文库到电脑桌面
安装后可以在桌面快捷访问

体育馆风管吊装方案

体育馆风管吊装方案_第1页
1/8
体育馆风管吊装方案_第2页
2/8
体育馆风管吊装方案_第3页
3/8
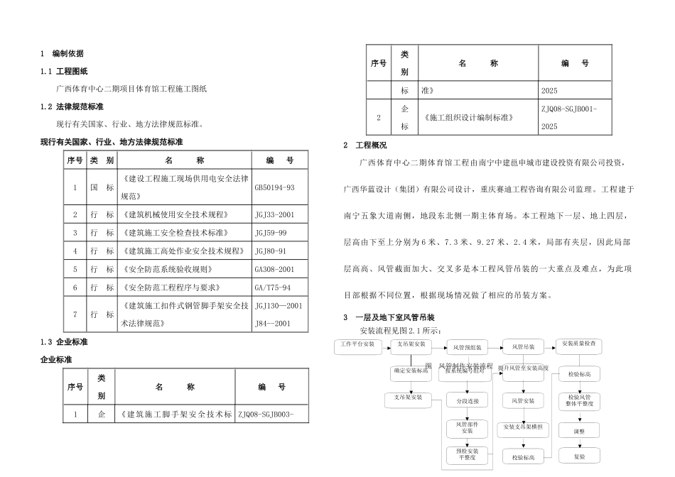
风管吊装方案编制:审核:审批:中建八局第二建设有限公司年月日施工组织设计(方案)报审表工程名称:广西体育中心二期项目体育馆 编号:致:重庆赛迪工程咨询有限公司南宁中建邕申城市建设投资有限公司我方根据施工合同的有关规定完成了风管吊装方案的编制,并经我单位上级技术负责人审查批准,请予以审查。附:《广西体育中心二期项目虹吸雨水安装方案》承包单位(章): 中国建筑股份有限公司项目经理:日 期:年月日 专业监理工程师审查意见:专业监理工程师:日期:年 月 日总监理工程师审核意见:项目监理机构: 重庆赛迪工程咨询有限公司 总监理工程师:日 期:年 月 日建设单位审核意见: 南宁中建邕申建设单位(章): 城市建设投资有限公司 建设单位代表:日 期:年 月 日体育馆施工组织设计审批表部 门、岗 位姓 名审 批 意 见备注上级部门局总工程师局工程管理部局工程管理部经理公司经 理总工程师总经济师生产副经理项目部项目经理总工程师合约经理生产副经理编制人姓名职称编制职责工作平台安装支吊架安装风管预组装校验标高风管吊装确定安装标高支吊架安装提升风管至安装高度安装支吊架横担按系统编号组对 分段连接风管部件安装预检安装平整度复验安装质量检查检验标高检验风管整体平整度调整风管安装1 编制依据1.1 工程图纸广西体育中心二期项目体育馆工程施工图纸1.2 法律规范标准现行有关国家、行业、地方法律规范标准。现行有关国家、行业、地方法律规范标准序号类 别名 称编 号1国 标《建设工程施工现场供用电安全法律规范》GB50194-932行 标《建筑机械使用安全技术规程》JGJ33-20013行 标《建筑施工安全检查技术标准》JGJ59-994行 标《建筑施工高处作业安全技术规程》JGJ80-915行 标《安全防范系统验收规则》GA308-20016行 标《安全防范工程程序与要求》GA/T75-947行 标《建筑施工扣件式钢管脚手架安全技术法律规范》JGJ130—2001J84--20011.3 企业标准企业标准序号类 别名 称编 号1企 《建筑施工脚手架安全技术标 ZJQ08-SGJB003-序号类 别名 称编 号标准》20252企 标《施工组织设计编制标准》ZJQ08-SGJB001-20252 工程概况广西体育中心二期体育馆工程由南宁中建邕申城市建设投资有限公司投资,广西华蓝设计(集团)有限公司设计,重庆赛迪工程咨询有限公司监理。工程建于南宁五象大道南侧,地段东北侧一期主体育场。本工程地下一层、地上四层,层高由下至上分别为 6 米、...

1、当您付费下载文档后,您只拥有了使用权限,并不意味着购买了版权,文档只能用于自身使用,不得用于其他商业用途(如 [转卖]进行直接盈利或[编辑后售卖]进行间接盈利)。
2、本站所有内容均由合作方或网友上传,本站不对文档的完整性、权威性及其观点立场正确性做任何保证或承诺!文档内容仅供研究参考,付费前请自行鉴别。
3、如文档内容存在违规,或者侵犯商业秘密、侵犯著作权等,请点击“违规举报”。

碎片内容

体育馆风管吊装方案

您可能关注的文档

确认删除?
VIP
微信客服
  • 扫码咨询
会员Q群
  • 会员专属群点击这里加入QQ群
客服邮箱
回到顶部