电脑桌面
添加小米粒文库到电脑桌面
安装后可以在桌面快捷访问

供应商年度考核评价表

供应商年度考核评价表_第1页
1/4
供应商年度考核评价表_第2页
2/4
供应商年度考核评价表_第3页
3/4
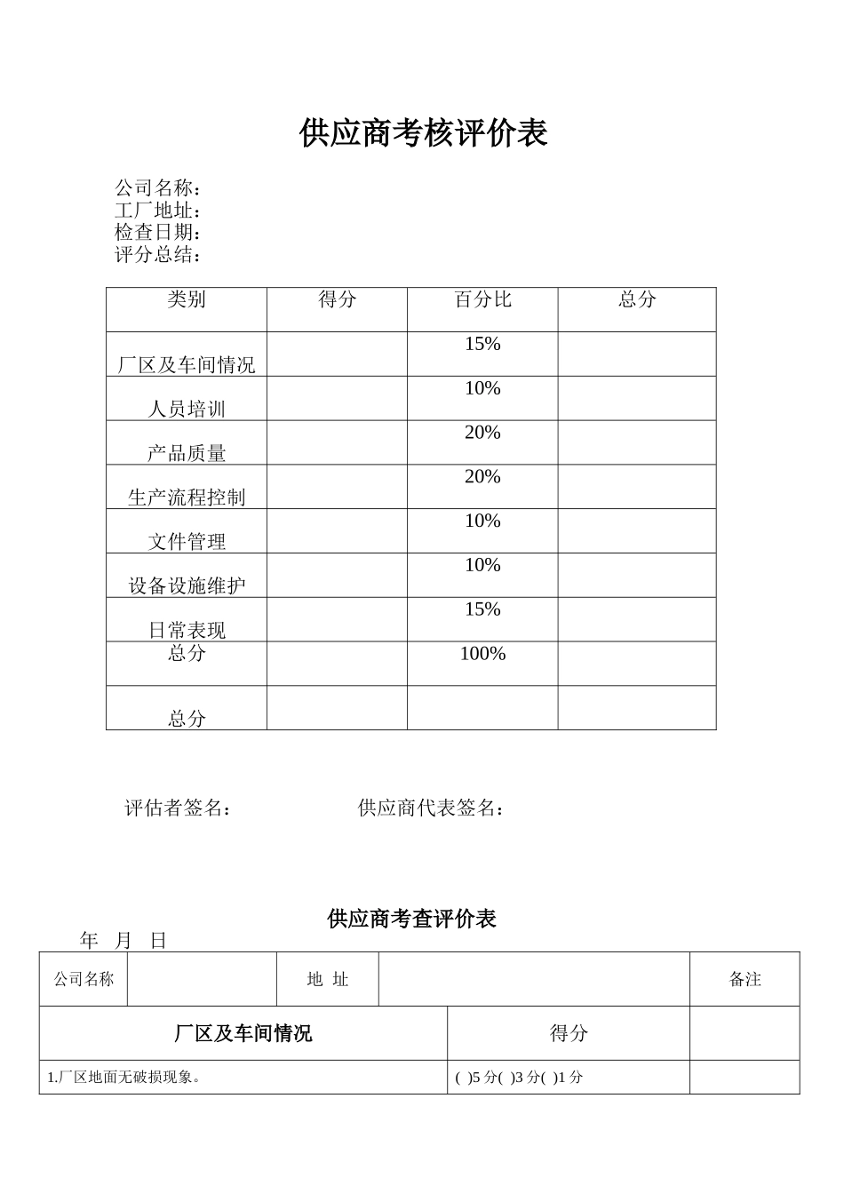
供应商考核评价表 公司名称:工厂地址:检查日期:评分总结:类别得分百分比总分厂区及车间情况15%人员培训10%产品质量20%生产流程控制20%文件管理10%设备设施维护10%日常表现15%总分100%总分评估者签名: 供应商代表签名:供应商考查评价表年 月 日 公司名称地 址备注厂区及车间情况得分1.厂区地面无破损现象。( )5 分( )3 分( )1 分2.地面无积水及异味。( )5 分( )3 分( )1 分3. 车间内是否严格根据 GMP 进行日常管理。( )5 分( )3 分( )1 分4. 厂区无虫鼠滋生源。( )5 分( )3 分( )1 分5.厂区所有下水道盖均以盖好且下水道口有防虫网。( )5 分( )3 分( )1 分6.定期对厂区进行杀虫处理。( )5 分( )3 分( )1 分7.厂区内有捕鼠设施,并且根据虫鼠活动情况及时更新捕鼠器位置。( )5 分( )3 分( )1 分8.有防虫、防鼠计划和记录。( )5 分( )3 分( )1 分9.车间内有良好的照明设施。( )5 分( )3 分( )1 分10.员工保持良好的个人卫生。( )5 分( )3 分( )1 分11.在车间内没有吃食品及吸烟现象。( )5 分( )3 分( )1 分12.原材料储存处地面保持清洁、干燥无异物。( )5 分( )3 分( )1 分13.清洁的天花板及墙壁。( )5 分( )3 分( )1 分14.原料储存离地、墙距离 45CM。( )5 分( )3 分( )1 分15.无食品与其混放在一起。( )5 分( )3 分( )1 分16.对车间整体有预防性保养计划。( )5 分( )3 分( )1 分17.所有废弃物均有标记。( )5 分( )3 分( )1 分18.所有制成品都有标识。( )5 分( )3 分( )1 分19.所有制成品都是封好并且妥善存在适当的地方。( )5 分( )3 分( )1 分20.生产车间面积与其生产能力相适应。( )5 分( )3 分( )1 分可接受的分数实际分数人员培训得分1.供应商有书面的员工培训计划。( )20 分( )15 分( )10 分2.培训后员工资格鉴定。( )20 分( )15 分( )10 分3.培训记录填写并归档。( )20 分( )15 分( )10 分4.有对关键工序人员的培训计划。( )20 分( )15 分( )10 分5 培训效果的验证。( )20 分( )15 分( )10 分可接受的分数实际分数产品质量得分1.供应商有成文的质量标准并且归档。( )10 分( )7 分 ( )3 分2.质量标准指定依据是国家标准或行业标准。( )10 分( )7 分 ( )3 分3.有成文的产品质量检查标准。( )10 分( )7 分 ( )3 分4.检验人员经过培训上岗,并...

1、当您付费下载文档后,您只拥有了使用权限,并不意味着购买了版权,文档只能用于自身使用,不得用于其他商业用途(如 [转卖]进行直接盈利或[编辑后售卖]进行间接盈利)。
2、本站所有内容均由合作方或网友上传,本站不对文档的完整性、权威性及其观点立场正确性做任何保证或承诺!文档内容仅供研究参考,付费前请自行鉴别。
3、如文档内容存在违规,或者侵犯商业秘密、侵犯著作权等,请点击“违规举报”。

碎片内容

供应商年度考核评价表

您可能关注的文档

确认删除?
VIP
微信客服
  • 扫码咨询
会员Q群
  • 会员专属群点击这里加入QQ群
客服邮箱
回到顶部