电脑桌面
添加小米粒文库到电脑桌面
安装后可以在桌面快捷访问

供应商管理与评估 实用表格

供应商管理与评估 实用表格_第1页
1/4
供应商管理与评估 实用表格_第2页
2/4
供应商管理与评估 实用表格_第3页
3/4
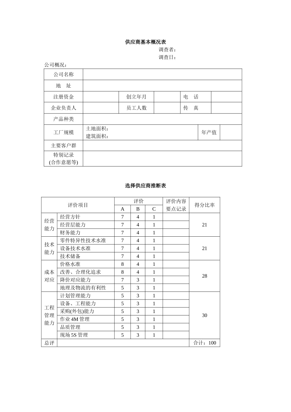
供应商基本概况表 调查者: 调查日:公司概况:公司名称地 址注册资金创立年月电 话企业负责人员工人数传 真产品种类工厂规模土地面积:建筑面积:年产值主要客户群特别记录(合作意愿等) 选择供应商推断表评价项目评价评价内容要点记录得分比率ABC经营能力经营方针74121经营层能力741财务能力741技术能力零件特异性技术水准74121设备技术水准741技术储备741成本对应价格水准 84128改善、合理化追求841降价对应能力731地理及物流的有利性531工程管理能力计划管理能力53130设备、工程能力531采购(外包)能力531作业 4M 管理531品质管理531现场 5S 管理 531总评合计:100供应商推断评价基准表 评价项目评价内容A 等级B 等级C 等级经营能力经营方针经 营 理 念 、方 针 有 无 明确 文 字 表 述 , 并 在 实际 经 营 活 动中得到实 施 经营理念、方针有明确的展示,并且能看出对经营的目标与实绩实施了管理对经营理念、方针有明确的展示,但对实施的状况不明对经营理念、方针没有形成明确的文字经营层能力经 营 层 有 无基 于 经 营 方针,积极 展开 管 理 改 善活 动 能看见基于经营方针而实行积极的具体的管理改善与创新活动对经营方针有一定的理解与说明,但看不见伴随的管理改善与创新活动看不见具体的管理活动状况 财务能力能 否 把 握 财务 指 标 , 并落 实 在 实 际的 经 营 管 理活动中 把握了财务指标弱点,并正在实施改善把握了财务指标弱点,但看不见改善 没有对自己的财务状况进行分析 技术能力零件特异性技术水准在 零 件 设 计或 零 件 加 工技 术 上 , 与同 行 业 其 他公司 相比,有 无 独 特 的或 领 先 的 地方 现在有,而且有要向更高水平挑战的行动有自己独特的技术,但没有向更高水平进步的追求行动 没有设备技术水准与 同 行 业 其他 公 司 相比 , 设 备 是否先进?是否有 更新计划 设备在同行业中处于先进水平,或者定期进行设备更新设备在同行业中处于普通水平,在经营状况很好的条件下,进行设备的更新设备在同行业中处 . 于 较 差 水平,无进行设备更新的打算技术储备技 术 储 备 主要 指 公 司 对人 才 是 如 何评价的?如何实 施 教 育 培训的?高素养人才比率等较高素养人才或技能工人较多,同时有公司的教育计划及教育评价的记录较高素养人才或技能工人一般。虽然没有教育计划...

1、当您付费下载文档后,您只拥有了使用权限,并不意味着购买了版权,文档只能用于自身使用,不得用于其他商业用途(如 [转卖]进行直接盈利或[编辑后售卖]进行间接盈利)。
2、本站所有内容均由合作方或网友上传,本站不对文档的完整性、权威性及其观点立场正确性做任何保证或承诺!文档内容仅供研究参考,付费前请自行鉴别。
3、如文档内容存在违规,或者侵犯商业秘密、侵犯著作权等,请点击“违规举报”。

碎片内容

供应商管理与评估 实用表格

您可能关注的文档

津创媒+ 关注
实名认证
内容提供者

欢迎交流文创,小店资料希望满足您的需要。

确认删除?
VIP
微信客服
  • 扫码咨询
会员Q群
  • 会员专属群点击这里加入QQ群
客服邮箱
回到顶部