电脑桌面
添加小米粒文库到电脑桌面
安装后可以在桌面快捷访问

光耦pc817应用电路与pdf中文资料

光耦pc817应用电路与pdf中文资料_第1页
1/5
光耦pc817应用电路与pdf中文资料_第2页
2/5
光耦pc817应用电路与pdf中文资料_第3页
3/5
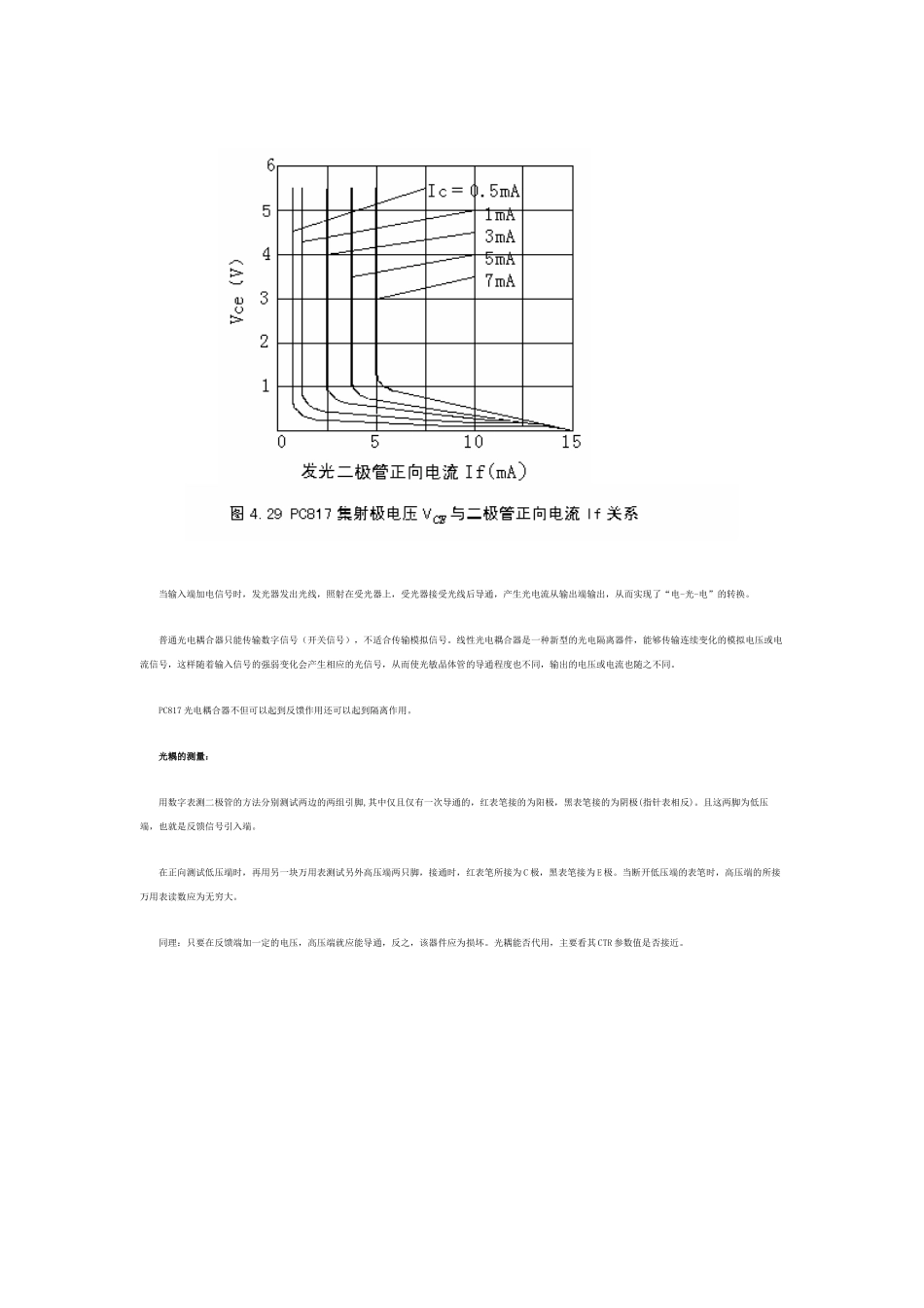
光耦 pc817 应用电路与 pdf 中文资料发布于 2025-02-27 被读 2935 次 【字体:大 中 小】 作者:网络 PC817 是常用的线性光藕,在各种要求比较精密的功能电路中常常被当作耦合器件,具有上下级电路完全隔离的作用,相互不产生影响。 当输入端加电信号时,发光器发出光线,照射在受光器上,受光器接受光线后导通,产生光电流从输出端输出,从而实现了“电-光-电”的转换。 普通光电耦合器只能传输数字信号(开关信号),不适合传输模拟信号。线性光电耦合器是一种新型的光电隔离器件,能够传输连续变化的模拟电压或电流信号,这样随着输入信号的强弱变化会产生相应的光信号,从而使光敏晶体管的导通程度也不同,输出的电压或电流也随之不同。 PC817 光电耦合器不但可以起到反馈作用还可以起到隔离作用。 光耦的测量: 用数字表测二极管的方法分别测试两边的两组引脚,其中仅且仅有一次导通的,红表笔接的为阳极,黑表笔接的为阴极(指针表相反)。且这两脚为低压端,也就是反馈信号引入端。 在正向测试低压端时,再用另一块万用表测试另外高压端两只脚,接通时,红表笔所接为 C 极,黑表笔接为 E 极。当断开低压端的表笔时,高压端的所接万用表读数应为无穷大。 同理:只要在反馈端加一定的电压,高压端就应能导通,反之,该器件应为损坏。光耦能否代用,主要看其 CTR 参数值是否接近。 测量的实质就是:就是分别去测发光二极管和 3 极管的好坏。 另外一种测量说法: 用两个万用表就可以测了。 光电耦合器由发光二极管和受光三极管封装组成。如光电耦合器4N25,采纳DIP-6封装,共六个引脚,①、②脚分别为阳、阴极,③脚为空脚,④、⑤、⑥脚分别为三极管的e、c、b极。 以往用万用表测光耦时,只分别检测推断发光二极管和受光三极管的好坏,对光耦的传输性能未进行推断。这里以光耦4N25为例,介绍一种测量光耦传输特性的方法。 1. 推断发光二极管好坏与极性:用万用表R×1k挡测量二极管的正、负向电阻,正向电阻一般为几千欧到几十千欧,反向电阻一般应为∞。测得电阻小的那次,红笔接的是二极管的负极。 2. 推断受光三极管的好坏与放大倍数:将万用表开关从电阻挡拨至三极管hFE挡,使用NPN型插座,将E孔连接④脚发射极,C孔连接⑤脚集电极,B孔连接⑥脚基极,显示值即为三极管的电流放大倍数。一般通用型光耦hFE值为一百至几百,若显示值为零或溢出为∞,则表明三极管短路...

1、当您付费下载文档后,您只拥有了使用权限,并不意味着购买了版权,文档只能用于自身使用,不得用于其他商业用途(如 [转卖]进行直接盈利或[编辑后售卖]进行间接盈利)。
2、本站所有内容均由合作方或网友上传,本站不对文档的完整性、权威性及其观点立场正确性做任何保证或承诺!文档内容仅供研究参考,付费前请自行鉴别。
3、如文档内容存在违规,或者侵犯商业秘密、侵犯著作权等,请点击“违规举报”。

碎片内容

光耦pc817应用电路与pdf中文资料

津创媒+ 关注
实名认证
内容提供者

欢迎交流文创,小店资料希望满足您的需要。

确认删除?
VIP
微信客服
  • 扫码咨询
会员Q群
  • 会员专属群点击这里加入QQ群
客服邮箱
回到顶部