电脑桌面
添加小米粒文库到电脑桌面
安装后可以在桌面快捷访问

公司储罐区及码头上部设施工程内浮顶储罐施工方案

公司储罐区及码头上部设施工程内浮顶储罐施工方案_第1页
1/16
公司储罐区及码头上部设施工程内浮顶储罐施工方案_第2页
2/16
公司储罐区及码头上部设施工程内浮顶储罐施工方案_第3页
3/16
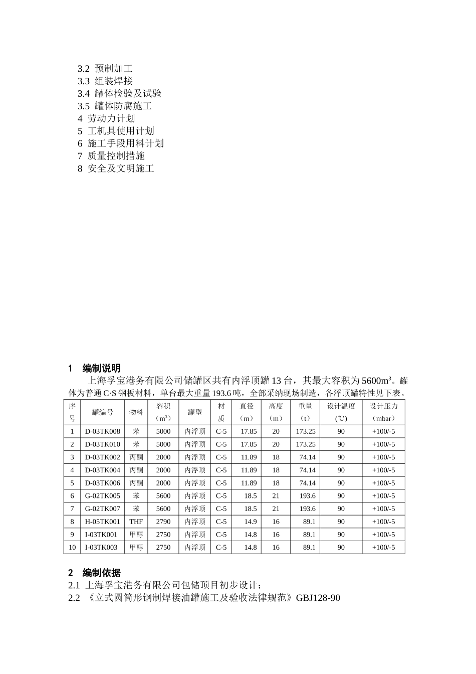
XX 公司储罐区及码头上部设施工程内浮顶储罐施工方案 目 录 1 编制说明 2 编制依据 3 施工方法及技术措施 3.1 施工程序 3.2 预制加工 3.3 组装焊接 3.4 罐体检验及试验 3.5 罐体防腐施工 4 劳动力计划 5 工机具使用计划 6 施工手段用料计划 7 质量控制措施 8 安全及文明施工1 编制说明上海孚宝港务有限公司储罐区共有内浮顶罐 13 台,其最大容积为 5600m3。罐体为普通 C·S 钢板材料,单台最大重量 193.6 吨,全部采纳现场制造,各浮顶罐特性见下表。序号罐编号物料容积(m3)罐型材质直径(m)高度(m)重量(t)设计温度(℃)设计压力(mbar)1D-03TK008苯5000内浮顶C-517.8520173.2590+100/-52D-03TK010苯5000内浮顶C-517.8520173.2590+100/-53D-03TK002丙酮2000内浮顶C-511.891874.1490+100/-54D-03TK004丙酮2000内浮顶C-511.891874.1490+100/-55D-03TK006丙酮2000内浮顶C-511.891874.1490+100/-56G-02TK005苯5600内浮顶C-518.521193.690+100/-57G-02TK007苯5600内浮顶C-518.521193.690+100/-58H-05TK001THF2790内浮顶C-514.91689.190+100/-59I-03TK001甲醇2750内浮顶C-514.81689.190+100/-510I-03TK003甲醇2750内浮顶C-514.81689.190+100/-52 编制依据2.1 上海孚宝港务有限公司包储顶目初步设计;2.2 《立式圆筒形钢制焊接油罐施工及验收法律规范》GBJ128-902.3 《现场设备、工业管道焊接工程施工及验收法律规范》GB50236-982.4 《石油化工立式圆筒形钢制焊接油罐设计法律规范》SH3064-923 施工方法及技术措施 罐体制作采纳倒装法施工,即采纳先底、顶,后罐壁的方法,具体施工过程和控制措施如下:3.1 施工程序 材料验收→放样下料→预制→基础验收→底板组焊及试验检验→最顶层带板组焊→拱顶组焊→倒数第二层带板组焊→钢结构、梯子平台及附件施工→罐体试验→内浮顶安装→罐体防腐→竣工验收。3.2 基础验收3.2.1 基础表面尺寸要求见表 3-1。3.2.2 以基础中心为圆心,以不同直径作同心圆,将各圆周分成若干等分,在等分点测量基础表面的标高,同一圆周上的测点,其测量标高与计算标高之差不得大于 12mm;检查基础表面凹凸度的同心圆直径及测量点数,见表 3-2。基础表面尺寸允许偏差 表 3-1复验内容允许偏差(mm)测量工具中心坐标不应大于 20经纬仪、卷尺中心标高不应大于 20水准仪沿圆周方向每 10m 内任意两点不应大于 10整个圆周上任意两点不应大于 20水准仪水准仪基础表面...

1、当您付费下载文档后,您只拥有了使用权限,并不意味着购买了版权,文档只能用于自身使用,不得用于其他商业用途(如 [转卖]进行直接盈利或[编辑后售卖]进行间接盈利)。
2、本站所有内容均由合作方或网友上传,本站不对文档的完整性、权威性及其观点立场正确性做任何保证或承诺!文档内容仅供研究参考,付费前请自行鉴别。
3、如文档内容存在违规,或者侵犯商业秘密、侵犯著作权等,请点击“违规举报”。

碎片内容

公司储罐区及码头上部设施工程内浮顶储罐施工方案

您可能关注的文档

文森传品+ 关注
实名认证
内容提供者

一家传播文化教育的小店,资料丰富,随意挑选。

确认删除?
VIP
微信客服
  • 扫码咨询
会员Q群
  • 会员专属群点击这里加入QQ群
客服邮箱
回到顶部