电脑桌面
添加小米粒文库到电脑桌面
安装后可以在桌面快捷访问

单片机之LCD显示原理

单片机之LCD显示原理_第1页
1/11
单片机之LCD显示原理_第2页
2/11
单片机之LCD显示原理_第3页
3/11
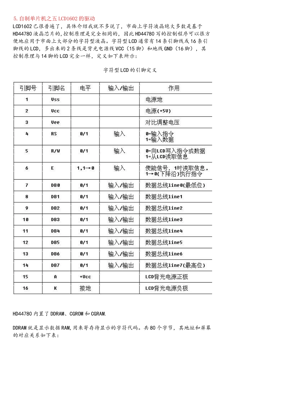
5.自制单片机之五 LCD1602 的驱动LCD1602 已很普遍了,具体介绍我就不多说了,市面上字符液晶绝大多数是基于HD44780 液晶芯片的,控制原理是完全相同的,因此 HD44780 写的控制程序可以很方便地应用于市面上大部分的字符型液晶。字符型 LCD 通常有 14 条引脚线或 16 条引脚线的 LCD,多出来的 2 条线是背光电源线 VCC(15 脚)和地线 GND(16 脚),其控制原理与 14 脚的 LCD 完全一样,定义如下表所示: 字符型 LCD 的引脚定义HD44780 内置了 DDRAM、CGROM 和 CGRAM.DDRAM 就是显示数据 RAM,用来寄存待显示的字符代码。共 80 个字节,其地址和屏幕的对应关系如下表:也就是说想要在 LCD1602 屏幕的第一行第一列显示一个”A”字,就要向 DDRAM 的00H 地址写入“A”字的代码就行了。但具体的写入是要按 LCD 模块的指令格式来进行的,后面我会说到的。那么一行可有 40 个地址呀?是的,在 1602 中我们就用前16 个就行了。第二行也一样用前 16 个地址。对应如下: DDRAM 地址与显示位置的对应关系我们知道文本文件中每一个字符都是用一个字节的代码记录的.一个汉字是用两个字节的代码记录。在 PC 上我们只要打开文本文件就能在屏幕上看到对应的字符是因为在操作系统里和 BIOS 里都固化有字符字模。什么是字模?就代表了是在点阵屏幕上点亮和熄灭的信息数据.例如“A”字的字模: 01110 ○■■■○ 10001 ■○○○■ 10001 ■○○○■ 10001 ■○○○■ 11111 ■■■■■ 10001 ■○○○■ 10001 ■○○○■上图左边的数据就是字模数据,右边就是将左边数据用“○”代表 0,用“■"代表1。看出是个“A”字了吗?在文本文件中“A"字的代码是 41H,PC 收到 41H 的代码后就去字模文件中将代表 A 字的这一组数据送到显卡去点亮屏幕上相应的点,你就看到“A”这个字了。刚才我说了想要在 LCD1602 屏幕的第一行第一列显示一个"A"字,就要向 DDRAM 的00H 地址写入“A”字的代码 41H 就行了,可 41H 这一个字节的代码如何才能让 LCD模块在屏幕的阵点上显示“A”字呢?同样,在 LCD 模块上也固化了字模存储器,这就是 CGROM 和 CGRAM。HD44780 内置了 192 个常用字符的字模,存于字符产生器CGROM(Character Generator ROM)中,另外还有 8 个允许用户自定义的字符产生RAM,称为 CGRAM(Character Generator RAM)。下图说明了 CGROM 和 CGRAM 与字符的对应关...

1、当您付费下载文档后,您只拥有了使用权限,并不意味着购买了版权,文档只能用于自身使用,不得用于其他商业用途(如 [转卖]进行直接盈利或[编辑后售卖]进行间接盈利)。
2、本站所有内容均由合作方或网友上传,本站不对文档的完整性、权威性及其观点立场正确性做任何保证或承诺!文档内容仅供研究参考,付费前请自行鉴别。
3、如文档内容存在违规,或者侵犯商业秘密、侵犯著作权等,请点击“违规举报”。

碎片内容

单片机之LCD显示原理

您可能关注的文档

办公文档专营+ 关注
实名认证
内容提供者

大量办公文档,欢迎选择

确认删除?
VIP
微信客服
  • 扫码咨询
会员Q群
  • 会员专属群点击这里加入QQ群
客服邮箱
回到顶部