电脑桌面
添加小米粒文库到电脑桌面
安装后可以在桌面快捷访问

基于西门子PLC的模拟电梯控制系统范文

基于西门子PLC的模拟电梯控制系统范文_第1页
1/27
基于西门子PLC的模拟电梯控制系统范文_第2页
2/27
基于西门子PLC的模拟电梯控制系统范文_第3页
3/27
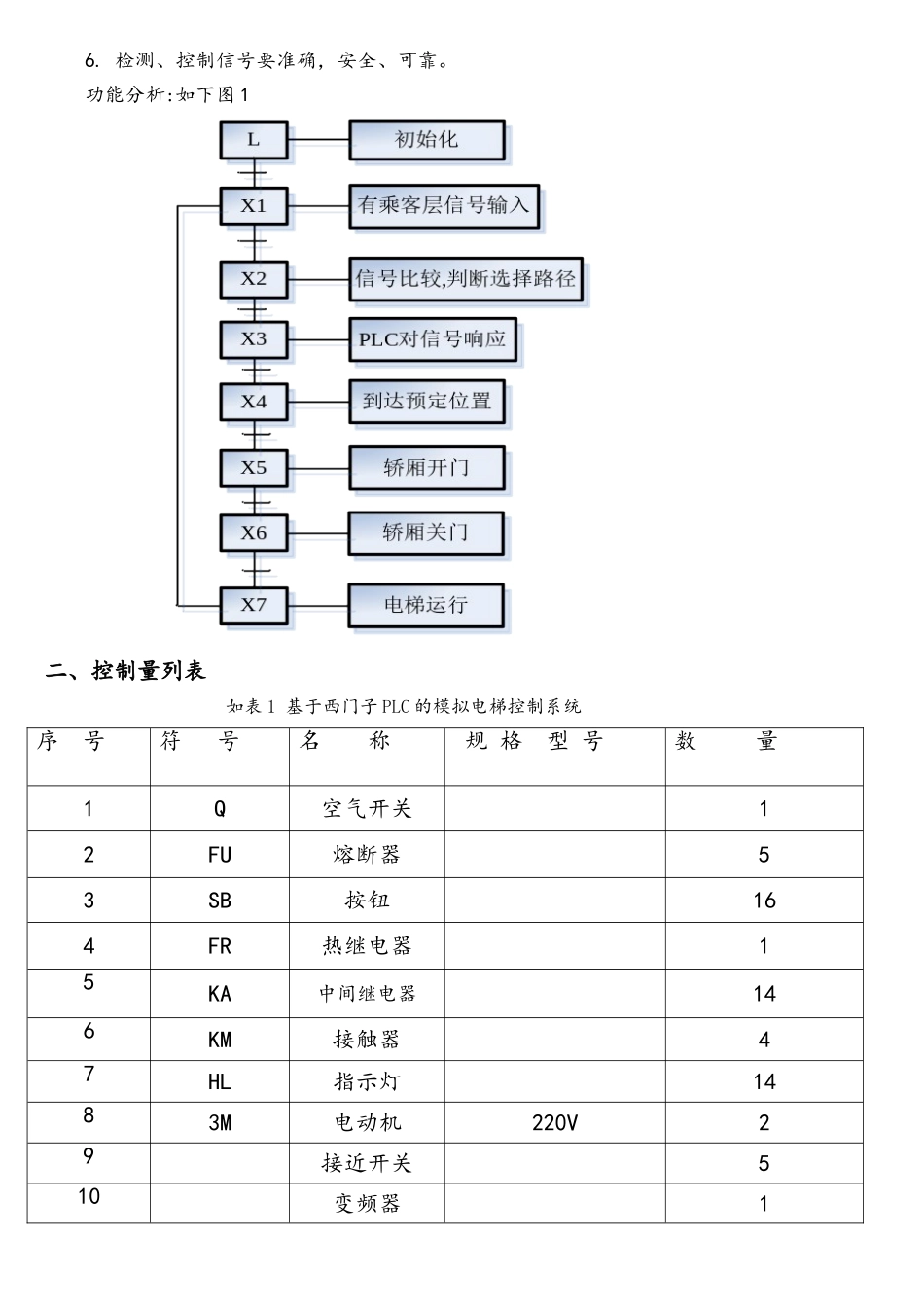
基于西门子 PLC 的模拟电梯控制系统基于西门子 PLC 的模拟电梯控制系统设计一、控制要求与功能分析要求采纳 PLC 作为控制中心,采纳触摸屏或上位机(组态软件编程)监控。电梯模型控制系统总体要求:总体控制方案在保证安全、可靠运行的情况下,实现计算机自动监控。并能够完成数据存储、实时监控、动态显示、数据分析、报表打印等功能。其稳定度、控制精度、响应速度达到设计要求。具体要求如下:1。 控制系统应有防止误操作的电路联锁和保护功能。2. 电梯轿厢停止位置要准确。3.根据停靠楼层数量和运行状态自动计算停靠位置。4.启动和停止时应有减速过程,并根据运行距离自动调整运行速度。5。 操作界面要求有流程效果,可以显示操作的进度。6. 检测、控制信号要准确,安全、可靠。功能分析:如下图 1二、控制量列表如表 1 基于西门子 PLC 的模拟电梯控制系统序 号符 号名 称规 格 型 号 数 量1Q空气开关12FU熔断器53SB按钮164FR热继电器15 KA中间继电器146KM接触器47 HL指示灯1483M电动机220V29 接近开关510变频器111PLC可编程控制器S7—200,CPU2261表 1熔断器起电路短路保护保护作用,防止过大电流。一台电动机能够控制电梯正反转,实现电梯上下运行。另一台控制电梯开关门。垂直电梯的上下有电动机的运动控制,根据运行距离,通过变频器调节电梯的运行速度。在需要上下乘客的层,设置有上下按钮,PLC 通过检测楼层按钮状态推断停止位置.位置定位采纳接近开关控制,使电梯轿厢准确停止在预定位置。HL 指示灯指示 PLC 程序运行时的输出情况.三、总体方案设计 图 2 文字说明: 主控设备选用 PLC,它具有强大的数据处理功能,同时也可作为开关量的输入输出控制.输出采纳继电器隔离,通过继电器控制电机的接触器,控制电机的 启动和停止。电机速度采纳变频器控制。利用通用的组态软件生成一个动态的实时监控界面。总体设计如图 3 所示。 图 3 模拟电梯总体控制图上位机监控使用 Intouch 软件实现,控制器用数字输入输出点数为 24 的 S7-200 型 PLC;上位机与下位机通信使用 MODBUS 协议。在需要通讯时在 PLC 中添加库中 MODbus 模块。在 Intouch 中更改标记的类型,添加访问名.四、硬件电路图 图 4 正反转控制与 PLC 连接图 5 开关门控制电路五、控制元件选择序号名称型号规格数量厂商1断路器NSC100D30252施耐德C32NC-4A/2P4施耐德C65ND-10A/3P3施耐德2继电器SSR-D205W20北京灵通3...

1、当您付费下载文档后,您只拥有了使用权限,并不意味着购买了版权,文档只能用于自身使用,不得用于其他商业用途(如 [转卖]进行直接盈利或[编辑后售卖]进行间接盈利)。
2、本站所有内容均由合作方或网友上传,本站不对文档的完整性、权威性及其观点立场正确性做任何保证或承诺!文档内容仅供研究参考,付费前请自行鉴别。
3、如文档内容存在违规,或者侵犯商业秘密、侵犯著作权等,请点击“违规举报”。

碎片内容

基于西门子PLC的模拟电梯控制系统范文

MY shop+ 关注
实名认证
内容提供者

欢迎挑选适合自己的材料。

确认删除?
VIP
微信客服
  • 扫码咨询
会员Q群
  • 会员专属群点击这里加入QQ群
客服邮箱
回到顶部