电脑桌面
添加小米粒文库到电脑桌面
安装后可以在桌面快捷访问

室外给排水工程施工质量监理实施细则m

室外给排水工程施工质量监理实施细则m_第1页
1/5
室外给排水工程施工质量监理实施细则m_第2页
2/5
室外给排水工程施工质量监理实施细则m_第3页
3/5
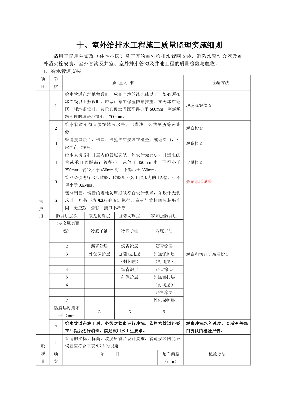
十、室外给排水工程施工质量监理实施细则适用于民用建筑群(住宅小区)及厂区的室外给排水管网安装、消防水泵结合器及室外消火栓安装、室外管沟及井室、室外排水管沟及井池工程的质量检验与验收。1.给水管道安装项目项次质 量 标 准检验方法主控项目1给水管道在埋地敷设时,应在当地的冰冻线以下,如必须在冰冻线以上敷设时,应做可靠的保温防潮措施。在无冰冻地区,埋地敷设时,管径的覆土埋深不得小于 500mm,穿越道路部位的埋深不得小于 700mm。现场观察检查2给水管道不得直接穿越污水井、化粪池、公共厕所等污染源。观察检查3管道接口法兰、卡口、卡箍等应安装在检查井或地沟内,不应埋在土壤中。观察检查4给水系统各种井室内的管道安装,如设计无要求,井壁距法兰或承口的距离:管径小于或等于 450mm 时,不得小于250mm;管径大于 450mm 时,不得小于 350mm。尺量检查5管网必须进行水压试验,试验压力为工作压力的 1.5 倍,但不得小于 0.6Mpa。旁站水压试验6镀锌钢管、钢管的埋地防腐必须符合设计要求,如设计无要求时,可按下表 9.2.6 的规定执行。卷材与管材间应粘贴牢固,无空鼓、滑移、接口不严等。观察和切开防腐层检查防腐层层次政党防腐层加强防腐层特加强防腐层(从金属表面起)1冷底子油冷底子油冷底子油2沥青涂层沥青涂层沥青涂层3外包保护层加强包扎层加强保护层(封闭层)(封闭层)4沥青涂层沥青涂层5外保护层加强包扎层6(封闭层)沥青涂层7外包保护层防腐层厚度不小于(mm)3697给水管道在竣工后,必须对管道进行冲洗,饮用水管道还要在冲洗后进行消毒,满足饮用水卫生要求。观察冲洗水的浊度,查看有关部门提供的检验报告。一般项目1管道的坐标、标高、坡度应符合设计要求,管道安装的允许偏差应符合下表 9.2.8 的规定项次项 目允许偏差(mm)检验方法①坐标铸铁管埋地100拉线和尺量检查敷设在沟槽内50钢管、塑料管、复合管埋地100敷设在沟槽内40②标高铸铁管埋地±50拉线和尺量检查铺设在沟槽内±30钢管、塑料管、复合管埋地±50铺设在沟槽内±30③水平管纵横向弯曲铸铁管直段(25m 以上)起点~终点40拉线和尺量检查铸铁管直段(25m 以上)起点~终点302管道和金属支架的涂漆应附着良好,无脱皮、起泡、流淌和漏涂等缺陷。现场观察检查3管道连接应符合工艺要求,阀门、水表等安装位置应正确,塑料给水管道上的水表、阀门等设施其重量或启闭装置的扭矩不得作用于管道上,当管径≥50mm 时必须设独立的支...

1、当您付费下载文档后,您只拥有了使用权限,并不意味着购买了版权,文档只能用于自身使用,不得用于其他商业用途(如 [转卖]进行直接盈利或[编辑后售卖]进行间接盈利)。
2、本站所有内容均由合作方或网友上传,本站不对文档的完整性、权威性及其观点立场正确性做任何保证或承诺!文档内容仅供研究参考,付费前请自行鉴别。
3、如文档内容存在违规,或者侵犯商业秘密、侵犯著作权等,请点击“违规举报”。

碎片内容

室外给排水工程施工质量监理实施细则m

确认删除?
VIP
微信客服
  • 扫码咨询
会员Q群
  • 会员专属群点击这里加入QQ群
客服邮箱
回到顶部