电脑桌面
添加小米粒文库到电脑桌面
安装后可以在桌面快捷访问

巷道掘进爆破设计

巷道掘进爆破设计_第1页
1/6
巷道掘进爆破设计_第2页
2/6
巷道掘进爆破设计_第3页
3/6
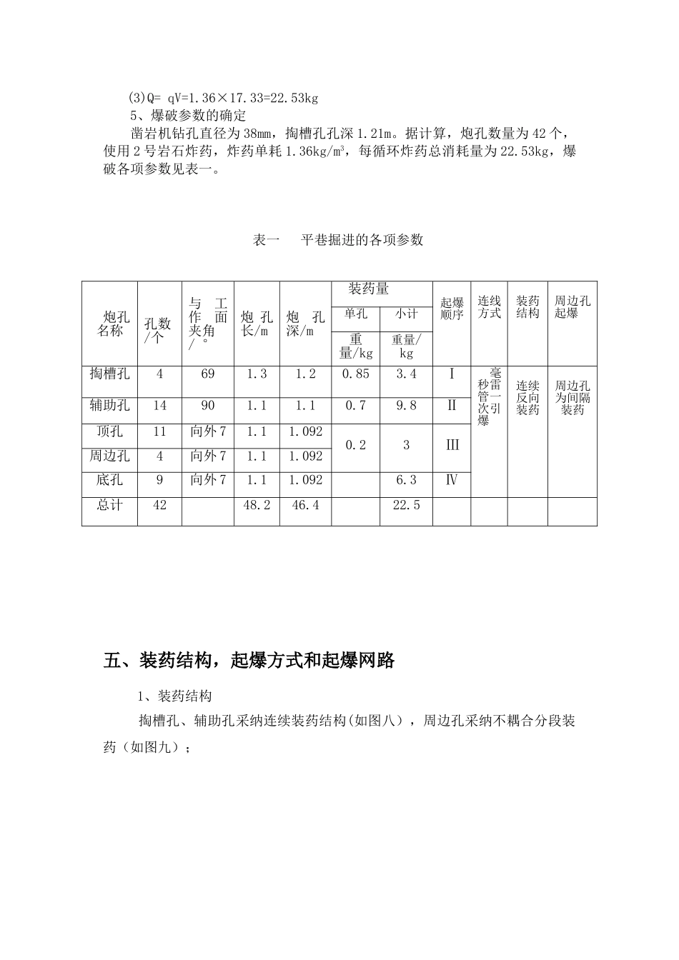
设计任务书题目二:巷道掘进爆破设计某地下工程的巷道开挖断面底宽 4.0m,直墙高为 2.0m,顶部半圆拱。岩性为弱风化花岗岩,岩石硬而脆,坚固性系数 f=10。 设计要求如下: 请给出开挖爆破设计:单位体积炸药消耗量;掏槽方式、孔深、孔距、排距、单孔药量;辅助孔的孔距、排距、孔深、单孔药量、填塞长度;周边孔的孔距、孔深、线装药密度、单孔药量、填塞长度;绘出炮孔布置图及掏槽孔布置图,标出各部位孔位间距,起爆顺序号与雷管段别;绘出掏槽孔、辅助孔和周边孔的装药结构图;绘出起爆网路图。 设计提示:一次成型,采纳倾斜掏槽,周边采纳光面爆破。 设计一、工程概况某地下工程为改善通风及联络方便开挖一条平巷。该工程的岩性为弱风化花岗岩,岩石硬而脆,坚固性系数 f=10,水纹地质条件良好,无地下水影响。爆破采纳一次成型,周边采纳光面爆破,尽量控制不要出现超挖欠挖情况。二、断面设计该巷道为永久性巷道,服务年限长。要求采纳半圆弧拱,加强其承压能力,提高安全性。三、断面尺寸根据设计要求: 平巷掘进宽度:B=4000mm 平巷掘进侧墙高度:h1=2000mm 拱高:h2=B/2=4000/2=2000mm 平巷掘进高度:H1=h1+h2=2000+2000=4000mm四、 爆破参数1、炮孔布置(1)掏槽形式及掏槽孔参数:因为掘进面积较大,为了取得较好的掏槽效果及较大的炮孔利用率,采纳锥形掏槽,掏槽孔 4 个,因为一次掘进长度较小,且为成本考虑,决定不布置空孔(炮孔布置图如图六,掏槽孔布置如图七)。(2)掏槽孔参数: 炮孔与工作面夹角=69° 炮孔长度=1.3m 相邻炮孔间距离: 孔口距离:850mm 孔底距离:200mm ( 3 ) 辅 助 孔 参 数 : 孔 间 距 取650mm(4)顶孔参数:孔间距取 580mm(5)底孔参数:孔间距取 500mm(6)周边孔参数:孔间距取 600mm2、掘进断面面积 由 巷 道 断 面 尺 寸 可 知 :S=B×h1+ 0.5πh22=4×2+0.5×3.14×22=14.28m2 3、炮孔深度:l=1.3sin69°=1.21m 4、总装药量的估算(1)炸药单耗:q=1.36kg/m3(2)V =lS=1.21×14.28=17.33m3(3)Q= qV=1.36×17.33=22.53kg5、爆破参数的确定凿岩机钻孔直径为 38mm,掏槽孔孔深 1.21m。据计算,炮孔数量为 42 个,使用 2 号岩石炸药,炸药单耗 1.36kg/m3,每循环炸药总消耗量为 22.53kg,爆破各项参数见表一。 表一 平巷掘进的各项参数五、装药结构,起爆方式和起爆网路 1、装药结构 掏槽孔、辅助孔采纳连续装药结构(如图八),周...

1、当您付费下载文档后,您只拥有了使用权限,并不意味着购买了版权,文档只能用于自身使用,不得用于其他商业用途(如 [转卖]进行直接盈利或[编辑后售卖]进行间接盈利)。
2、本站所有内容均由合作方或网友上传,本站不对文档的完整性、权威性及其观点立场正确性做任何保证或承诺!文档内容仅供研究参考,付费前请自行鉴别。
3、如文档内容存在违规,或者侵犯商业秘密、侵犯著作权等,请点击“违规举报”。

碎片内容

巷道掘进爆破设计

确认删除?
VIP
微信客服
  • 扫码咨询
会员Q群
  • 会员专属群点击这里加入QQ群
客服邮箱
回到顶部