电脑桌面
添加小米粒文库到电脑桌面
安装后可以在桌面快捷访问

数控编程及加工技术整套教案完整版电子讲义教案整本书

数控编程及加工技术整套教案完整版电子讲义教案整本书_第1页
1/172
数控编程及加工技术整套教案完整版电子讲义教案整本书_第2页
2/172
数控编程及加工技术整套教案完整版电子讲义教案整本书_第3页
3/172
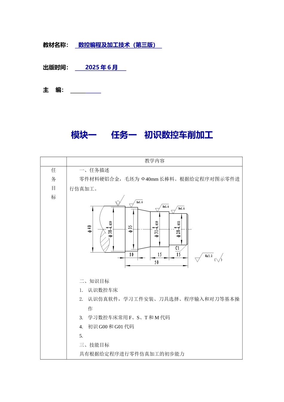
教材名称: 数控编程及加工技术(第三版) 出版时间: 2025 年 6 月 主 编: 模块一 任务一 初识数控车削加工教学内容任务目标一、任务描述零件材料硬铝合金,毛坯为 Ф40mm 长棒料。根据给定程序对图示零件进行仿真加工。二、知识目标1. 认识数控车床2. 认识仿真软件,学习工件安装、刀具选择、程序输入和对刀等基本操作3.学习数控车床常用 F、S、T 和 M 代码4.初识 G00 和 G01 代码5.三、技能目标具有根据给定程序进行零件仿真加工的初步能力四、素养目标1. 正确执行安全技术操作规程,树立安全意识2. 培育学生爱岗敬业精神相关知识一、数控机床概述1.数控机床定义2.数控机床分类3.数控机床应用4.数控机床进展趋势二、认识数控车床1.数控车床的分类按主轴的配置形式分为卧式数控车床和立式数控车床。卧式数控车床主要用于轴类零件和小型盘类零件的车削加工;立式数控车床用于回转直径较大的盘类零件的车削加工。2.卧式数控车床结构CKA6150卧式数控车床由主轴箱、刀架、进给系统、床身以及冷却、润滑系统等部分组成。3. 卧式数控车床加工范围CKA6150卧式数控车床主要用来加工轴类零件的内外圆柱面、圆锥面、螺纹表面、成形面,也可对盘类零件进行钻孔、扩孔、铰孔和镗孔等加工,还可以完成车端面、车槽、倒角及各种曲线回转体等加工。三、数控车床仿真加工1. 启动软件2. 选择机床与数控系统数控车床面板由数控系统面板和数控车床操作面板组成,右上角为数控系统面板,右下方为数控车床操作面板。3. 激活机床4. 回零5. 设置并安装工件6. 选择并安装刀具7. 输入程序8. 建立工件坐标系(试切法对刀)(1)试切削外圆 (2)测量试切削直径(3)设置 X 向补正(4)试切削端面(5)设置 Z 向补正9.自动加工四、编程基础1.程序结构程序类型有两种:主程序和子程序。不论是主程序还是子程序,都由程序号、程序内容和程序结束组成。程序号通常以“O”(或“%”)开始,“O”(或“%”)后面的数字是程序号,程序号的范围从 01 至 9999;FANUC 系统用字母 O 做程序号地址。 程序内容是整个程序的核心,由许多程序段组成,这些程序段控制数控机床要执行的运动。 程序结束一般采纳 M02 或 M30 指令。2.代码模态代码表示该代码功能一直保持直到被取消或被同组的另一个代码所代替。非模态代码只在该代码所在的程序段有效。3.进给功能(F 功能、F 代码)F 功能表示加工工件时刀具相对于工件的进给速度,F...

1、当您付费下载文档后,您只拥有了使用权限,并不意味着购买了版权,文档只能用于自身使用,不得用于其他商业用途(如 [转卖]进行直接盈利或[编辑后售卖]进行间接盈利)。
2、本站所有内容均由合作方或网友上传,本站不对文档的完整性、权威性及其观点立场正确性做任何保证或承诺!文档内容仅供研究参考,付费前请自行鉴别。
3、如文档内容存在违规,或者侵犯商业秘密、侵犯著作权等,请点击“违规举报”。

碎片内容

数控编程及加工技术整套教案完整版电子讲义教案整本书

您可能关注的文档

确认删除?
VIP
微信客服
  • 扫码咨询
会员Q群
  • 会员专属群点击这里加入QQ群
客服邮箱
回到顶部