电脑桌面
添加小米粒文库到电脑桌面
安装后可以在桌面快捷访问

最新钢结构工程竣工验收表格

最新钢结构工程竣工验收表格_第1页
1/36
最新钢结构工程竣工验收表格_第2页
2/36
最新钢结构工程竣工验收表格_第3页
3/36
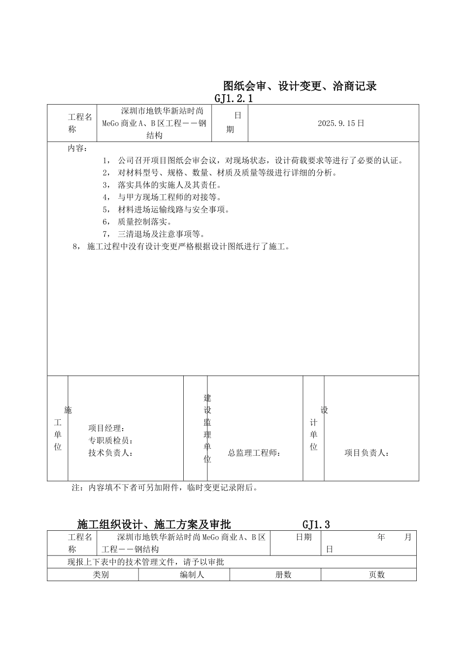
钢结构工程概况 GJ1.1日期:建设单位深圳市迈超商业运营有限责任公司工程名称深圳市地铁华新站时尚 MeGo 商业A、B 区工程――钢结构工程地址深圳市地铁华新站建筑面积430.64m2结构层次三类钢结构名称(钢结构加层平台工程量)A 区219.3m2B 区240.9m2总包单位深圳市迈超商业运营有限责任公司项目经理联系电话监理单位总监理工程师联系电话建筑设计单位项目负责人联系电话钢结构设计单位长宇(珠海)国际建筑设计有限公司设计资质甲级证书号码A144019055钢结构设计人员范正执业资格等级一级证号4401905-s004联系电话钢结构施工单位资质等级证书号码分包项目经理资格等级证号联系电话开工日期2025 年 9 月 10 日竣工日期2025 年 11 月 15附注:复核人: 填表人: 图纸会审、设计变更、洽商记录 GJ1.2.1工程名称深圳市地铁华新站时尚MeGo 商业 A、B 区工程――钢结构日期2025.9.15 日内容:1, 公司召开项目图纸会审会议,对现场状态,设计荷载要求等进行了必要的认证。2, 对材料型号、规格、数量、材质及质量等级进行详细的分析。3, 落实具体的实施人及其责任。4, 与甲方现场工程师的对接等。5, 材料进场运输线路与安全事项。6, 质量控制落实。7, 三清退场及注意事项等。8, 施工过程中没有设计变更严格根据设计图纸进行了施工。施工单位项目经理:专职质检员:技术负责人:建设监理单位总监理工程师:设计单位项目负责人:注:内容填不下者可另加附件,临时变更记录附后。 施工组织设计、施工方案及审批 GJ1.3工程名称深圳市地铁华新站时尚 MeGo 商业 A、B 区工程――钢结构日期 年 月 日现报上下表中的技术管理文件,请予以审批类别编制人册数页数施工组织设计施工方案内容附后 申报简述:申报部门(分包单位) 申报人:审核意见:有 无 附页总承包单位名称: 审核人: 审核日期: 年 月 日审批意见:审批结论: 同意 修改后报 重新编制审批部门(单位): 审核人: 审核日期: 年 月 日 注:附施工组织设计、施工方案。 技 术 交 底 记 录 GJ1.4工程名称深圳市地铁华新站时尚MeGo 商业 A、B 区工程――钢结构日期2025.9.15 日交底提要: 1,设计图纸 2,施工组织措施及钢结构安装方案 3,钢结构施工及质量验收法律规范《GB50205-2001》 建筑钢结构焊接技术规程《JGJ81-2025/J218-2025》 钢结构高强度螺栓连接的设计、施工及验收规程 JGJ82-1991 施工现场临时用...

1、当您付费下载文档后,您只拥有了使用权限,并不意味着购买了版权,文档只能用于自身使用,不得用于其他商业用途(如 [转卖]进行直接盈利或[编辑后售卖]进行间接盈利)。
2、本站所有内容均由合作方或网友上传,本站不对文档的完整性、权威性及其观点立场正确性做任何保证或承诺!文档内容仅供研究参考,付费前请自行鉴别。
3、如文档内容存在违规,或者侵犯商业秘密、侵犯著作权等,请点击“违规举报”。

碎片内容

最新钢结构工程竣工验收表格

元素商铺+ 关注
实名认证
内容提供者

欢迎挑选合适的文档

确认删除?
VIP
微信客服
  • 扫码咨询
会员Q群
  • 会员专属群点击这里加入QQ群
客服邮箱
回到顶部