电脑桌面
添加小米粒文库到电脑桌面
安装后可以在桌面快捷访问

某工程给排水监理细则

某工程给排水监理细则_第1页
1/5
某工程给排水监理细则_第2页
2/5
某工程给排水监理细则_第3页
3/5
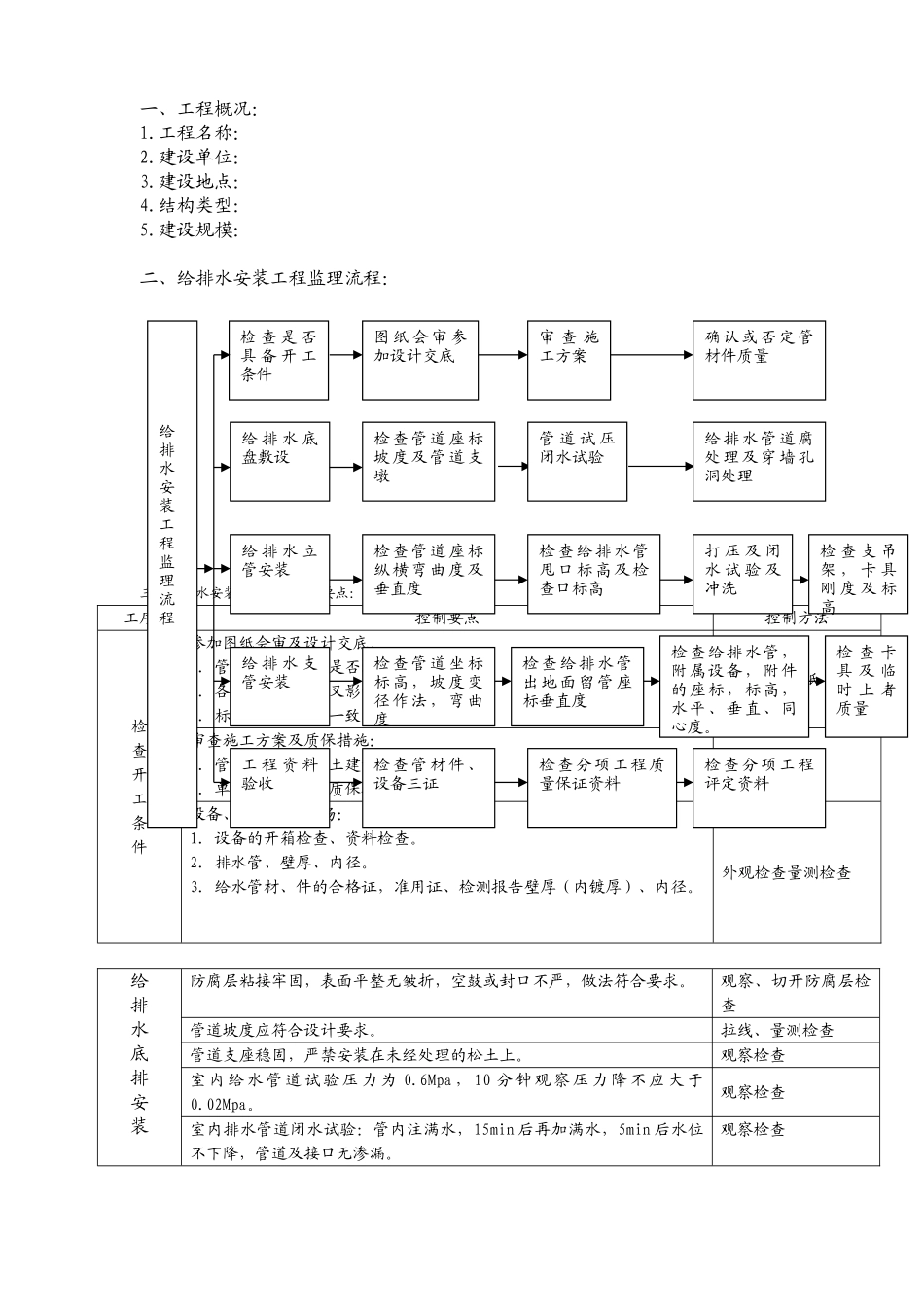
工程给排水监理细则编制人:审批人: 2025 年 8 月 1 日一、工程概况:1.工程名称:2.建设单位:3.建设地点:4.结构类型:5.建设规模: 二、给排水安装工程监理流程:三、给排水安装工程监理检查要点: 工序控制要点控制方法检查开工条件参加图纸会审及设计交底。1.管道与土建结构是否配套。2.各种管线互相交叉影响。3.标高、座标是否一致。审查施工图纸审查施工方案及质保措施:1.管线预留孔洞与土建协调。2.单项施工方案及质保措施。检查资料设备、管材、件进场:1.设备的开箱检查、资料检查。2.排水管、壁厚、内径。3.给水管材、件的合格证,准用证、检测报告壁厚(内镀厚)、内径。外观检查量测检查给排水底排安装防腐层粘接牢固,表面平整无皱折,空鼓或封口不严,做法符合要求。观察、切开防腐层检查管道坡度应符合设计要求。拉线、量测检查管道支座稳固,严禁安装在未经处理的松土上。观察检查室 内 给 水 管 道 试 验 压 力 为 0.6Mpa , 10 分 钟 观 察 压 力 降 不 应 大 于0.02Mpa。观察检查室内排水管道闭水试验:管内注满水,15min 后再加满水,5min 后水位不下降,管道及接口无渗漏。观察检查检 查 是 否具 备 开 工条件给排水安装工程监理流程图 纸 会 审 参加设计交底审 查 施工方案确 认 或否定管材件质量给 排 水 底盘敷设检 查 管道座标坡 度 及管道支墩给 排 水 立管安装给 排 水 支管安装工 程 资 料验收检 查 管道座标纵 横 弯曲度及垂直度检 查 管道坐标标 高 ,坡度变径 作 法,弯曲度检 查 管材件、设备三证管 道 试 压闭水试验检 查 给排水管甩 口 标高及检查口标高打 压 及 闭水 试 验 及冲洗检 查 支 吊架 , 卡 具刚 度 及 标高检 查 给排水管出 地 面留管座标垂直度检查给排水管,附属设备,附件的座标,标高,水平、垂直、同心度。检 查 卡具 及 临时 上 者质量检查分项工程质量保证资料检 查 分项工程评定资料给 排 水管道腐处 理 及穿墙孔洞处理给水管道穿基础孔洞,管道上皮应预留不小于 100mm 的沉降量。基础梁内预留套管应为管道直径大两个规格。量测检查给排水立管安装检查管道座标及立管垂直度、给水管:允许偏差 3mm/m,全长(5m 以上)不大于 8mm。吊线和尺量检查检查排水管甩口标高检查口标高和数量。尺量检查及外观检查给水立管试压同 2外观检查排水立闭水,通球试...

1、当您付费下载文档后,您只拥有了使用权限,并不意味着购买了版权,文档只能用于自身使用,不得用于其他商业用途(如 [转卖]进行直接盈利或[编辑后售卖]进行间接盈利)。
2、本站所有内容均由合作方或网友上传,本站不对文档的完整性、权威性及其观点立场正确性做任何保证或承诺!文档内容仅供研究参考,付费前请自行鉴别。
3、如文档内容存在违规,或者侵犯商业秘密、侵犯著作权等,请点击“违规举报”。

碎片内容

某工程给排水监理细则

确认删除?
VIP
微信客服
  • 扫码咨询
会员Q群
  • 会员专属群点击这里加入QQ群
客服邮箱
回到顶部