电脑桌面
添加小米粒文库到电脑桌面
安装后可以在桌面快捷访问

某道路路基工程施工监理实施细则VIP专享

某道路路基工程施工监理实施细则_第1页
1/8
某道路路基工程施工监理实施细则_第2页
2/8
某道路路基工程施工监理实施细则_第3页
3/8
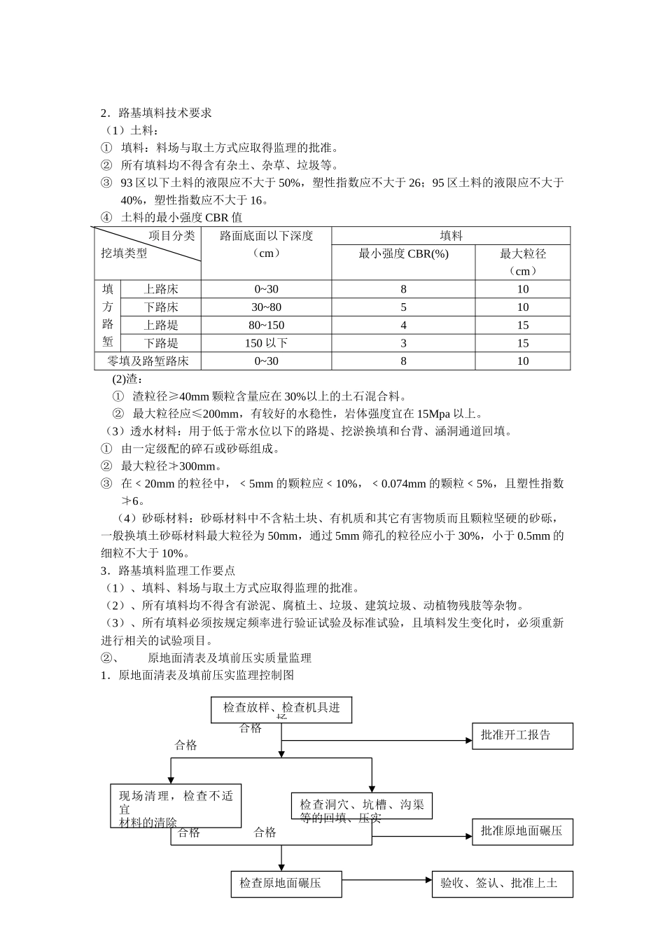
南江滨道路路基工程施工监理实施细则一、工程概况:南江滨道路工程全长 2.838m,起于解放大桥,途经闽江大桥、鳌峰州大桥,终于港头河胜利水闸,全段路基主要工程量包括路基挖、填方,软基处理,挡土墙砌筑等施工项目,其中路基填方为 277901 m3,挖方 4970 m3,交叉口及构造物回填 25106 m3,挖方 4907 m3,沿线软基处理 11514 m3,换填杂填土及淤泥,另在 0+370~0+575 段施打深层搅拌桩处理软基,搅拌桩总长 33132m,直径 Ф50cm,单根桩长为 12m,全线挡土墙除扶臂式挡土墙(已单独编写监理实施细则)外,按墙身砌筑高度设置五种形式,砌石总量为 5486.62m3二、填方路基工程监理工作流程图三、路基工程监理要点1. 仔细阅读设计文件,了解全路线纵坡、弯道路段及沿线地质情况,明确挖填土方调配情况,熟悉沿线地形、地貌。2. 复核承包人的放样资料及复测中线桩位和高程,复核承包人需增补的水准点和控制点 。通过放样检查,明确放样边线与用地界限,若有误差应查明原因,尽可能在工程开工前解决。3. 会同承包人对填充料及土样做土工(对比)试验,确定土料性质,若不符合法律规范审查承包人质量保证系组织情况审查承包人施工工艺流程检查机具、人员、试验设备是否进场,能否达到开工条件开工准备工作召开施工场地会议交换施工、监理人员名单、分工岗位开展工作承包人汇报开工准备情况复核土样试验最大干密度最佳含水量检查土源情况机具组合最佳施工长度松铺厚度复核检查中、边桩检查路线范围内场地清理和压实检查松铺厚度、土料质量,清除土料中的有害物质按规定频率检查压实度,每月定期检查(如 1~2 次)符合开工条件批准承包人分项工程开工报告试验路合格批准承包人正式开工,并将试验路段作为工程一部分逐层逐段检验合格后签认,并进入下道工序要求,应在开工前更换土场。若土料能用于本工程,应进一步做最大干密度试验(重型击实)和最佳含水量试验。并由监理工程师批准用以控制路基压实度。4. 检查承包人开工前工程准备情况,包括承包人员到场情况,质量保障体系的建立,机械、材料、试难设备进场和调试等条件应满足开工条件并取得监理工程师认可,方能批准开工。5. 承包人为了取得施工经验,在被批准开工后,首先做试验段。确定机械组合及最佳碾压遍数,取得各项施工参数及经验后用于指导施工。监理工程师可以将其合格的试验路段作为一部分工程验收,并进入计量支付。6. 现场监理应对试验段全过程进行旁...

1、当您付费下载文档后,您只拥有了使用权限,并不意味着购买了版权,文档只能用于自身使用,不得用于其他商业用途(如 [转卖]进行直接盈利或[编辑后售卖]进行间接盈利)。
2、本站所有内容均由合作方或网友上传,本站不对文档的完整性、权威性及其观点立场正确性做任何保证或承诺!文档内容仅供研究参考,付费前请自行鉴别。
3、如文档内容存在违规,或者侵犯商业秘密、侵犯著作权等,请点击“违规举报”。

碎片内容

某道路路基工程施工监理实施细则

确认删除?
VIP
微信客服
  • 扫码咨询
会员Q群
  • 会员专属群点击这里加入QQ群
客服邮箱
回到顶部