电脑桌面
添加小米粒文库到电脑桌面
安装后可以在桌面快捷访问

楼梯模板施工交底

楼梯模板施工交底_第1页
1/5
楼梯模板施工交底_第2页
2/5
楼梯模板施工交底_第3页
3/5
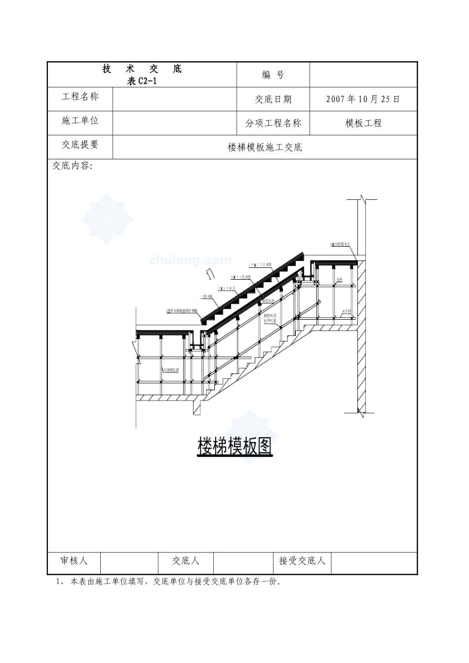
技 术 交 底表 C2-1编 号工程名称交底日期2007 年 10 月 25 日施工单位分项工程名称模板工程交底提要楼梯模板施工交底交底内容:一、施工准备 1.机具准备:电锯、平刨、压刨、台钻、电钻、锤子、斧子、锯、靠尺、盒尺、线坠、小线、塞尺、墨斗、扳手等。2 . 材 料 准 备 : 50×100 , 100×100 木 方 , 1200×2400×15mm 厚 的 多 层 胶 合板,50mm,70mm,100mm 的圆钉,φ14 的止水螺栓,φ14 的普通对拉螺栓,脱模剂,海绵条、密封条、架子管等。 3.垂直运输用塔吊4.作业条件:施工缝处、休息平台甩筋处砼凿毛,材料、机具及人员已准备就绪。二、施工方法:1、工艺流程:抄平弹线——立钢支撑——安装主龙骨——安装阴角托梁—— 安装次龙骨——校正标高——铺多层板2、模板设计:楼梯踏步的板底模板采纳多层板模板,次龙骨采纳 50×10mm 方木,主龙骨采纳100×100mm 方木;踏步板底支撑采纳 ф48×3.5㎜脚手钢管,支撑顶部配可调顶托;楼梯踏步模板采纳现场加工定型的木模板3、休息平台接槎部位砼墙体上弹一条水平线(用墨斗弹线→用云石机切割→剔掉浮浆漏出石子),然后将杂物清理洁净,用空压机将灰尘等吹净,然后用 100×100mm 的木方子架设模板托架(托架的上表面加多层板表面标高相同),最后在托架梁上口墙体接槎部位粘贴海绵条,支好模架支撑在立杆顶端 U 托内安装 100*100 mm 方木主龙骨安放 50*100mm 间距不超过 300 方木次龙骨,次龙骨上钉 12mm 厚多层板。4、踏步侧板两端钉在梯段侧板木档上,靠墙的一端钉在反三角木上,踏步板龙骨采纳 50mm 厚木方子。制作时在梯段侧板内画出踏步形状与尺寸,并在踏步高度线一侧留出踏步侧板厚度钉上木档。5、支设楼梯模板时注意第一个踏步与最后一个踏步预留足建筑地面做法厚度。在休息平台处两人个踏步错开立面建筑面层做法厚度,6、楼梯施工缝留在梯段向上 3 步踏步或平台板内距踏步 600mm 处。审核人交底人接受交底人1、 本表由施工单位填写,交底单位与接受交底单位各存一份。2、 当作分项工程施工技术交底时,应填写“分项工程名称”栏,其他技术交底可不填写。技 术 交 底表 C2-1编 号工程名称交底日期2007 年 10 月 25 日施工单位分项工程名称模板工程交底提要楼梯模板施工交底交底内容: 审核人交底人接受交底人1、 本表由施工单位填写,交底单位与接受交底单位各存一份。2、 当作分项工程施工技术交底...

1、当您付费下载文档后,您只拥有了使用权限,并不意味着购买了版权,文档只能用于自身使用,不得用于其他商业用途(如 [转卖]进行直接盈利或[编辑后售卖]进行间接盈利)。
2、本站所有内容均由合作方或网友上传,本站不对文档的完整性、权威性及其观点立场正确性做任何保证或承诺!文档内容仅供研究参考,付费前请自行鉴别。
3、如文档内容存在违规,或者侵犯商业秘密、侵犯著作权等,请点击“违规举报”。

碎片内容

楼梯模板施工交底

您可能关注的文档

确认删除?
VIP
微信客服
  • 扫码咨询
会员Q群
  • 会员专属群点击这里加入QQ群
客服邮箱
回到顶部