电脑桌面
添加小米粒文库到电脑桌面
安装后可以在桌面快捷访问

水库除险加固工程监理月报1

水库除险加固工程监理月报1_第1页
1/9
水库除险加固工程监理月报1_第2页
2/9
水库除险加固工程监理月报1_第3页
3/9
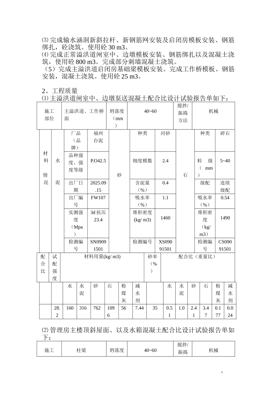
监理月报(2025 年 1 月)(监理[三溪]月报 004 号)合同名称:长乐市三溪水库除险加固工程 合同编号:致:长乐市三溪水库除险加固工程建设管理处现呈报我方编写的 2025 年 1 月份监理月报,请贵方批阅。随本监理月报一同上报以下附表:1、完成工程量月统计表。监 理 机 构: 福建省龙岩兴利工程建设有限公司 总监理工程师: 日 期: 年 月 日今已收到 所报 年 月的监理月报及附件共份。发 包 人: 签 收 人:日 期: 年 月 日说明:监理月报一式 3 份,由监理机构填写,每月 5 日前报发包人。发包人签收后,监理机构 1 份、发包人 2 份监 理 月 报(监理[2025]月报 004 号)2025 年 第 004 期 2025 年 1 2 月 25 日至 2025 年 1 月 25 日工 程 名 称: 长乐市三溪水库除险加固工程 发 包 人: 长乐市三溪水库除险加固工程建设管理处 监 理 机 构: 福建省龙岩兴利工程建设监理有限公司总/监理工程师: 日 期:2025 年 1 月 25 日 一、 监理工作开展情况:1、主持 1 月份二次监理例会。2、督促工程施工进度,严抓工程安全、质量。3、审查相关质量证明资料及检测报告,对材料、试块进行见证取样检测。 4、平行送检工程原材料至福建省水利水电科学院检测中心检测、试验配合比。5、向施工单位发出关于工程进度、质量及安全措施等 2 份监理通知。6、检查现场安全防护措施的落实工作,对严重违章冒险作业行为下发监理通知书,要求进行整改。 7、审核混凝土浇注开仓报审表和工程进度款。二、工程进度、投资、质量情况1、工程进度:12 月 25 日~1 月 25 日主要完成以下工程量:⑴ 完成管理房主楼斜屋面模板安装、钢筋绑扎以及混凝土浇筑;完成屋面水箱模板、钢筋安装绑扎,混凝土浇筑;共使用砼 80 m3。⑵ 主坝完成 0+108~0+218 盖帽梁模板安装、钢筋绑扎、安装,止水铜片安装以及砼浇筑,使用砼 200 m3。 ⑶ 完成输水涵洞新斜拉杆、新钢筋网安装及启闭房模板安装、钢筋绑扎,砼浇筑。使用砼 30 m3。⑷ 完成正常溢洪道闸室中、边墩模板安装、钢筋绑扎以及混凝土浇筑,使用砼 800 m3。完成部分刺墙混凝土浇筑。(5)完成主溢洪道启闭房基础梁模板安装。完成工作桥模板、钢筋安装,混凝土浇筑。使用砼 25 m3。2、工程质量⑴ 主溢洪道闸室中、边墩泵送混凝土配合比设计试验报告单如下:施工部位主溢洪道、工作桥面坍落度(mm)40~60...

1、当您付费下载文档后,您只拥有了使用权限,并不意味着购买了版权,文档只能用于自身使用,不得用于其他商业用途(如 [转卖]进行直接盈利或[编辑后售卖]进行间接盈利)。
2、本站所有内容均由合作方或网友上传,本站不对文档的完整性、权威性及其观点立场正确性做任何保证或承诺!文档内容仅供研究参考,付费前请自行鉴别。
3、如文档内容存在违规,或者侵犯商业秘密、侵犯著作权等,请点击“违规举报”。

碎片内容

水库除险加固工程监理月报1

一帆文传+ 关注
实名认证
内容提供者

欢迎光临店铺,各类公文供您挑选。

确认删除?
VIP
微信客服
  • 扫码咨询
会员Q群
  • 会员专属群点击这里加入QQ群
客服邮箱
回到顶部