电脑桌面
添加小米粒文库到电脑桌面
安装后可以在桌面快捷访问

消防设施检测报告

消防设施检测报告_第1页
1/29
消防设施检测报告_第2页
2/29
消防设施检测报告_第3页
3/29
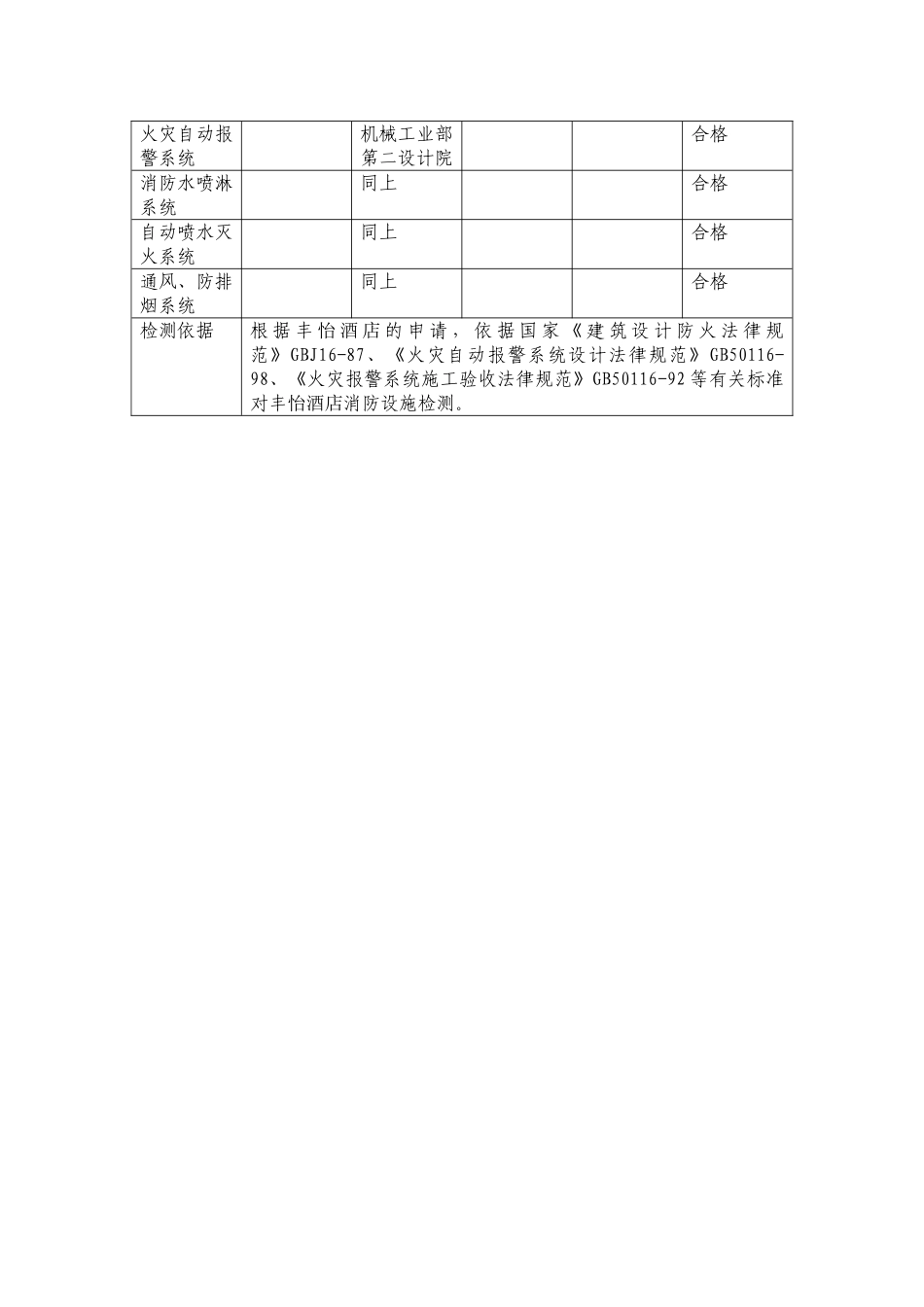
自动消防设施检测报告受检单位:丰怡酒店检测项目:自动消防系统检测类别:定期检测厦门消防技术工程有限公司消防设施质量检测报告编号: 第 1 页建设单位厦门市丰怡酒店有限公司检测内容自动消防设施功能和安装质量建筑物名称京华大酒店附属综合大楼检测日期建筑层数地上18 层建筑高度地上米地下1地下1建筑分类/底层面积/建筑面积1189 平方系统名称设计单位施工单位检测结论火灾自动报警系统机械工业部第二设计院合格消防水喷淋系统同上合格自动喷水灭火系统同上合格通风、防排烟系统同上合格检测依据根 据 丰 怡 酒 店 的 申 请 , 依 据 国 家 《 建 筑 设 计 防 火 法 律 规范》GBJ16-87、《火灾自动报警系统设计法律规范》GB50116-98、《火灾报警系统施工验收法律规范》GB50116-92 等有关标准对丰怡酒店消防设施检测。消防设施质量检测报告消防设施质量检测报告消防设施质量检测报告消防设施质量检测报告消防设施质量检测报告消防设施质量检测报告消防设施质量检测报告消防设施质量检测报告消防设施质量检测报告消防设施质量检测报告消防设施质量检测报告消防设施质量检测报告消防设施质量检测报告消防设施质量检测报告消防设施质量检测报告消防设施质量检测报告消防设施质量检测报告消防设施质量检测报告消防设施质量检测报告消防设施质量检测报告消防设施质量检测报告消防设施质量检测报告消防设施质量检测报告消防设施质量检测报告

1、当您付费下载文档后,您只拥有了使用权限,并不意味着购买了版权,文档只能用于自身使用,不得用于其他商业用途(如 [转卖]进行直接盈利或[编辑后售卖]进行间接盈利)。
2、本站所有内容均由合作方或网友上传,本站不对文档的完整性、权威性及其观点立场正确性做任何保证或承诺!文档内容仅供研究参考,付费前请自行鉴别。
3、如文档内容存在违规,或者侵犯商业秘密、侵犯著作权等,请点击“违规举报”。

碎片内容

消防设施检测报告

确认删除?
VIP
微信客服
  • 扫码咨询
会员Q群
  • 会员专属群点击这里加入QQ群
客服邮箱
回到顶部