电脑桌面
添加小米粒文库到电脑桌面
安装后可以在桌面快捷访问

竣工监理报告_地块商业办公楼地下室部分

竣工监理报告_地块商业办公楼地下室部分_第1页
1/8
竣工监理报告_地块商业办公楼地下室部分_第2页
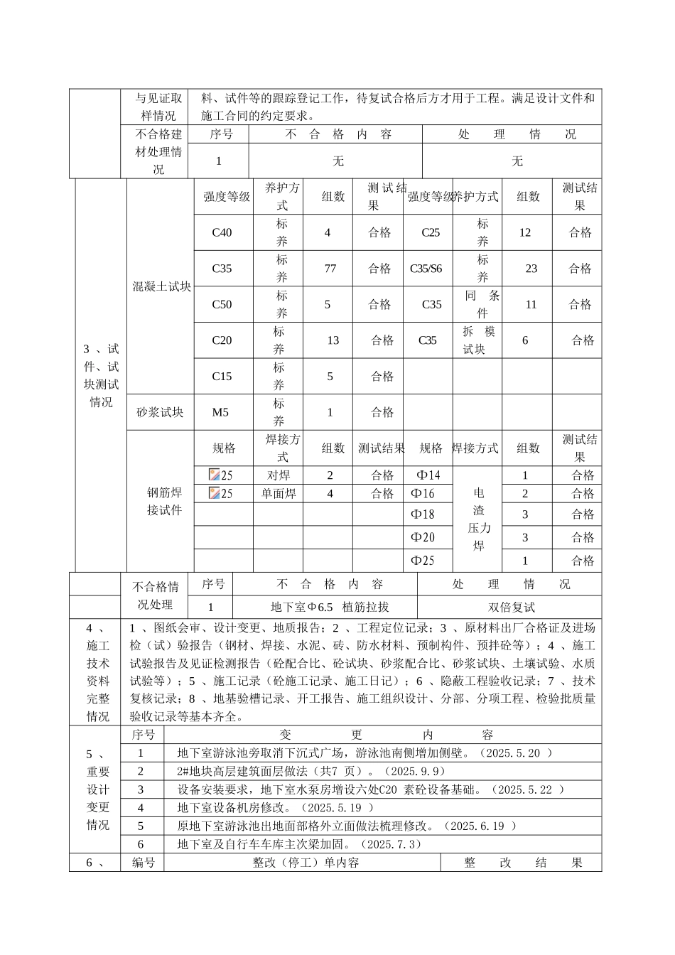
2/8
竣工监理报告_地块商业办公楼地下室部分_第3页
3/8
山 水 人 家 ·2# 地 块 商 务 办 公 楼 工 程( 大 滩 壹 号 ) 地 下 室 竣 工 验 收监 理 报 告监 理 单 位 : 绍 兴 市 城 建 监 理 有 限 公 司 ( 盖章 )总 监 : ( 签字 )监 理 工 程 师 : ( 签 字 )二 00 九 年 十 月 十 五 日一 、 工 程 概 况工程名称山水人家·2#地块商务办公楼(大滩壹号)建设地镜湖新区·大滩2# 地块点建设单位坤和建设( 绍兴) 有限公司工程类型一类高层建筑(民用)监理单位绍兴市城建监理有限公司建筑面积地下室面积7207.89 ㎡设计单位中建国际(深圳)设计顾问有限公司建筑层次地下框剪一层﹑地上框剪十八层施工单位浙江天工建设集团有限公司结构类型框架剪力墙结构勘察单位浙江有色建设工程有限公司基础类型桩基筏形基础分包单位浙江华伟岩土工程有限公司(桩基)南昌长江建筑装饰工程公司(幕墙)开工时间2007年4 月20日质监单位绍兴市建筑工程质量监督总站镜湖分站竣工时间------项目经理土建孙子坚安装赵少华质量目标合 格二 、 监 理 组 织 和 实 施 概 况监理组织机构体系:结合工程特点、规模、难易程度等采纳直线制监理形式,总监茹莲娟,土建监理工程师俞春法,土建监理员裘冬升等;安装监理工程师鲁志刚。实施概况:实际监理过程中根据监理规划、细则等的内容和要求,对工程质量、进度和造价实施跟踪的动态控制,分清主次,抓住重点,严格按监理委托合同的要求,完成约定的监理工作。三 、 施 工 过 程 质 量 控 制 情 况1 、施工现场质量管理情况项 目 内 容检 查 结 果项 目 内 容检查结果项目经理到位情况到位较好施工图审查已审查施工现场管理制度符合要求, 落实到位施工组织设计、施工方案及审查符合要求主要专业工种操作上岗证符合要求技术人员资格证符合要求施工机械合格证书基本完整现场材料、设备存放与管理符合要求质量责任制符合要求, 落实到位工程质量检验制度符合要求2 、施工建材质量控制建筑材料合格证、质保单是否齐全工程中使用的主要原材料:水泥、钢材、砖、砂、商品砼、防水材料、构配件及水电安装等材料质保资料齐全。其中:钢筋应用登记证8 份,质保单23份,复试报告单29份;水泥应用登记证2 份,质保单2 份,复试报告单 2 份;砼多孔砖应用登记证1 份,合格证1 份,复试报告单 6 份;防水材料应用登记证1 份,质保单1 份,复试报告单1 ...

1、当您付费下载文档后,您只拥有了使用权限,并不意味着购买了版权,文档只能用于自身使用,不得用于其他商业用途(如 [转卖]进行直接盈利或[编辑后售卖]进行间接盈利)。
2、本站所有内容均由合作方或网友上传,本站不对文档的完整性、权威性及其观点立场正确性做任何保证或承诺!文档内容仅供研究参考,付费前请自行鉴别。
3、如文档内容存在违规,或者侵犯商业秘密、侵犯著作权等,请点击“违规举报”。

碎片内容

竣工监理报告_地块商业办公楼地下室部分

确认删除?
VIP
微信客服
  • 扫码咨询
会员Q群
  • 会员专属群点击这里加入QQ群
客服邮箱
回到顶部