电脑桌面
添加小米粒文库到电脑桌面
安装后可以在桌面快捷访问

质量检验评定表

质量检验评定表_第1页
1/17
质量检验评定表_第2页
2/17
质量检验评定表_第3页
3/17
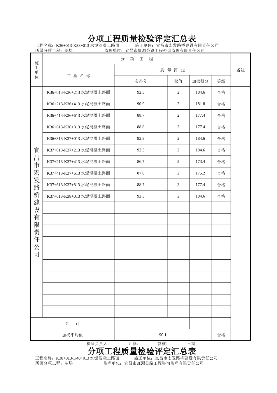
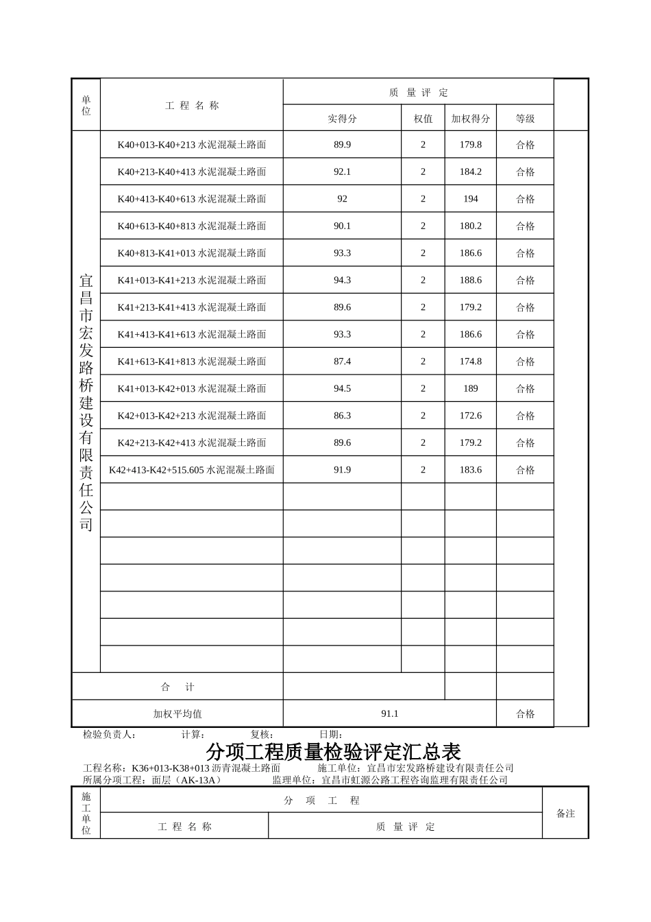
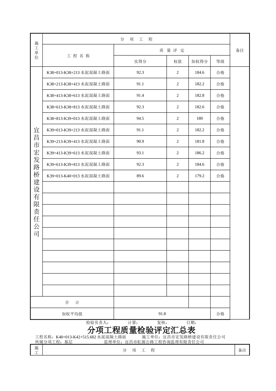
分项工程质量检验评定汇总表 工程名称:K36+013-K38+013 水泥混凝土路面 施工单位:宜昌市宏发路桥建设有限责任公司 所属分项工程:基层 监理单位:宜昌市虹源公路工程咨询监理有限责任公司施工单位分 项 工 程备注工 程 名 称质 量 评 定实得分权值加权得分等级宜昌市宏发路桥建设有限责任公司K36+013-K36+213 水泥混凝土路面92.32184.6合格K36+213-K36+413 水泥混凝土路面90.92181.8合格K36+413-K36+613 水泥混凝土路面88.72177.4合格K36+613-K36+813 水泥混凝土路面88.82177.4合格K36+813-K37+013 水泥混凝土路面92.32184.6合格K37+013-K37+213 水泥混凝土路面92.32184.6合格K37+213-K37+413 水泥混凝土路面86.72173.4合格K37+413-K37+613 水泥混凝土路面87.62175.2合格K37+613-K37+813 水泥混凝土路面88.72177.4合格K37+013-K38+013 水泥混凝土路面92.32184.6合格合 计加权平均值90.1合格 检验负责人: 计算: 复核: 日期:分项工程质量检验评定汇总表 工程名称:K38+013-K40+013 水泥混凝土路面 施工单位:宜昌市宏发路桥建设有限责任公司 所属分项工程:基层 监理单位:宜昌市虹源公路工程咨询监理有限责任公司施工单位分 项 工 程备注工 程 名 称质 量 评 定实得分权值加权得分等级宜昌市宏发路桥建设有限责任公司K38+013-K38+213 水泥混凝土路面92.32184.6合格K38+213-K38+413 水泥混凝土路面91.12182.2合格K38+413-K38+613 水泥混凝土路面91.42182.8合格K38+613-K38+813 水泥混凝土路面92.32182.6合格K38+813-K39+013 水泥混凝土路面94.52189合格K39+013-K39+213 水泥混凝土路面91.12182.2合格K39+213-K39+413 水泥混凝土路面90.92181.8合格K39+413-K39+613 水泥混凝土路面93.12186.2合格K39+613-K39+813 水泥混凝土路面92.32184.6合格K39+013-K40+013 水泥混凝土路面89.62179.2合格合 计加权平均值91.8合格 检验负责人: 计算: 复核: 日期:分项工程质量检验评定汇总表 工程名称:K40+013-K42+515.602 水泥混凝土路面 施工单位:宜昌市宏发路桥建设有限责任公司 所属分项工程:基层 监理单位:宜昌市虹源公路工程咨询监理有限责任公司施工分 项 工 程备注单位工 程 名 称质 量 评 定实得分权值加权得分等级宜昌市宏发路桥建设有限责任公司K40+013-K40+213 水泥混凝土路面89.92179.8合格K40+213-K40+413 水泥混凝土路面92.12184.2合格K40+413-K40+613 水...

1、当您付费下载文档后,您只拥有了使用权限,并不意味着购买了版权,文档只能用于自身使用,不得用于其他商业用途(如 [转卖]进行直接盈利或[编辑后售卖]进行间接盈利)。
2、本站所有内容均由合作方或网友上传,本站不对文档的完整性、权威性及其观点立场正确性做任何保证或承诺!文档内容仅供研究参考,付费前请自行鉴别。
3、如文档内容存在违规,或者侵犯商业秘密、侵犯著作权等,请点击“违规举报”。

碎片内容

质量检验评定表

您可能关注的文档

确认删除?
VIP
微信客服
  • 扫码咨询
会员Q群
  • 会员专属群点击这里加入QQ群
客服邮箱
回到顶部