电脑桌面
添加小米粒文库到电脑桌面
安装后可以在桌面快捷访问

005--上海某车站扭剪型高强螺栓施工方案

005--上海某车站扭剪型高强螺栓施工方案_第1页
1/11
005--上海某车站扭剪型高强螺栓施工方案_第2页
2/11
005--上海某车站扭剪型高强螺栓施工方案_第3页
3/11
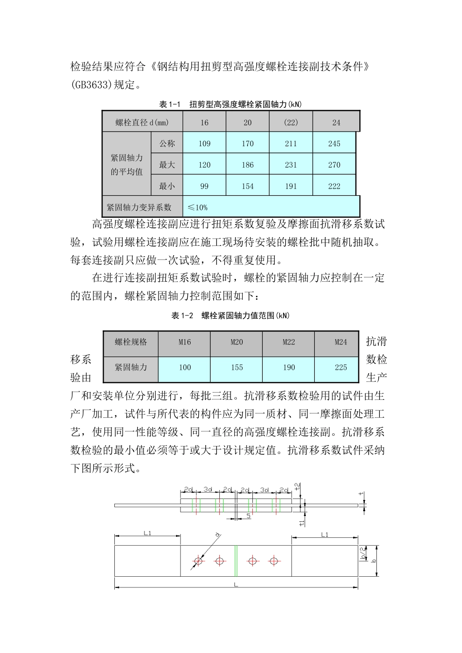
上海某车站高强螺栓施工方案 1 高强螺栓材料保管及检测.................22 高强螺栓安装...........................4(1) 高强螺栓安装流程...................4(2) 高强螺栓安装工艺及方法.............6(3) 高强螺栓安装.......................83 高强螺栓安装注意事项...................9(1) 初拧:............................10(2) 终拧:............................10(3) 临时螺栓安装注意事项..............10(4) 高强螺栓安装注意事项..............11(5) 高强螺栓检测......................11(6) 高强螺栓安装施工检查.............11(7) 高强螺栓施工质量保证措施..........12本工程高强螺栓连接副是采纳扭剪型,螺栓性能等级为10.9S,应分别符合《钢结构用扭剪型高强度螺栓连接副形式尺寸》(GB3632)和《钢结构用扭剪型高强螺栓连接副技术条件》(GB3633)的规定。1 高强螺栓材料保管及检测1 高强螺栓的保管及要求1) 高强度螺栓连接副应由制造厂按批配套供应,每个包装箱内都必须配套装有螺栓、螺母及垫圈,包装箱应能满足储运的要求,并具备防水、密封的功能。包装箱内应带有产品合格证和质量保证书;包装箱外表面应注明批号、规格及数量。2) 在运输、保管及使用过程中应轻装轻卸,防止损伤螺纹,发现螺纹损伤严重或雨淋过的螺栓不应使用。3) 螺栓连接副应成箱在室内仓库保管,地面应有防潮措施,并按批号、规格分类堆放,保管使用中不得混批。高强度螺栓连接副包装箱码放底层应架空,距地面高度大于 300mm,码高不超过三层。4) 使用前尽可能不要开箱,以免破坏包装的密封性。开箱取出部分螺栓后也应原封包装好,以免沾染灰尘和锈蚀。5) 高强度螺栓连接副在安装使用时,施工场地应按当天计划使用的规格和数量领取,当天安装剩余的也应妥善保管。6) 在安装过程中,应注意保护螺栓,不得沾染泥沙等脏物和碰伤螺纹。使用过程中如发现异常情况,应立即停止施工,经检查确认无误后再行施工。7) 高强度螺栓连接副的保管时间不应超过 6 个月。保管周期超过 6 个月时,若再次使用须按要求进行扭矩系数试验或紧固轴力试验,检验合格后方可使用2 高强螺栓性能检验及高强螺栓连接副其螺栓锲负载、螺栓保证荷载、螺母及垫圈硬度试验。连接副紧固轴力的平均值和变异系数均要在工厂进行检验。其检验结果应符合《钢结构用扭剪型高强度螺栓连接副技术条件》(GB3633)规定。表 1-1 扭剪型高强度...

1、当您付费下载文档后,您只拥有了使用权限,并不意味着购买了版权,文档只能用于自身使用,不得用于其他商业用途(如 [转卖]进行直接盈利或[编辑后售卖]进行间接盈利)。
2、本站所有内容均由合作方或网友上传,本站不对文档的完整性、权威性及其观点立场正确性做任何保证或承诺!文档内容仅供研究参考,付费前请自行鉴别。
3、如文档内容存在违规,或者侵犯商业秘密、侵犯著作权等,请点击“违规举报”。

碎片内容

005--上海某车站扭剪型高强螺栓施工方案

您可能关注的文档

确认删除?
VIP
微信客服
  • 扫码咨询
会员Q群
  • 会员专属群点击这里加入QQ群
客服邮箱
回到顶部