电脑桌面
添加小米粒文库到电脑桌面
安装后可以在桌面快捷访问

005吊顶内管路敷设工程

005吊顶内管路敷设工程_第1页
1/11
005吊顶内管路敷设工程_第2页
2/11
005吊顶内管路敷设工程_第3页
3/11
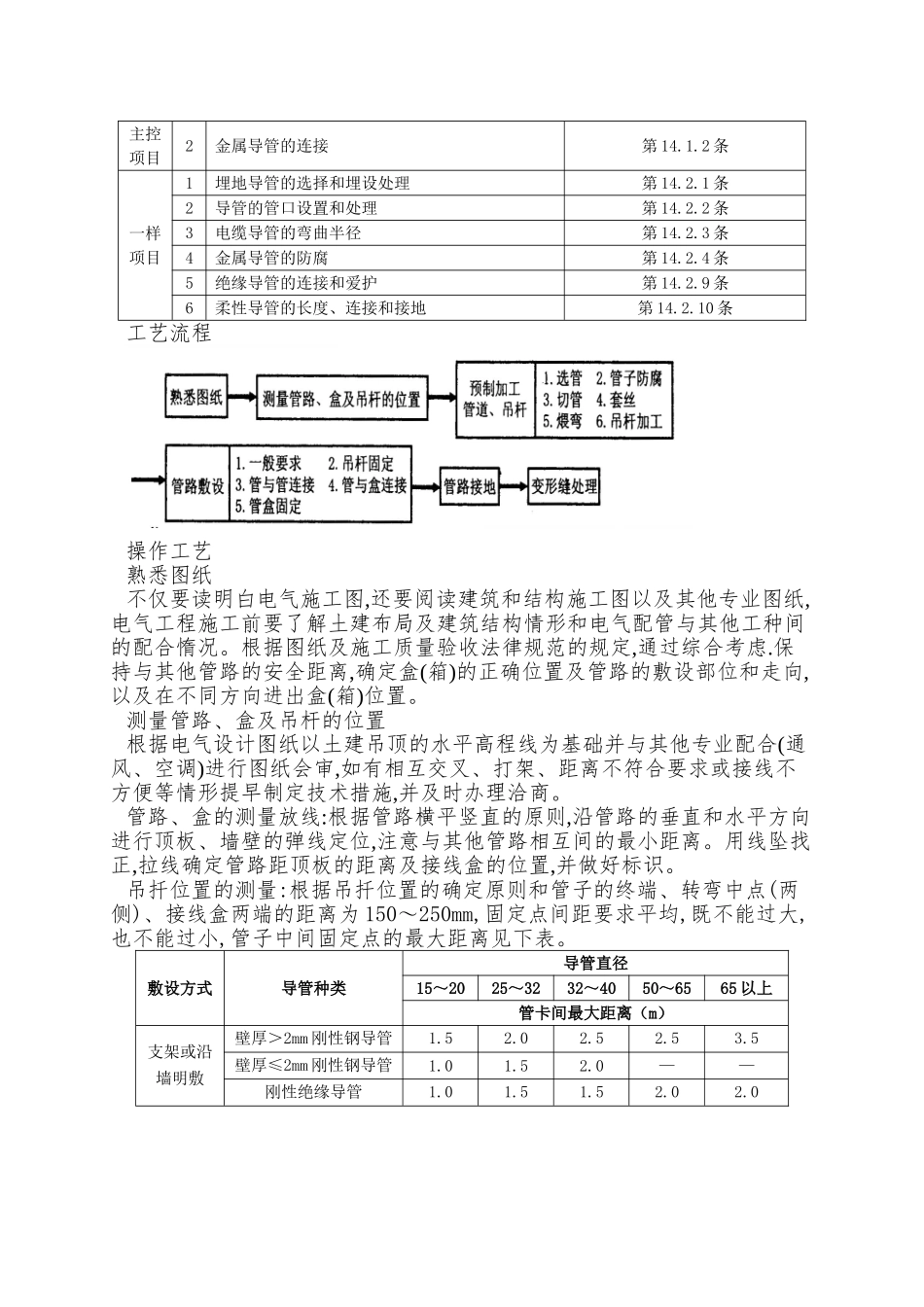
005 吊顶内管路敷设工程作业条件结构施工时配合土建,根据设计图纸做好顶板及墙内管路预埋、吊架预埋件的安装工作,顶板及墙内管路甩口位置要准确。吊顶内配管应配合吊顶施工进行,项目经理部根据工程进度,合理安排配管与吊顶的施工工序,幸免交叉打架现象。材料要求钢管:管材壁厚平均、焊缝平均,无劈裂、砂眼、棱刺和凹扁现象。除镀锌管外其他管材需预先进行管内外除锈、刷防腐漆,现浇混凝土时,管外可不刷防腐漆.但应除锈。镀锌管或刷过防腐漆的钢管外表层完整无剥落现象,并有出厂合格证。管箍:管箍使用通丝管箍,丝扣清楚、不乱扣,镀锌层完整无剥落、无劈裂、两端光滑无毛刺,并有产品合格证。锁紧螺母、护口:锁紧螺母(根母)、护口外形完好无损,丝扣清楚并有产品合格证。铁制灯头盒、开关盒、接线盒等,金属盒板厚度应符合《建筑电气通用图集》(92DQ)的要求,镀锌层无剥落,无变形开焊,敲落孔完整无缺,面板安装孔与地线焊接脚齐全,并有出厂合格证、“CCC”认证标志和认证证书复印件。面板、盖板的规格、高与宽、安装孔距应与所用盒配套,外形完整无损,板面颜色平均一致,并有出厂合格证。圆钢、扁钢、角钢等材质应符合国家现行标准要求,镀锌层完整无损,并有质量证明文件。螺栓、螺丝、胀管螺栓、螺母、垫圈等应使用镀锌件。其他材料(如电焊条、防锈漆)无过期变质现象。要紧机具煨弯器、液压煨弯器、液压开孔器、压力案子、套丝扳、套丝机等。手锤、錾子、钢锯、扁锉、圆锉、半圆锉、活扳子等。手电钻、台钻、钻头、工具袋、高凳、电工常用工具等。质量要求质量要求符合《建筑电气工程施工质量验收法律规范》(GB50303-2025)的规定。项序项 目承诺偏差或承诺值1金属导管的接地或接零第 14.1.1-1,2 条主控项目2金属导管的连接第 14.1.2 条一样项目1埋地导管的选择和埋设处理第 14.2.1 条2导管的管口设置和处理第 14.2.2 条3电缆导管的弯曲半径第 14.2.3 条4金属导管的防腐第 14.2.4 条5绝缘导管的连接和爱护第 14.2.9 条6柔性导管的长度、连接和接地第 14.2.10 条工艺流程操作工艺熟悉图纸不仅要读明白电气施工图,还要阅读建筑和结构施工图以及其他专业图纸,电气工程施工前要了解土建布局及建筑结构情形和电气配管与其他工种间的配合惰况。根据图纸及施工质量验收法律规范的规定,通过综合考虑.保持与其他管路的安全距离,确定盒(箱)的正确位置及管路的敷设部位和走向,以及在不同方向进出盒(箱)位置。测量管路、盒及吊杆的位置根据电气设计图纸...

1、当您付费下载文档后,您只拥有了使用权限,并不意味着购买了版权,文档只能用于自身使用,不得用于其他商业用途(如 [转卖]进行直接盈利或[编辑后售卖]进行间接盈利)。
2、本站所有内容均由合作方或网友上传,本站不对文档的完整性、权威性及其观点立场正确性做任何保证或承诺!文档内容仅供研究参考,付费前请自行鉴别。
3、如文档内容存在违规,或者侵犯商业秘密、侵犯著作权等,请点击“违规举报”。

碎片内容

005吊顶内管路敷设工程

确认删除?
VIP
微信客服
  • 扫码咨询
会员Q群
  • 会员专属群点击这里加入QQ群
客服邮箱
回到顶部