电脑桌面
添加小米粒文库到电脑桌面
安装后可以在桌面快捷访问

03钢筋锥螺纹连接工程

03钢筋锥螺纹连接工程_第1页
1/2
03钢筋锥螺纹连接工程_第2页
2/2
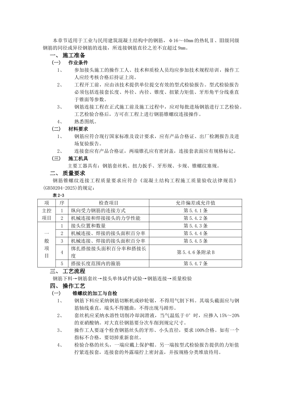
本章节适用于工业与民用建筑混凝土结构中的钢筋,ф16~40mm 的热轧Ⅱ、Ⅲ级同级钢筋的同径或异径钢筋的连接,所连接钢筋直径之差不宜超过 9mm。一、 施工准备(一)作业条件1、参加接头施工的操作工人、技术和质检人员均应参加技术规程培训,操作工人应经考核合格后持证上岗。2、工程开工前,应由该技术提供单位提交有效的型式检验报告。型式检验报告必须包括连接套长度、外径、内径、锥度、扭紧力矩值、牙形角平分线垂直于锥面等参数。3、钢筋连接工程在正式施工前及施工过程中,应对每批进场钢筋进行工艺检验。工艺检验合格后,方可在工程上进行钢筋锥螺纹连接操作。4、熟悉图纸。(二)材料要求1、钢筋应符合现行国家标准及设计要求,应有产品合格证、出厂检测报告及进场复验报告。2、连接套应有产品合格证,两端锥孔应有密封盖,连接套表面应有规格标记。(三)施工机具主要工器具有:钢筋套丝机、扭力扳手、牙形规、卡规、锥螺纹塞规。二、 质量要求钢筋锥螺纹连接工程质量要求应符合《混凝土结构工程施工质量验收法律规范》(GB50204-2025)的规定:表 2-3项序检查项目允许偏差或允许值主控项目1纵向受力钢筋的连接方式第 5.4.1 条2机械连接和焊接接头的力学性能第 5.4.2 条一般项目1接头位置和数量第 5.4.3 条2机械连接、焊接的接头面积百分率第 5.4.4 条3机械连接、焊接的接头面积百分率第 5.4.5 条4绑扎搭接接头面积百分率和搭接长度第 5.4.6 条附录 B5搭接长度范围内的箍筋第 5.4.7 条三、 工艺流程钢筋下料→钢筋套丝→接头单体试件试验→钢筋连接→质量检验四、 操作工艺(一)锥螺纹的加工与自检1、钢筋下料应采纳钢筋切断机或砂轮锯,不得用气割下料。其端头截面应与钢筋轴线垂直,端头不得翘曲,不得出现马蹄形。2、套丝机应采纳水溶性切削冷却润滑液,当气温低于 O°时,应掺入 15%~20%的亚硝酸钠。对大直径钢筋要分次车削到规定尺寸。3、操作工人要逐个检查钢筋丝头的牙形、小头直径,要求 100%合格。如有一个指标不合格,要切掉重新套丝。4、检验合格的丝头,一端应戴上保护帽。另一端按型式检验报告提供的力矩值拧紧连按套,连接套的外露端拧上密封盖,并按规格分类堆放待用。(二)接头单体试件试验1、试件制作:施工作业之前,从施工现场截取工程用的钢筋长 300mm 若干根,接头单体试件长度不小于 600mm。将其一头套成锥螺纹,用牙形规和卡规检查锥螺纹丝头的加工质撒。当其牙形与牙形规吻合,小端直径在卡...

1、当您付费下载文档后,您只拥有了使用权限,并不意味着购买了版权,文档只能用于自身使用,不得用于其他商业用途(如 [转卖]进行直接盈利或[编辑后售卖]进行间接盈利)。
2、本站所有内容均由合作方或网友上传,本站不对文档的完整性、权威性及其观点立场正确性做任何保证或承诺!文档内容仅供研究参考,付费前请自行鉴别。
3、如文档内容存在违规,或者侵犯商业秘密、侵犯著作权等,请点击“违规举报”。

碎片内容

03钢筋锥螺纹连接工程

您可能关注的文档

一帆文传+ 关注
实名认证
内容提供者

欢迎光临店铺,各类公文供您挑选。

确认删除?
VIP
微信客服
  • 扫码咨询
会员Q群
  • 会员专属群点击这里加入QQ群
客服邮箱
回到顶部