电脑桌面
添加小米粒文库到电脑桌面
安装后可以在桌面快捷访问

2025年度油站安全检查计划

2025年度油站安全检查计划_第1页
1/3
2025年度油站安全检查计划_第2页
2/3
2025年度油站安全检查计划_第3页
3/3
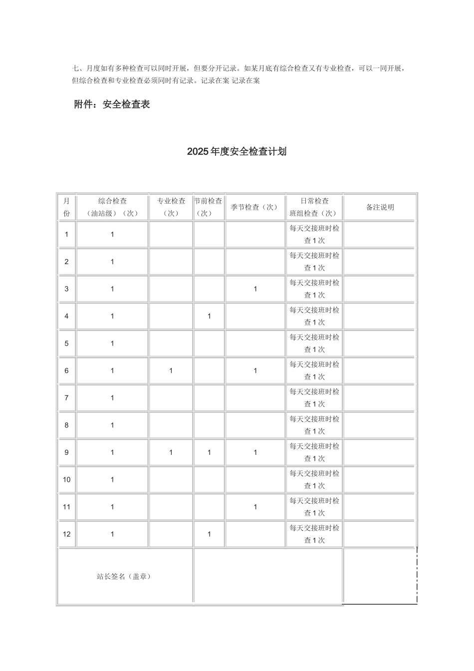
2025 年度特发加油站安全检查计划一、综合性检查和日常检查油站每月组织开展一次综合性安全检查,班组根据规定检查,每次交接时开展一次日常检查工作。检查内容:安全检查制度落实;各岗位人员安全职责落实;员工安全教育培训;事故隐患及整改、措施的落实;上级布置的各项安全活动和专项治理活动开展;作业现场的管理;正确使用劳保用品、用具;“三违”现象。目的:及时发现存在的问题,及时纠正或整改;保证公司稳定的安全形势,避开发生各类违章行为,杜绝事故发生;二、节前安全消防综合检查 每年的“五.一”节、“国庆节”和“春节”前组织节前安全检查检查内容:主要检查节日期间值班、排班工作安排落实到位;节前教育、设备运行、消防安全、应急措施等。目的:保证措施到位,确保节日期间设备的良好运行和办公场所的安全三、季节性安全检查每年的 6 月开展夏季和 11 月开展冬季的季节性安全检查冬季“四防” 检查内容:进行夏季“四防”和冬季“四防”的安全措施落实 情况检查。目的:保证“四防”措施的落实;发现和整改存在的问题;确保各类设施、设备安全度过季节性的变化和人身安全。 四、专项和专业性安全检查每年 6 月开展安全生产月专项检查,9 月开展设备专业性安全检查。五、标准化自评等综合性检查每年十二月安全开展一次标准化自评等综合性检查 。检查内容:根据标准化达标专项评审表内容进行检查。目的:总结本年度经验教训,推广好的方法和措施,不断提高安全管理水平。六、各类安全检查标准执行集团公司、省公司和深圳石油分公司有关安全检查标准。七、月度如有多种检查可以同时开展,但要分开记录。如某月底有综合检查又有专业检查,可以一同开展,但综合检查和专业检查必须同时有记录。记录在案 记录在案 附件:安全检查表 2025 年度安全检查计划 月份综合检查(油站级)(次)专业检查(次)节前检查(次)季节检查(次)日常检查班组检查(次)备注说明11每天交接班时检查 1 次 21每天交接班时检查 1 次 311每天交接班时检查 1 次 411每天交接班时检查 1 次 51每天交接班时检查 1 次 6111每天交接班时检查 1 次 71每天交接班时检查 1 次 81每天交接班时检查 1 次 91111每天交接班时检查 1 次 101每天交接班时检查 1 次 1111每天交接班时检查 1 次 1211每天交接班时检查 1 次 站长签名(盖章)

1、当您付费下载文档后,您只拥有了使用权限,并不意味着购买了版权,文档只能用于自身使用,不得用于其他商业用途(如 [转卖]进行直接盈利或[编辑后售卖]进行间接盈利)。
2、本站所有内容均由合作方或网友上传,本站不对文档的完整性、权威性及其观点立场正确性做任何保证或承诺!文档内容仅供研究参考,付费前请自行鉴别。
3、如文档内容存在违规,或者侵犯商业秘密、侵犯著作权等,请点击“违规举报”。

碎片内容

2025年度油站安全检查计划

确认删除?
VIP
微信客服
  • 扫码咨询
会员Q群
  • 会员专属群点击这里加入QQ群
客服邮箱
回到顶部