电脑桌面
添加小米粒文库到电脑桌面
安装后可以在桌面快捷访问

2层框架结构办公楼建筑工程量计算实例

2层框架结构办公楼建筑工程量计算实例_第1页
1/5
2层框架结构办公楼建筑工程量计算实例_第2页
2/5
2层框架结构办公楼建筑工程量计算实例_第3页
3/5
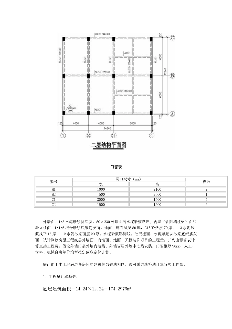
建筑装饰工程定额计价实例 某房屋工程为框架结构,底层建筑平面图、二层结构平面图如图所示,已知设计室外地坪-0.15,设计室内地坪±0.00,二层结构板面标高为 6.50m,板厚 12cm。外、内墙均为 1 砖厚多孔砖墙;门窗尺寸见门窗表。 门窗表 外墙面:1:3 水泥砂浆抹底灰,50×230 外墙面砖水泥砂浆粘贴;内墙(含附墙柱梁)面和独立柱面:1:1:6 混合砂浆底纸筋灰面。地面:碎石垫层 80 厚,C15 砼垫层 70 厚,1:3 水泥砂浆找平 15 厚,1:2 水泥砂浆面层 20 厚。水泥砂浆踢脚线。砼天棚面:水泥纸筋灰砂浆底纸筋灰面。试计算该房屋工程底层外墙面、内墙面、地面、天棚装饰项目的工程量,并列出预算表计算直接工程费。假设外墙门靠外墙内边线、外墙窗居外墙中心线安装,门窗框厚 90mm;人工、材料、机械台班单价均暂按定额取定价计算。 解:由于本工程底层各房间的建筑装饰做法相同,故可采纳统筹法计算各项工程量。 1、工程量计算基数: 底层建筑面积=14.24×12.24=174.2976m2 编号洞口尺寸(mm)樘数宽高M1100021002M2150025001C1200015004C2150015005 外墙中心线=(14+12)×2=52m 内墙净长线=6+12-0.12×4=17.52m 外墙外边线=52+0.24×4=52.96m 外墙内边线=52-0.24×4=51.04m 外墙净长=52-(0.28×2+0.4×2)×2-(0.48×2+0.6)×2=52-2.72-3.12=46.16m 内墙净长=6+12-(0.28+0.2)-(0.48×2+0.6)=18-0.48-1.56=15.96m 2、计算外墙面装饰工程量: 外墙门窗洞口面积=1.5×2.5+2.0×1.5×4+1.5×1.5×5=27.00m2 内墙门窗洞口面积=1.0×2.1×2=4.20m2 外墙门窗洞口侧壁面积=(1.5+2.5×2)×(0.24-0.09)+[(2.0+1.5)×2×4+(1.5+1.5)×2×5]×(0.24-0.09)/2=0.975+4.350=5.325m2 50×230 外墙面砖水泥砂浆粘贴: S=外墙外边线×镶贴高度-外墙门窗洞口面积+外墙门窗洞口侧壁面积=52.96×(6.50+0.15)-27.00+5.325=330.51m2 外墙面 1:3 水泥砂浆抹底灰: 330.51m2 3、计算内墙面装饰工程量: 附墙柱侧面积=(0.16×2+0.08×2+0.36×2×2)×(6.50-0.12)=1.92×6.38=12.2496 m2 附墙梁底面积=46.16×(0.3-0.24)+15.96×(0.3-0.24)=2.7696+0.9576=3.7272m2 内墙面 1:1:6 混合砂浆底纸筋灰面: S=(外墙内边线+内墙净长线×2-T形搭接墙厚)×抹灰高度-外墙门窗洞口面积-内墙门窗洞口面积×2+附墙柱侧面积...

1、当您付费下载文档后,您只拥有了使用权限,并不意味着购买了版权,文档只能用于自身使用,不得用于其他商业用途(如 [转卖]进行直接盈利或[编辑后售卖]进行间接盈利)。
2、本站所有内容均由合作方或网友上传,本站不对文档的完整性、权威性及其观点立场正确性做任何保证或承诺!文档内容仅供研究参考,付费前请自行鉴别。
3、如文档内容存在违规,或者侵犯商业秘密、侵犯著作权等,请点击“违规举报”。

碎片内容

2层框架结构办公楼建筑工程量计算实例

元素商铺+ 关注
实名认证
内容提供者

欢迎挑选合适的文档

确认删除?
VIP
微信客服
  • 扫码咨询
会员Q群
  • 会员专属群点击这里加入QQ群
客服邮箱
回到顶部