电脑桌面
添加小米粒文库到电脑桌面
安装后可以在桌面快捷访问

j就地热控盘安装1-4-1

j就地热控盘安装1-4-1_第1页
1/2
j就地热控盘安装1-4-1_第2页
2/2
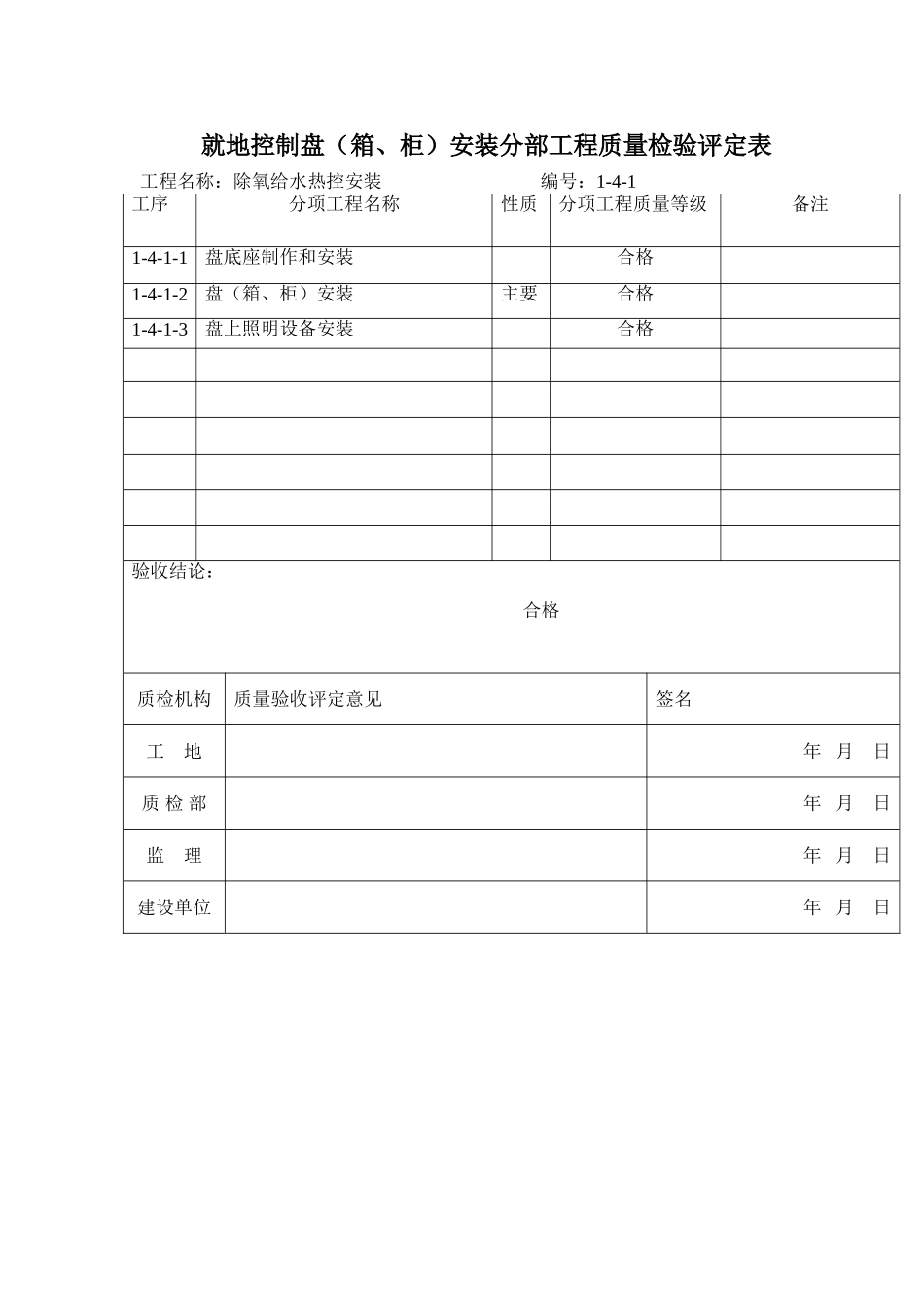
就地热控盘(箱、柜)安装分部报验申请表工程名称:除氧给水热控安装 编号:1-4-1 致: (监理单位) 我单位已完成了就地热控盘安装工作,现报上该工程报验申请表,请予以审查和验收。 附件:就地热控盘制安装分部工程质量检验评定表承包单位(章) 项目经理 日 期 审查意见: 项目监理机构 总/专业监理工程师 日 期 就地控制盘(箱、柜)安装分部工程质量检验评定表工程名称:除氧给水热控安装 编号:1-4-1 工序分项工程名称性质分项工程质量等级备注1-4-1-1盘底座制作和安装合格1-4-1-2盘(箱、柜)安装主要合格1-4-1-3盘上照明设备安装合格验收结论:合格质检机构质量验收评定意见签名工 地 年 月 日质 检 部 年 月 日监 理 年 月 日建设单位 年 月 日

1、当您付费下载文档后,您只拥有了使用权限,并不意味着购买了版权,文档只能用于自身使用,不得用于其他商业用途(如 [转卖]进行直接盈利或[编辑后售卖]进行间接盈利)。
2、本站所有内容均由合作方或网友上传,本站不对文档的完整性、权威性及其观点立场正确性做任何保证或承诺!文档内容仅供研究参考,付费前请自行鉴别。
3、如文档内容存在违规,或者侵犯商业秘密、侵犯著作权等,请点击“违规举报”。

碎片内容

j就地热控盘安装1-4-1

确认删除?
VIP
微信客服
  • 扫码咨询
会员Q群
  • 会员专属群点击这里加入QQ群
客服邮箱
回到顶部