电脑桌面
添加小米粒文库到电脑桌面
安装后可以在桌面快捷访问

PBG系列矿用隔爆型永磁式高压真空配电装置使用说明书

PBG系列矿用隔爆型永磁式高压真空配电装置使用说明书_第1页
1/33
PBG系列矿用隔爆型永磁式高压真空配电装置使用说明书_第2页
2/33
PBG系列矿用隔爆型永磁式高压真空配电装置使用说明书_第3页
3/33
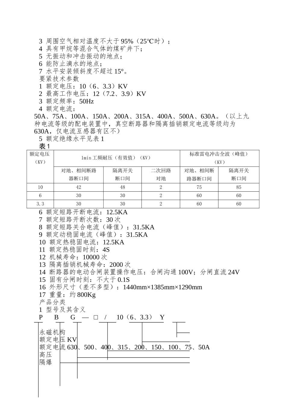
PBG 系列矿用隔爆型永磁式高压真空配电装置使用说明书矿用隔爆型永磁式高压真空配电装置使用讲明书电光防爆电气有限公司前 言本讲明书依据 GB9969.1-1998 标准编。防爆类型:矿用隔爆型防爆标志:ExdI本讲明书介绍了该配电装置的特点和性能,以及应用范畴、安装接线、操作爱护等内容。对本装置的操作,务必是在获得了用户主管部门的授权和仔细阅读了本讲明书后方可进行。本装置所用的爱护装置的一些重要操作,如定值修改等,均设有授权密码,请用户注意。如不按本讲明书的要求进行操作,则有可能造成不良后果。对本讲明书如有疑咨询或有本讲明书未涵盖的,涉及本装置的技术咨询题,请向厂家咨询。本讲明书自 2006 年 12 月 1 日起实施。使用前请仔细阅读使用讲明书!!!用途PBG 系列矿用隔爆型永磁式高压真空配电装置(以下简称配电装置)适用于含有甲烷混合气体,具有爆炸危险的煤矿井下,对额定电压10(6、3.3)KV,额定频率 50Hz,额定电流不超过 630A 的三相沟通中性点不接地或经消弧线圈接地的供电系统进行操纵、爱护和测量。正常使用、安装条件1 环境温度:-5℃~+40℃;2 海拔高度不超过 1000m;3 周围空气相对温度不大于 95%(25℃时);4 具有甲烷等混合气体的煤矿井下;5 无振动和冲击振动的地点;6 能防止滴水的地点;7 水平安装倾斜度不超过 15°。要紧技术参数1 额定电压:10(6、3.3)KV2 最高工作电压:12(7.2、3.9)KV3 额定频率:50Hz4 额定电流:50A、75A、100A、150A、200A、315A、400A、500A、630A。(以上九种电流等级的配电装置中,真空断路器和隔离插销额定电流等级均为630A,仅电流互感器有区不)5 额定绝缘水平见表 1表 1额定电压(KV)1min 工频耐压(有效值)(KV)标准雷电冲击全波(峰值)(KV)对地、相间断路器断口间隔离开关断口间二次回路对地对地、相间断路器断口间隔离开关断口间1042482758563030260603.33030260606 额定短路开断电流:12.5KA7 额定短路开断次数:30 次8 额定短路关合电流(峰值):31.5KA9 额定动稳固电流(峰值):31.5KA10 额定热稳固电流:12.5KA11 额定热稳固时刻:4S12 机械寿命:10000 次13 隔离插销机械寿命:2000 次14 断路器的电动合闸装置操作电压:合闸沟通 100V;分闸直流 24V15 固有分闸时刻:不大于 0.1S16 外形尺寸(差不多型):1440mm×1385mm×1290mm17 重量:约 800Kg产品分类1 型号及其含义P B G — □ / 10...

1、当您付费下载文档后,您只拥有了使用权限,并不意味着购买了版权,文档只能用于自身使用,不得用于其他商业用途(如 [转卖]进行直接盈利或[编辑后售卖]进行间接盈利)。
2、本站所有内容均由合作方或网友上传,本站不对文档的完整性、权威性及其观点立场正确性做任何保证或承诺!文档内容仅供研究参考,付费前请自行鉴别。
3、如文档内容存在违规,或者侵犯商业秘密、侵犯著作权等,请点击“违规举报”。

碎片内容

PBG系列矿用隔爆型永磁式高压真空配电装置使用说明书

您可能关注的文档

确认删除?
VIP
微信客服
  • 扫码咨询
会员Q群
  • 会员专属群点击这里加入QQ群
客服邮箱
回到顶部