电脑桌面
添加小米粒文库到电脑桌面
安装后可以在桌面快捷访问

XX质量管理部质量信息档案专责任务绩效考核指标

XX质量管理部质量信息档案专责任务绩效考核指标_第1页
1/2
XX质量管理部质量信息档案专责任务绩效考核指标_第2页
2/2
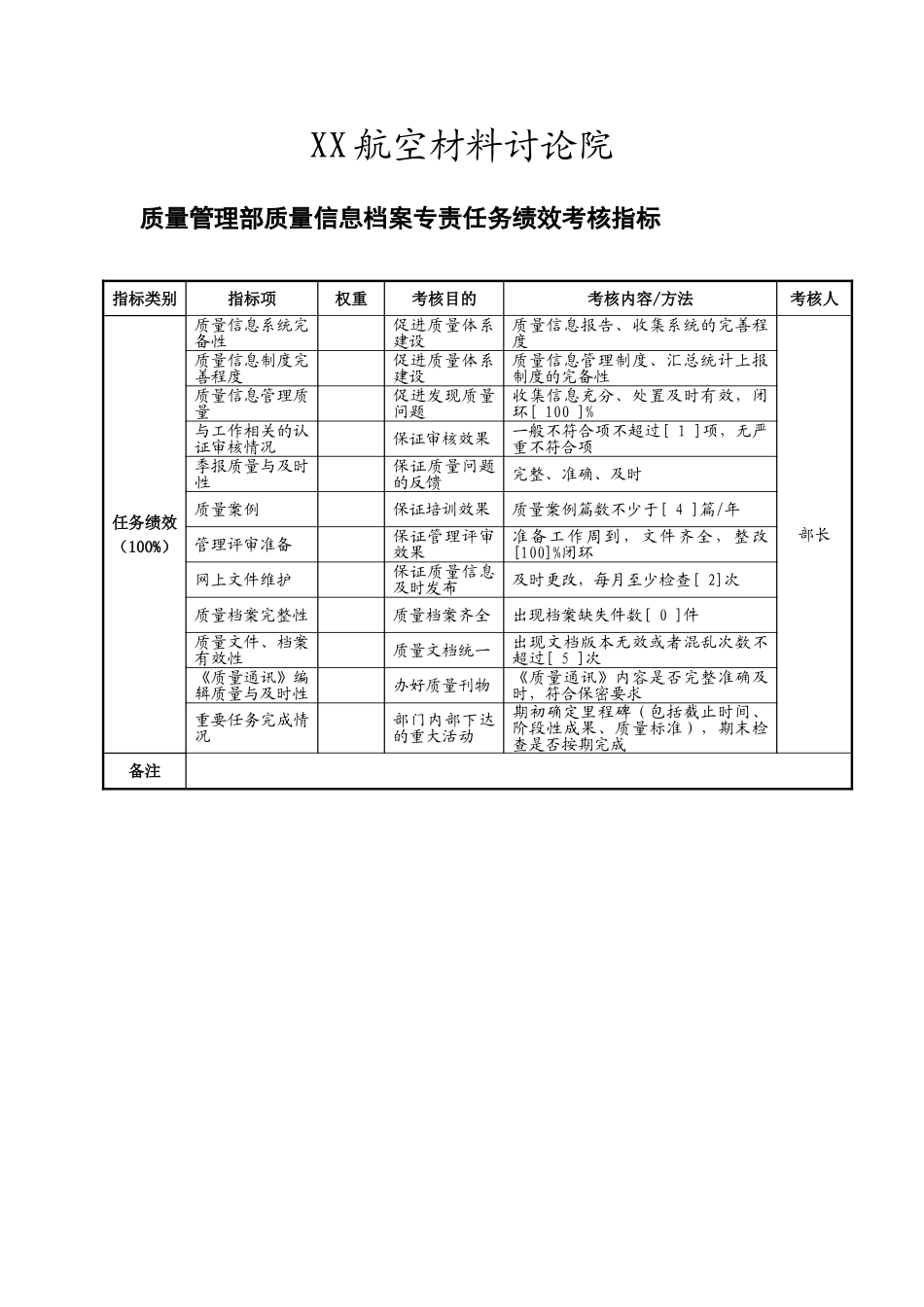
XX 航空材料讨论院质量管理部质量信息档案专责任务绩效考核指标指标类别指标项权重考核目的考核内容/方法考核人任务绩效(100%)质量信息系统完备性促进质量体系建设质量信息报告、收集系统的完善程度部长质量信息制度完善程度促进质量体系建设质量信息管理制度、汇总统计上报制度的完备性质量信息管理质量促进发现质量问题收集信息充分、处置及时有效,闭环[ 100 ]%与工作相关的认证审核情况保证审核效果一般不符合项不超过[ 1 ]项,无严重不符合项季报质量与及时性保证质量问题的反馈完整、准确、及时质量案例保证培训效果质量案例篇数不少于[ 4 ]篇/年管理评审准备保证管理评审效果准备工作周到,文件齐全,整改[100]%闭环网上文件维护保证质量信息及时发布及时更改,每月至少检查[ 2]次质量档案完整性质量档案齐全出现档案缺失件数[ 0 ]件质量文件、档案有效性质量文档统一出现文档版本无效或者混乱次数不超过[ 5 ]次《质量通讯》编辑质量与及时性办好质量刊物《质量通讯》内容是否完整准确及时,符合保密要求重要任务完成情况部门内部下达的重大活动期初确定里程碑(包括截止时间、阶段性成果、质量标准),期末检查是否按期完成备注

1、当您付费下载文档后,您只拥有了使用权限,并不意味着购买了版权,文档只能用于自身使用,不得用于其他商业用途(如 [转卖]进行直接盈利或[编辑后售卖]进行间接盈利)。
2、本站所有内容均由合作方或网友上传,本站不对文档的完整性、权威性及其观点立场正确性做任何保证或承诺!文档内容仅供研究参考,付费前请自行鉴别。
3、如文档内容存在违规,或者侵犯商业秘密、侵犯著作权等,请点击“违规举报”。

碎片内容

XX质量管理部质量信息档案专责任务绩效考核指标

阳光书坊+ 关注
实名认证
内容提供者

阳光书坊,传播未来

确认删除?
VIP
微信客服
  • 扫码咨询
会员Q群
  • 会员专属群点击这里加入QQ群
客服邮箱
回到顶部