电脑桌面
添加小米粒文库到电脑桌面
安装后可以在桌面快捷访问

[重庆]办公楼精装修劳动力、机械设备计划

[重庆]办公楼精装修劳动力、机械设备计划_第1页
1/43
[重庆]办公楼精装修劳动力、机械设备计划_第2页
2/43
[重庆]办公楼精装修劳动力、机械设备计划_第3页
3/43
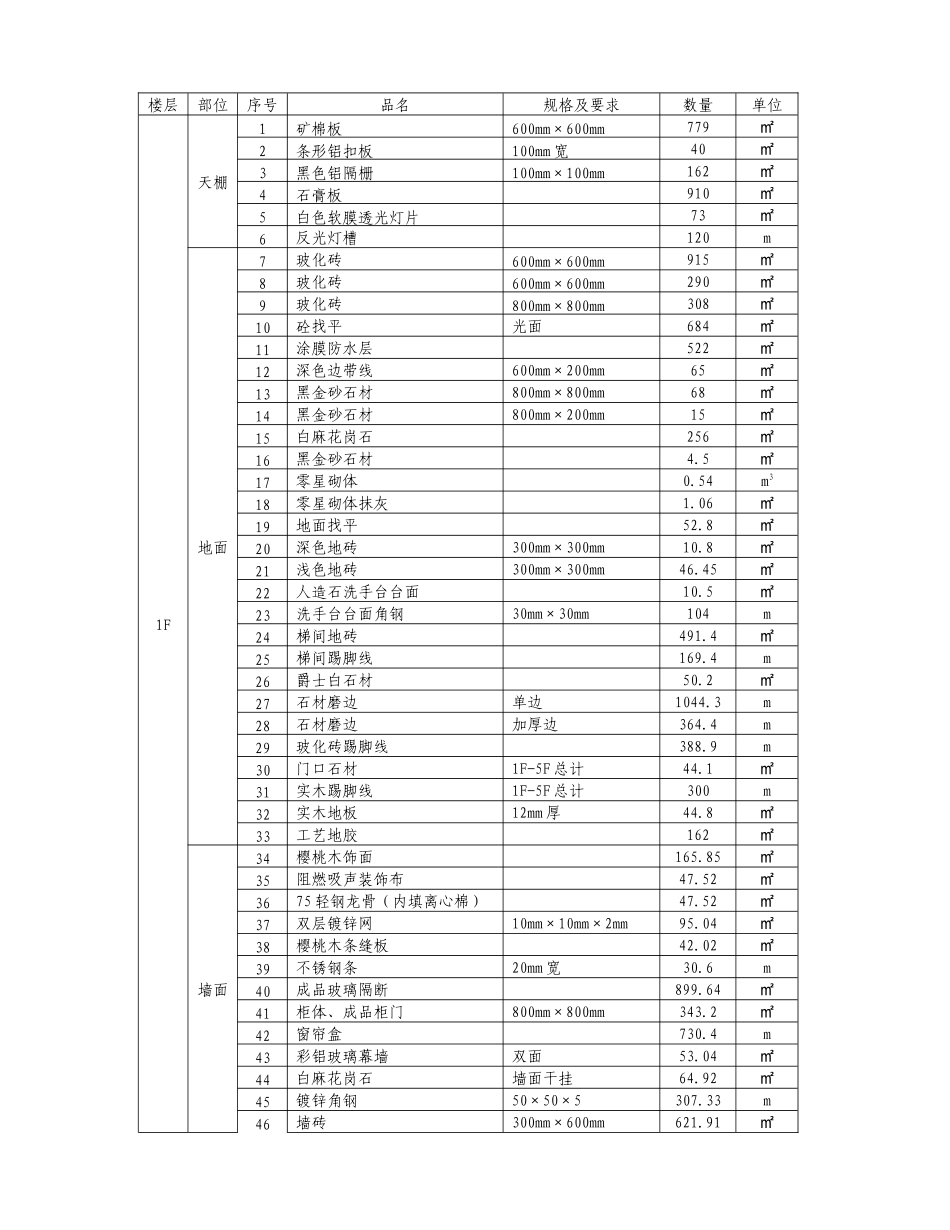
第一章 工程概况第一节 建设基本概况(一)工程名称:XXXX工业(集团)有限责任公司整体搬迁技术改造项目技术中心精装修以及消防池、泵房工程(二)建设单位:XXXX工业(集团)有限责任公司(三)设计单位:重庆市轻工业设计院(四)招标代理:重庆市招标采购(集团)有限责任公司(五)工程地点:重庆市XX区XX工业园区长生组团J分区XX工业园XXX地块(六)工程规模:约10968.53㎡(其中1-5F为8624.58,地下车㎡库为2343.95)㎡(七)质量要求:达到国家、行业现行有关施工质量验收法律规范要求,并一次性验收合格。(八)工期要求:绝对日历工期75天。第二节 建设规模和主要使用功能XXXX工业(集团)有限责任公司整体搬迁技术改造项目技术中心位于重庆市XX区XX工业园区长生组团J分区机电工业园19号地块,全框架现浇(钢筋混凝土)结构,地下二层,地上五层,工程总面积10968.53㎡(其中1-5F为8624.58,地下车库为㎡2343.95),其中㎡:一楼:销售库房27㎡;采购部80㎡;部长室29㎡、27㎡、26㎡;外协部80㎡;制造部27㎡;宣传展览室162㎡;保卫11㎡、29㎡;监控室18㎡;小会议室33㎡;洽谈室25㎡;市场策划25㎡;执行科108㎡;营销部53㎡;副部长室53㎡;技术支持53㎡;储藏室27㎡;售后27㎡;冷机办公室27㎡;重庆片区办公室27㎡;男卫生间21㎡;女卫生间16㎡;其余为中庭、门厅、走廊、梯道公众区域部分。二楼:部长办公室27;会议室㎡30;资料室㎡23、㎡46、㎡48;成本科、材料科、资金科㎡162;价格科㎡53;主任办公室㎡29;㎡品质管理室56;项目经理室㎡28;洽谈室㎡26;质监部㎡53;质监㎡部长室27;人力资源部长室㎡27;人力资源部㎡53;后勤部㎡53;㎡后勤部长室27;党群部长室㎡25;团委㎡27;党群工作部㎡27;男㎡卫21;女卫㎡16;物流部㎡27;广播室㎡27;安装办公室㎡54;安㎡装经理室27;其余为电梯间、走廊、梯道公众区域部分。㎡三楼:打印复印室27;主任办公室㎡26;中心办公室㎡80;中㎡心资料室108;电脑维修室㎡17;计算机中心㎡37;保密办公室㎡16;保密办及资料室㎡45;机房㎡46;档案室㎡142、㎡158、㎡108、㎡108;男卫㎡21;女卫㎡16;网吧㎡27;档案管理员室㎡37;发㎡图室22;晒图室㎡54;其余为电梯间、走廊、梯道公众区域部分。㎡四楼:风机所长室27;风机讨论所㎡270;冷机讨论所㎡60;涉㎡密设计室46;冷机所长室㎡29;冷机讨论所㎡219;工艺讨论所㎡243;工艺所长室㎡27;男卫㎡21;女卫㎡16;工艺所(定额)㎡5...

1、当您付费下载文档后,您只拥有了使用权限,并不意味着购买了版权,文档只能用于自身使用,不得用于其他商业用途(如 [转卖]进行直接盈利或[编辑后售卖]进行间接盈利)。
2、本站所有内容均由合作方或网友上传,本站不对文档的完整性、权威性及其观点立场正确性做任何保证或承诺!文档内容仅供研究参考,付费前请自行鉴别。
3、如文档内容存在违规,或者侵犯商业秘密、侵犯著作权等,请点击“违规举报”。

碎片内容

[重庆]办公楼精装修劳动力、机械设备计划

您可能关注的文档

确认删除?
VIP
微信客服
  • 扫码咨询
会员Q群
  • 会员专属群点击这里加入QQ群
客服邮箱
回到顶部