电脑桌面
添加小米粒文库到电脑桌面
安装后可以在桌面快捷访问

东莞某多层住宅群质量保证措施

东莞某多层住宅群质量保证措施_第1页
1/18
东莞某多层住宅群质量保证措施_第2页
2/18
东莞某多层住宅群质量保证措施_第3页
3/18
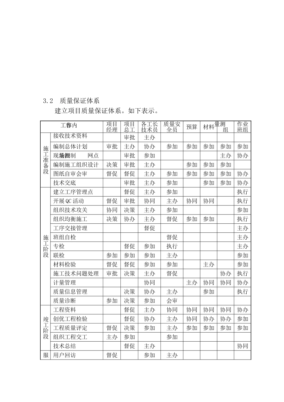
质量保证措施1 质量管理目标及承诺本工程的质量目标:严格执行国家有关现行质量标准,确保各分部分项工程一次性验收合格,争创东莞市优良样板工程。我方对于本工程的质量违约承诺为:本工程质量验收达不到投标文件中承诺的质量标准,扣罚我方合同款 50 万元。2 质量管理方法2.1 质量检查验收方法 实行自检、互检、专检制以及特别工序过程监控与跟班检制;分部分项工程验评制和隐蔽工程验收制。2.2 施工前技术质量交底和施工中的复核 工程开工前,技术部门要对整个工程的技术质量要点的关键问题向施工管理人员、班组长等作一个全面的交底。在分部分项工程施工前,由工长负责向班组长、班组长负责向各班组成员进行技术质量交底工作。交底工作以书面形式为主,未经交底不得施工。对关键工序、关键部位,工长要负责现场确定核实,技术部门对每个关键环节和重要工序要进行复核、监督,发现问题及时解决。2.3 生产会议和质量会议制度 在定期或不定期的生产会议上,在安排生产计划的同时,坚持质量工作安排。 定期召开专题质量会议,由施工技术副经理和专职质检人员提出质量动态报告,讨论制定质量工作计划和对策。2.4 对专业工程施工人员的技术资质审核 对进入施工现场作业的所有特别专业工种的管理人员和技术工人的技术等级,必须进行事前审核。对经技术培训考核不合格者,不予安排相应工作。对所有专业分包单位,其专业工种的管理人员和技术工人均必须提交名单和技术资质材料。2.5 坚持样板引路,先确认再大面积施工的方法 对质量要求较高、采纳新工艺新材料的部分,应先做样板和试验,经检查确认可行后,再进行大面积施工。3 质量控制体系3.1 质量管理领导体系 项目经理为工程质量的第一责任人,在项目部自项目经理至施工班组建立质量管理领导体系。如下图示。项目质量领导小组组 长: 项目经理副组长:项目生产副经理 项目质安总监 项目总工钢筋工长木工工长砼瓦工工长项目专职质量员项目试验员测量放线员资料内业材料采购员作业班组长3.2 质量保证体系建立项目质量保证体系。如下表示。工作内容项目经理项目总工各工长技术员质量安全员预算材料测量组作业班组施工准备段接收技术资料审批主办编制总体计划审批主办协办参加参加参加参加参加现场测量控制网点审批参加主办协办编制施工组织设计决策审批主办参加参加参加图纸自审会审督促督促主办参加参加参加参加协办技术交底审批主办参加参加参加协办施工阶段建立工序管理点督促...

1、当您付费下载文档后,您只拥有了使用权限,并不意味着购买了版权,文档只能用于自身使用,不得用于其他商业用途(如 [转卖]进行直接盈利或[编辑后售卖]进行间接盈利)。
2、本站所有内容均由合作方或网友上传,本站不对文档的完整性、权威性及其观点立场正确性做任何保证或承诺!文档内容仅供研究参考,付费前请自行鉴别。
3、如文档内容存在违规,或者侵犯商业秘密、侵犯著作权等,请点击“违规举报”。

碎片内容

东莞某多层住宅群质量保证措施

一二三四传媒+ 关注
实名认证
内容提供者

大量资料供您选择,没有合适的可以联系小二。

确认删除?
VIP
微信客服
  • 扫码咨询
会员Q群
  • 会员专属群点击这里加入QQ群
客服邮箱
回到顶部