电脑桌面
添加小米粒文库到电脑桌面
安装后可以在桌面快捷访问

企业内部对焊作业指导书

企业内部对焊作业指导书_第1页
1/4
企业内部对焊作业指导书_第2页
2/4
企业内部对焊作业指导书_第3页
3/4
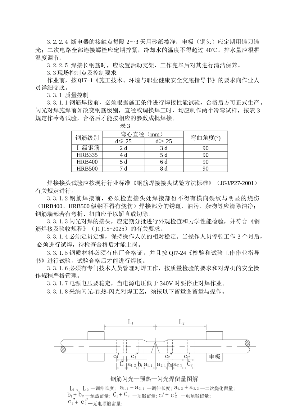
作业文件对焊作业指导书开始实施日期2025 年5 月 1 日版本号:1编号:QI 7-22第 1 页共 4 页修 改 记 录修改号生效日期修改页次修 改 理 由修改号编写审核会签批准批准日期施祖荫周锡光王定武方 东傅立容2025.4.8 1 适用范围 本作业指导书适用于本局承建工程的对焊作业。2 参照文件 2.1 《钢筋焊接接头试验方法标准》(JGJ/P27-2001)2.2 《施工现场临时用电安全技术法律规范》(JGJ46-88)2.3 《钢筋焊接及验收规程》(JGJ18-2025) 3 实施要求 3.1 施工设备 建筑企业常见对焊机有表 1 所列几种: 表 1序号功率(kW)常 见 机 型 备 注175UN1-75手 动 式2100UN1-100手 动 式3150UN17-150-1自动式(气压式) 3.2 实施步骤 3.2.1 根据钢筋直径大小不同,端面情况有异,一般分以下三种对焊工艺: 3.2.1.1 连续闪光焊:适用于钢筋直径较小。 3.2.1.2 预热闪光焊:适用于钢筋直径较大,端面比较平整。 3.2.1.3 闪光 — 预热 — 闪光焊:适用于钢筋直径较大,端面不够平整。由于我局使用的对焊材料为 φ28mm 热轧带胁钢筋为主,并且端面不够平整,适宜采纳第三种对焊工艺。在钢筋对焊生产中,操作过程的各个环节应密切配合,假如外线路电压变化,则各项参数要相应变化。 3.2.2 实施过程要求 3.2.2.1 对焊机应安装在室内,要有可靠的接地。若多台并列安装时,对焊机之间的距离要有 3 米,并应分别接在不同相的电源上,每台对焊机必有各自的闸刀开关。 闸刀开关与对焊机之间的导线应用套管加以保护。导线截面积应不少于表 2 规定: 表 2对焊机额定功率(kVA)75100150一次电压为 220V 时导线截面积(mm )3545一次电压为 380V 时导线截面积(mm )253550 3.2.2.2 操作前,应检查对焊机的压力机构是否灵活,夹具是否牢固。用电压或液压传动的夹具,应检查其是否正常,保证气、液压系统无泄漏,方可施焊。操作者站的地方是否有木板或绝缘材料。 3.2.2.3 焊接前,应根据所焊钢筋截面,调整二次电压,禁止焊接超过对焊机规定直径的钢筋。3.2.2.4 断电器的接触点每隔 2~3 天用砂纸擦净;电极(铜头)应定期用锉刀锉光;二次电路全部连接螺栓应定期拧紧,冷却水的温度不得超过 40℃。排水量应根据温度调节。3.2.2.5 焊接长钢筋时,应设置活动支架,工作完毕后对其进行清洁保养。3.3 现场控制点及控制要求作业前,按 QI7-1《施工技术、环境与职业健康安全交底指导书》的...

1、当您付费下载文档后,您只拥有了使用权限,并不意味着购买了版权,文档只能用于自身使用,不得用于其他商业用途(如 [转卖]进行直接盈利或[编辑后售卖]进行间接盈利)。
2、本站所有内容均由合作方或网友上传,本站不对文档的完整性、权威性及其观点立场正确性做任何保证或承诺!文档内容仅供研究参考,付费前请自行鉴别。
3、如文档内容存在违规,或者侵犯商业秘密、侵犯著作权等,请点击“违规举报”。

碎片内容

企业内部对焊作业指导书

您可能关注的文档

阳光书坊+ 关注
实名认证
内容提供者

阳光书坊,传播未来

确认删除?
VIP
微信客服
  • 扫码咨询
会员Q群
  • 会员专属群点击这里加入QQ群
客服邮箱
回到顶部