电脑桌面
添加小米粒文库到电脑桌面
安装后可以在桌面快捷访问

兴园14路市政道路工程建设监理工作月报

兴园14路市政道路工程建设监理工作月报_第1页
1/3
兴园14路市政道路工程建设监理工作月报_第2页
2/3
兴园14路市政道路工程建设监理工作月报_第3页
3/3
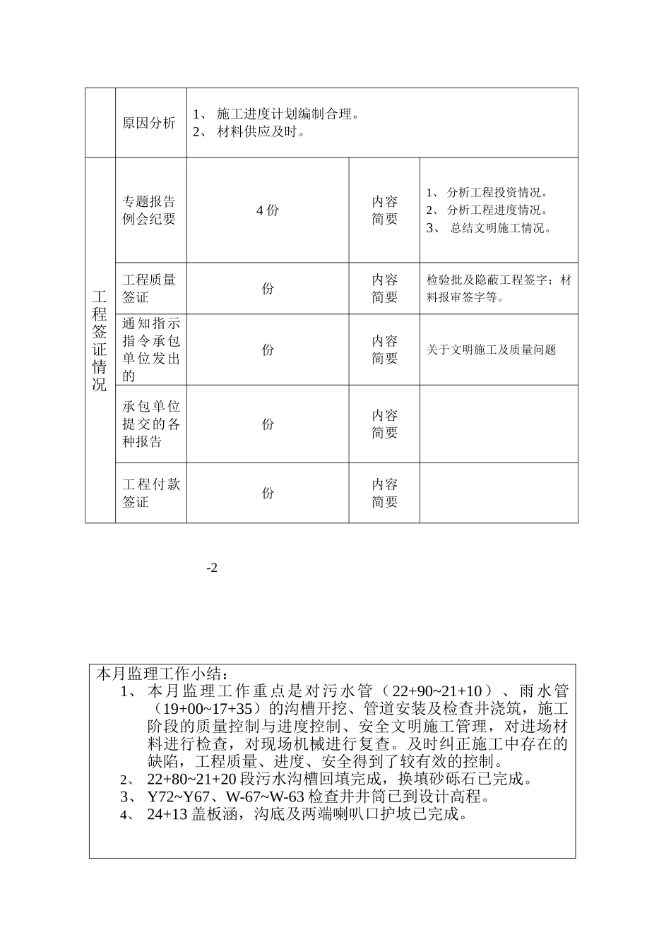
工程建设监理工作月报 (新津—兴园 14 路) 第 三 期2011 年 1 月 27 日至 2011 年 2 月 28 日 内容提要: 本月工程形象进度完成情况 工程签证情况 本月工程情况评述 本月监理工作小结 下月监理工作打算总监理工程师(签证): 项目监理机构(公章): 日期:2011-2-28 -1 工程名称兴园 14 路市政道路工程设计单位成都市市政工程设计讨论院建设单位成都市新津县工业投资经营有限责任公司承建单位四川聚丰建设工程有限公司形象进度情况计划完成1、 道路工程产值 14.63 万元。2、 排水工程产值 26.24 万元。3、 配套设施产值 6 万元。实际完成1、道路工程产值 14.63 万元。2、排水工程产值 26.24 万元。3、配套设施产值 6 万元。原因分析1、 施工进度计划编制合理。2、 材料供应及时。工程签证情况专题报告例会纪要4 份内容简要1、 分析工程投资情况。2、 分析工程进度情况。3、 总结文明施工情况。工程质量签证份内容简要检验批及隐蔽工程签字;材料报审签字等。通知指示指令承包单位发出的份内容简要关于文明施工及质量问题承包单位提交的各种报告份内容简要工程付款签证份内容简要 -2本月监理工作小结:1、 本月监理工作重点是对污水管(22+90~21+10)、雨水管(19+00~17+35)的沟槽开挖、管道安装及检查井浇筑,施工阶段的质量控制与进度控制、安全文明施工管理,对进场材料进行检查,对现场机械进行复查。及时纠正施工中存在的缺陷,工程质量、进度、安全得到了较有效的控制。2、 22+80~21+20 段污水沟槽回填完成,换填砂砾石已完成。3、 Y72~Y67、W-67~W-63 检查井井筒已到设计高程。4、 24+13 盖板涵,沟底及两端喇叭口护坡已完成。 -3下月监理工作打算:1、在工期控制上:以月进度计划为目标,落实具体监理内容及措施,并以此作为总施工进度计划目标控制。2、在安全控制上:整顿施工现场,加强安全管理,提高工人安全意识。3、在质量控制上:督促施工单位严格根据设计及相关法律规范施工,并且建立质量保证体系,落实质量责任制。4、在投资控制上:严格

1、当您付费下载文档后,您只拥有了使用权限,并不意味着购买了版权,文档只能用于自身使用,不得用于其他商业用途(如 [转卖]进行直接盈利或[编辑后售卖]进行间接盈利)。
2、本站所有内容均由合作方或网友上传,本站不对文档的完整性、权威性及其观点立场正确性做任何保证或承诺!文档内容仅供研究参考,付费前请自行鉴别。
3、如文档内容存在违规,或者侵犯商业秘密、侵犯著作权等,请点击“违规举报”。

碎片内容

兴园14路市政道路工程建设监理工作月报

您可能关注的文档

确认删除?
VIP
微信客服
  • 扫码咨询
会员Q群
  • 会员专属群点击这里加入QQ群
客服邮箱
回到顶部