电脑桌面
添加小米粒文库到电脑桌面
安装后可以在桌面快捷访问

动能供应故障处理管理工作标准

动能供应故障处理管理工作标准_第1页
1/1
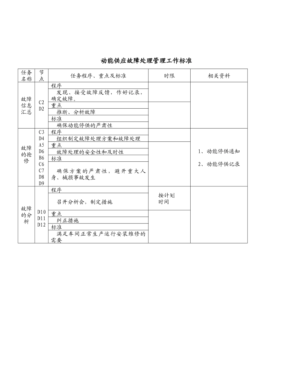
动能供应故障处理管理工作标准任务名称节点任务程序、重点及标准时限相关资料故障信息汇总C2D2程序发现、接受故障反馈,作好记录,确定故障。重点推断、分析故障标准确保动能停供的严肃性故障的抢修C3D4A5D6B6C6C7D8D9程序1、动能停供通知2、动能停供记录组织制定故障处理方案和故障处理重点故障处理的安全性和及时性标准确保方案的严肃性,避开重大人身、械损事故发生故障的分析D10D11D12程序 按计划时间召开分析会,制定措施重点纠正措施标准满足车间正常生产运行安装维修的需要

1、当您付费下载文档后,您只拥有了使用权限,并不意味着购买了版权,文档只能用于自身使用,不得用于其他商业用途(如 [转卖]进行直接盈利或[编辑后售卖]进行间接盈利)。
2、本站所有内容均由合作方或网友上传,本站不对文档的完整性、权威性及其观点立场正确性做任何保证或承诺!文档内容仅供研究参考,付费前请自行鉴别。
3、如文档内容存在违规,或者侵犯商业秘密、侵犯著作权等,请点击“违规举报”。

碎片内容

动能供应故障处理管理工作标准

确认删除?
VIP
微信客服
  • 扫码咨询
会员Q群
  • 会员专属群点击这里加入QQ群
客服邮箱
回到顶部