电脑桌面
添加小米粒文库到电脑桌面
安装后可以在桌面快捷访问

北京某小区勘察报告

北京某小区勘察报告_第1页
1/8
北京某小区勘察报告_第2页
2/8
北京某小区勘察报告_第3页
3/8
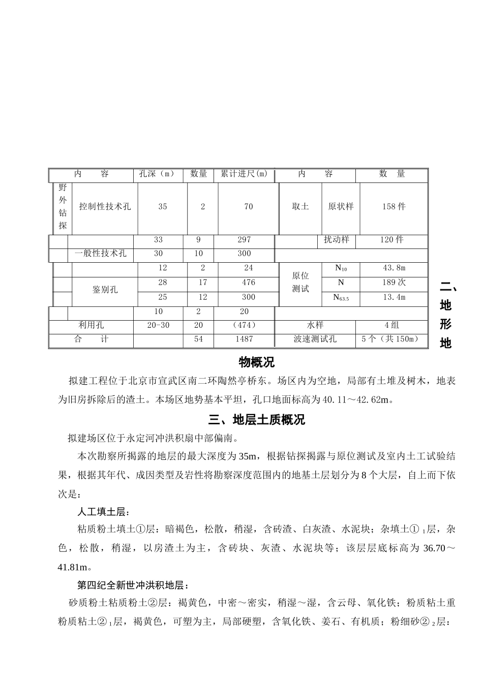
一、前 言1. 工程概况 受 房地产开发公司委托,我院承担了 公馆岩土工程详勘工作。拟建工程位于北京市宣武区南二环陶然亭桥东南角,设计方为北京市通宸建筑设计有限责任公司。 公馆包括 1#~8#楼,本勘察报告只涉及 3#~7#楼、B、C 地下车库、商业中心、附属设施,其中附属设施包括9班托幼、调压站、清洁站,4#、5#楼与 B 地下车库为同一筏板基础,6#、7#楼与 C 地下车库为同一筏板基础。具体情况见下表 1: 表 1 拟建物概况表依据《岩土工程勘察法律规范》(GB 50021-2001)3.1 条:本工程工程重要性等级为二级,场地的复杂程度为中等复杂场地,地基的复杂程度为二级,综合分析本工程岩土工程勘察等级为乙级。2. 勘察目的、任务及要求(1)查明建筑范围内岩土层的结构、成因年代、分布情况及基础设计所需各层岩土的物理力学指标,分析和评价地基的稳定性、均匀性和承载力;(2)查明有无影响建筑场地稳定性的不良地质作用,如存在则分析其成因类型、分布范围,预测其进展趋势,并评价其对工程建设的影响,提出预防措施。(3)提供工程所在区域的水文地质条件,拟建场区历年最高地下水位标高和近 3~5 年最高地下水位标高;查明本场区地下水类型、分布情况、水位标高、补给及排泄条件、腐蚀性建筑物名称地上层数地下层数结构形式基础形式基础埋深±0.00标高基础砌置标高单位面积荷载3#楼20-212剪力墙筏板-8.1m42.00m33.90m370kPa4#楼222剪力墙筏板-8.1m42.10m34.00m390kPa5#楼18-192剪力墙筏板-8.1m42.10m34.00m340kPa6#楼222剪力墙筏板-8.1m42.00m33.90m390kPa7#楼17-182剪力墙筏板-8.1m42.10m33.90m320kPaB 地下车库12框架筏板-12.2m100kPaC 地下车库11框架筏板-8.7m80kPa商业中心32框架筏板-9.1m42.30m33.20m80kPa9 班托幼4无调压站、清洁站1无根据场区水文地质条件,综合考虑影响地下水位动态变化的各类因素,确定本工程设防水位评价本场区地下水对工程的影响,提供基坑开挖工程应实行的地下水控制措施,当采纳降水控制措施时,应分析评价降水对周围环境的影响。(4)对拟建场地地面下 20m 深度范围内饱和砂土及粉土进行液化判别,对场地与地基的地震效应、抗震设计基本条件进行评定,确定抗震设防烈度、建筑场地类别,提供抗震设计参数。(5)对地基岩土层的工程特性和地基的稳定性进行分析评价,提出各岩土层的地基承载力标准值;论证采纳天然地基基础形式的可行性,对持力层选择、基础埋深等提出的建议。(6)...

1、当您付费下载文档后,您只拥有了使用权限,并不意味着购买了版权,文档只能用于自身使用,不得用于其他商业用途(如 [转卖]进行直接盈利或[编辑后售卖]进行间接盈利)。
2、本站所有内容均由合作方或网友上传,本站不对文档的完整性、权威性及其观点立场正确性做任何保证或承诺!文档内容仅供研究参考,付费前请自行鉴别。
3、如文档内容存在违规,或者侵犯商业秘密、侵犯著作权等,请点击“违规举报”。

碎片内容

北京某小区勘察报告

文森传品+ 关注
实名认证
内容提供者

一家传播文化教育的小店,资料丰富,随意挑选。

确认删除?
VIP
微信客服
  • 扫码咨询
会员Q群
  • 会员专属群点击这里加入QQ群
客服邮箱
回到顶部