电脑桌面
添加小米粒文库到电脑桌面
安装后可以在桌面快捷访问

北京碧河花园一期工程A区Ⅰ段群塔施工方案

北京碧河花园一期工程A区Ⅰ段群塔施工方案_第1页
1/7
北京碧河花园一期工程A区Ⅰ段群塔施工方案_第2页
2/7
北京碧河花园一期工程A区Ⅰ段群塔施工方案_第3页
3/7
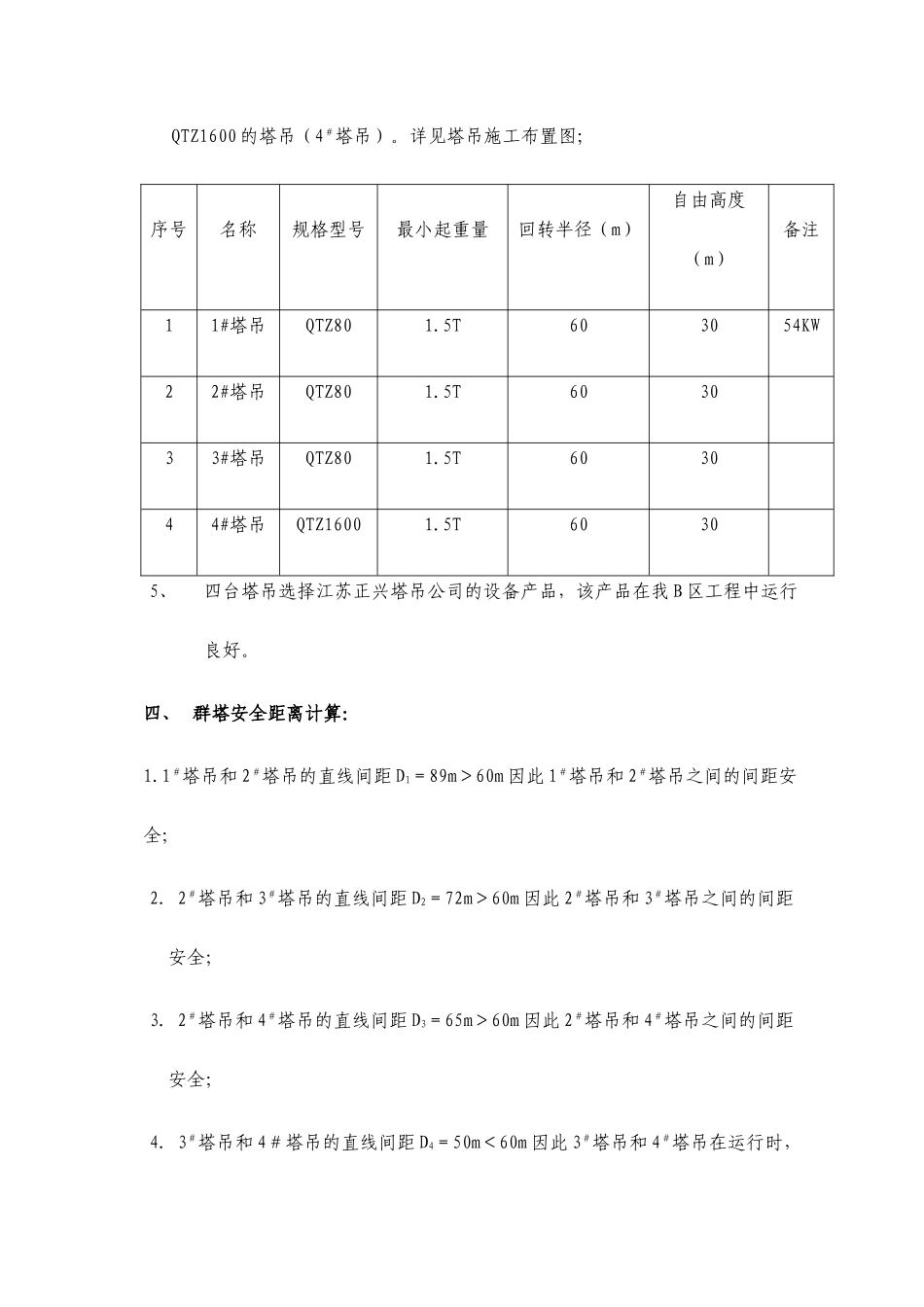
北京碧河花园一期工程 A 区Ⅰ段群塔施工方案一、工程概况:本工程拟建于北京市海淀区西直门,由北京东方筑中建设规划设计有限公司设计,位于海淀区与西城区交界之处。北邻高梁桥路,与北京北站仅咫尺之遥;南邻长河,与西城区隔河相望。现场四通一平准备工作基本就绪,我单位施工区域:A 区 1 标段,为框筒结构的地下一层半。地上部分为钢筋砼短肢剪力墙结构,基底标高为▽-8.750 米,建筑物顶面标高约为 21.800 米,占地面积约为12821.2 平方米。本建筑基础埋深为▽-8.75m~▽-8.25m,基础持有力层为④-3 层泥细砂;④-4层中粗砂;④-5 层粉层粘土;④-6 层固烁;④-7 层卵石层;承载力特征值fak=200kPa。我方施工的地下室为筏板基础,筏板面标高为▽-8.100m,板厚为 650mm 不等。整个地下室为一层半框剪结构,顶面标高为▽0.150m,全部砼采纳现浇混凝土。地下室周边为 350mm 厚防水钢筋砼墙,每栋楼中间有 3-4 个核心筒,西、北面各有一个汽车坡道,通往地下室。本工程施工后浇带宽 800mm,沉降后浇带宽1500mm,其设置部位见 A 区基础结构平面图。二、 编制依据:1.碧河花园一期工程 A 区工段施工蓝图;2.沈阳冶金勘察讨论院提供的地质勘察报告;3.北京市建筑工程施工安全操作规程(DBJ01-62-2025);4.建筑机械安全技术规程(JGJ33-2001);5.建筑施工安全检查标准(JGJ59-99);6.本工程结施工程施工方案。三、 塔吊的选择和布置:1、场地情况:本工程东面为 A 区Ⅱ段的施工场地,南面紧靠建筑红线砖墙和南长河,西面紧靠建筑红线砖墙和居民区,北面为 A 区段的施工场地,因此不能ⅵ在基坑南边和两边设置塔吊,只能在北面和东面设置塔吊;2、已施工的建筑物情况:本工程南北长约 300m,东西长约 80m,共用地下室,上有 A1-A5 五座六层半住宅楼,详见设计总平面图,由于东西方向过长,仅在基坑东边设置塔吊是无法满足 A2、A3、A4、A5 西边的施工和材料运输要求,故在地下室中设置两台塔吊,以满足施工要求。塔吊基础的施工详图塔吊施工方案。3、根据工程量的大小和场地的大小,我们选择了四台塔吊来满足施工的需要;4、在 A1 楼基坑北面中间设置一台 QTZ80 的塔吊(1#塔吊),在 A2、A3 楼中间地下室温度后带设置一台 QTZ80 的塔吊(2#塔吊),在 A4 楼基坑东面设一台 QTZ80 的塔吊(3#塔吊),在 A4、A5 楼中间地下室靠西边的后带设置一台QTZ1600 的塔吊(4#塔吊)。详见塔吊施工...

1、当您付费下载文档后,您只拥有了使用权限,并不意味着购买了版权,文档只能用于自身使用,不得用于其他商业用途(如 [转卖]进行直接盈利或[编辑后售卖]进行间接盈利)。
2、本站所有内容均由合作方或网友上传,本站不对文档的完整性、权威性及其观点立场正确性做任何保证或承诺!文档内容仅供研究参考,付费前请自行鉴别。
3、如文档内容存在违规,或者侵犯商业秘密、侵犯著作权等,请点击“违规举报”。

碎片内容

北京碧河花园一期工程A区Ⅰ段群塔施工方案

确认删除?
VIP
微信客服
  • 扫码咨询
会员Q群
  • 会员专属群点击这里加入QQ群
客服邮箱
回到顶部