电脑桌面
添加小米粒文库到电脑桌面
安装后可以在桌面快捷访问

厦工各部门指标排序与权重确定方法

厦工各部门指标排序与权重确定方法_第1页
1/11
厦工各部门指标排序与权重确定方法_第2页
2/11
厦工各部门指标排序与权重确定方法_第3页
3/11
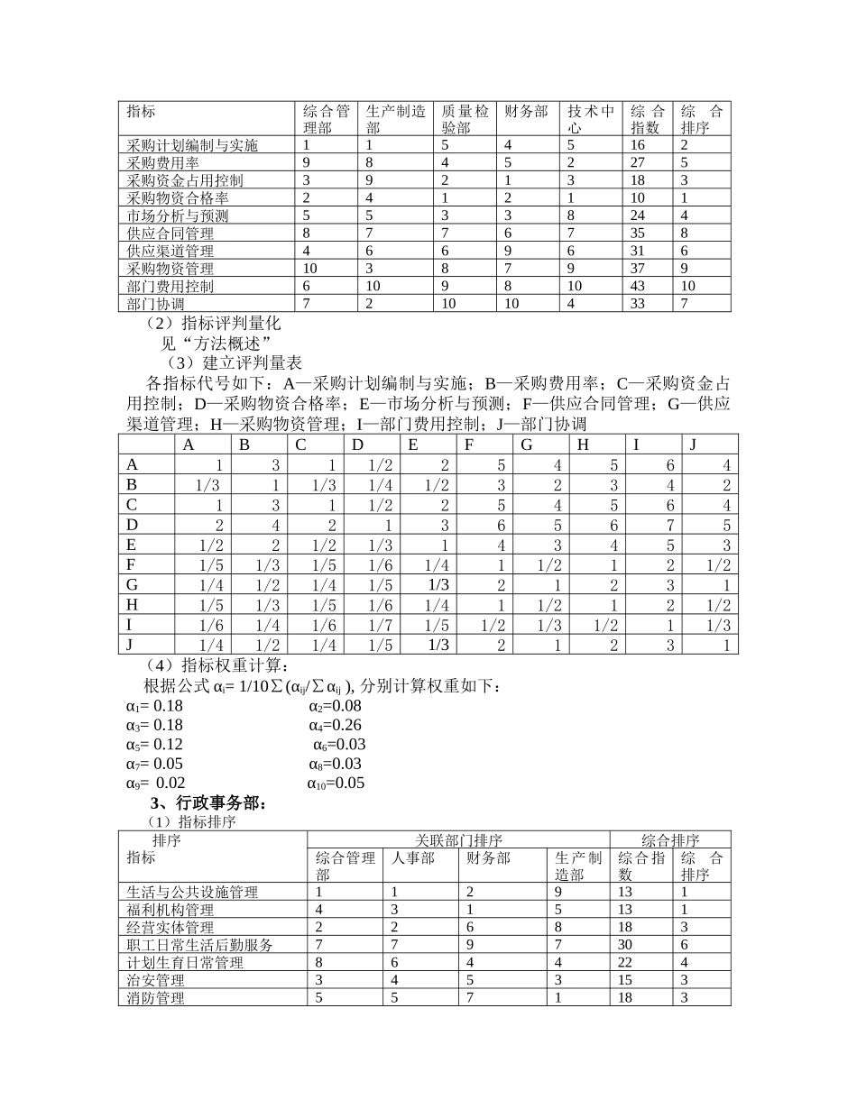
厦工部门绩效考核各项指标权重的确定 我们采纳国内外广泛应用的层次分析法(AHP),来确定各个部门十个考核指标的权重。具体步骤如下: 1、财务部: (1)指标排序 排序指标关联部门排序综合排序综 管部生 产部采 购部储 运部技 术中心人 事部销 售公司综 合指数综 合排序计划编制1632112161成本费用控制2143231161资金筹集管理49110364373资产管理与资金调度3321423182价格管理10476545414财务报告5897687506会计档案871048108558内部审计7588776485部门费用控制610591059547部门协调92659910506(2)指标评判量化见“方法概述”(3)建立评判量表 各指标代号如下:A—计划编制;B—成本费用控制;C—资金筹集管理;D—资产管理与资金调度;E—产品价格制定;F—财务报告;G—会计档案;H—内部审计;I—部门费用控制;J—部门协调ABCDEFGHIJA1132467576B1132467576C1/31/311/2245354D1/21/221356464E1/41/41/21/3134243F1/61/61/41/51/3121/221G1/71/71/51/61/41/211/311/2H1/51/51/31/41/223132I1/71/71/51/61/41/211/311/2J1/61/61/41/51/3121/221 (4)指标权重计算: 根据公式 αi= 1/10∑(αij/∑αij ), 分别计算权重如下:α1= 0.24 α2=0.24α3= 0.11 α4=0.16α5= 0.08 α6=0.04α7= 0.02 α8=0.05α9= 0.02 α10=0.042、采购部: (1)指标排序 排序关联部门排序综合排序指标综合管理部生产制造部质量检验部财务部技术中心综 合指数综合排序采购计划编制与实施11545162采购费用率98452275采购资金占用控制39213183采购物资合格率24121101市场分析与预测55338244供应合同管理87767358供应渠道管理46696316采购物资管理103879379部门费用控制61098104310部门协调7210104337 (2)指标评判量化见“方法概述”(3)建立评判量表 各指标代号如下:A—采购计划编制与实施;B—采购费用率;C—采购资金占用控制;D—采购物资合格率;E—市场分析与预测;F—供应合同管理;G—供应渠道管理;H—采购物资管理;I—部门费用控制;J—部门协调ABCDEFGHIJA131 1/225 4564B 1/31 1/3 1/4 1/232342C131 1/2254564D2421365675E 1/22 1/2 1/3143453F 1/5 1/3 1/5 1/6 1/41 1/212 1/2G 1/4 1/2 1/4 1/5 1/321 231H 1/5 1/3 1/5 1/6 1/41 1/212 1/2I 1/6 1/4 1/6 1/7 1/5 1/2 1/3 1/21 1/3J 1/4 1/2 1/4 1/5 1/321 231 (4)指标权重计算: 根据公式 αi= 1/10∑(...

1、当您付费下载文档后,您只拥有了使用权限,并不意味着购买了版权,文档只能用于自身使用,不得用于其他商业用途(如 [转卖]进行直接盈利或[编辑后售卖]进行间接盈利)。
2、本站所有内容均由合作方或网友上传,本站不对文档的完整性、权威性及其观点立场正确性做任何保证或承诺!文档内容仅供研究参考,付费前请自行鉴别。
3、如文档内容存在违规,或者侵犯商业秘密、侵犯著作权等,请点击“违规举报”。

碎片内容

厦工各部门指标排序与权重确定方法

您可能关注的文档

确认删除?
VIP
微信客服
  • 扫码咨询
会员Q群
  • 会员专属群点击这里加入QQ群
客服邮箱
回到顶部