电脑桌面
添加小米粒文库到电脑桌面
安装后可以在桌面快捷访问

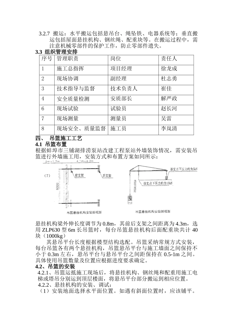
吊篮施工方案正文

吊篮施工方案正文_第1页
1/13
吊篮施工方案正文_第2页
2/13
吊篮施工方案正文_第3页
3/13
目录一、编制依据 ........................................................ 1 二、工程概况 ........................................................ 1 三、施工准备工作 .................................................... 1 3.1. 材料准备 .................................................. 1 3.2 生产及技术准备 ............................................. 2 3.3 组织管理安排 ............................................... 3 四、吊篮施工工艺 .................................................... 3 4.1 吊篮布置 ................................................... 3 4.2 、吊篮的安装 ................................................. 3 4.3 .通电、检查 ................................................. 6 4.4 、验算、验收 ................................................. 7 4.5 移位 ...................................................... 10 4.6 .拆除 ...................................................... 10 4.7 、维护、保养 ................................................ 10 五、安全质量环保措施 ............................................... 10 5.1 安全保证措施 ............................................... 10 5.2 质量保证措施 ................................................ 12 5.3 环境保证措施 ............................................... 13 5.4 季节性施工措施 ............................................. 13 电动吊篮施工方案一、 编制依据: 蚌埠市三铺湖排涝泵站工程施工图。《三铺湖排涝泵站改建工程招标文件——技术法律规范》《中华人民共和国高处作业标准》GB 19155-2025。二、 工程概况三铺湖排涝泵站位于五河县沫河口镇东约 1km 处的淮北大堤内侧,承担 51km2 洼地的排涝任务;三铺湖站设计抽排流量为50m3/s,总装机容量 6250kW。泵站为堤后式布置型式,正向进、出水,由北向南呈一字形布置;选用 1700ZLB10-5.35 型立式轴流泵 5套。泵站泵房部格外墙饰面采纳铝幕墙(铝板采纳 12㎜厚复合蜂窝铝板)、石材幕墙(铝材厚度不小于 2.0㎜),隐框半隐框玻璃幕墙(具体由相关专业幕墙公司设计)。施工过程拟采纳吊篮施工作业,吊篮型号:ZLD63/...

1、当您付费下载文档后,您只拥有了使用权限,并不意味着购买了版权,文档只能用于自身使用,不得用于其他商业用途(如 [转卖]进行直接盈利或[编辑后售卖]进行间接盈利)。
2、本站所有内容均由合作方或网友上传,本站不对文档的完整性、权威性及其观点立场正确性做任何保证或承诺!文档内容仅供研究参考,付费前请自行鉴别。
3、如文档内容存在违规,或者侵犯商业秘密、侵犯著作权等,请点击“违规举报”。

碎片内容

吊篮施工方案正文

您可能关注的文档

确认删除?
VIP
微信客服
  • 扫码咨询
会员Q群
  • 会员专属群点击这里加入QQ群
客服邮箱
回到顶部