电脑桌面
添加小米粒文库到电脑桌面
安装后可以在桌面快捷访问

土建中级案例答案

土建中级案例答案_第1页
1/11
土建中级案例答案_第2页
2/11
土建中级案例答案_第3页
3/11
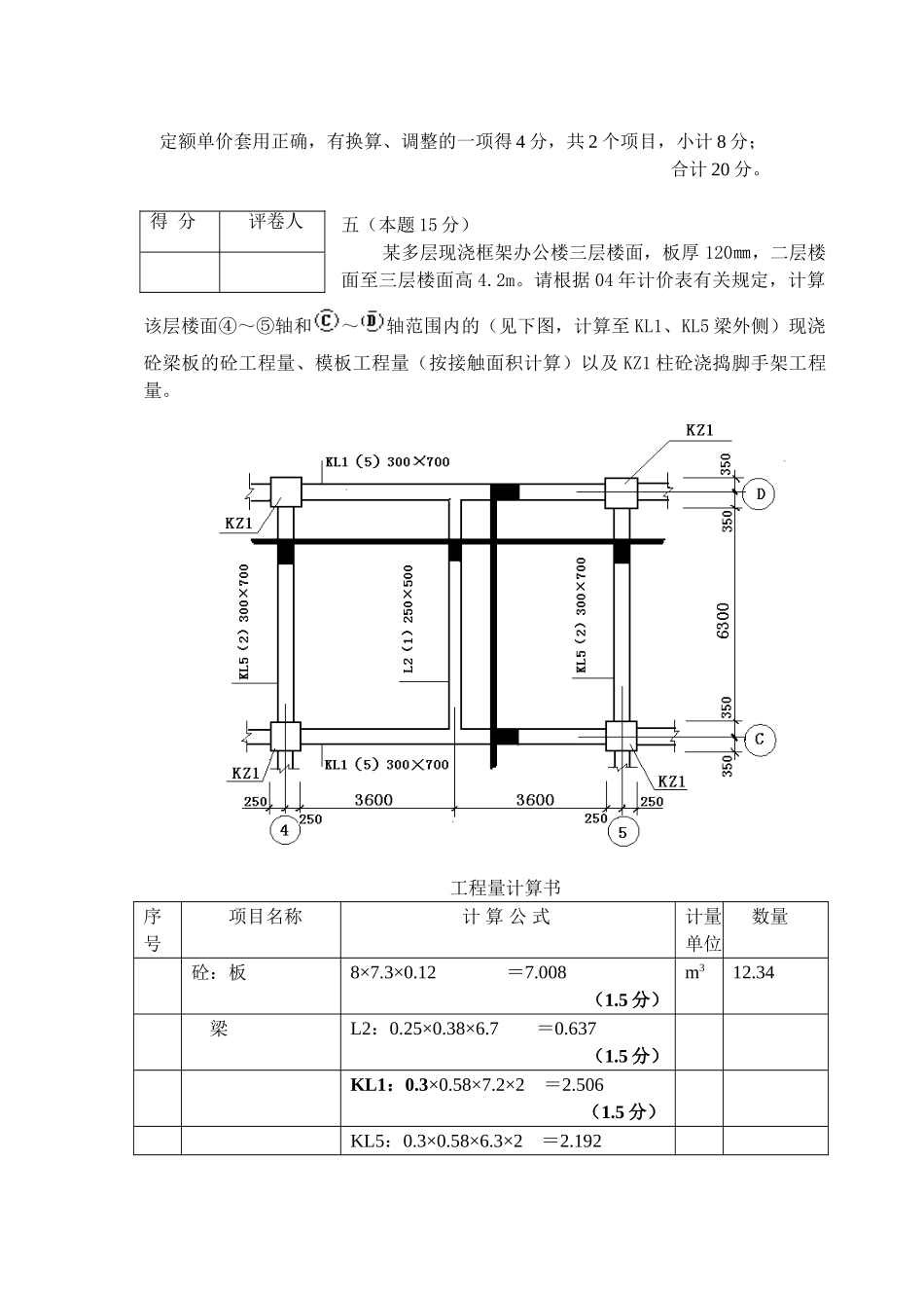
二○○五年江苏省工程造价编审专业人员考试土建造价案例分析试卷中级参考答案、评分方法与评分标准题号三五六七八总分计分人核分人得分注意:(所有题目中,凡定额编号正确,每项得 0.5 分,由于保留位数不同产生的差异予以认可)本卷为案例分析题,中级做三、五~八题,共五题,总分 120 分;多做和漏做的题均不得分。人工工资单价和施工机械台班单价全部以 04 年计价表中价格为准;文字与图形不同时,以文字说明为准;小数点保留位数:土方及以㎏或㎡为单位的取整数,其他保留两位,后一位四舍五入。要求分析合理,结论正确,并简要写出计算过程。专业级别的填写以“√”确定即可。三(本题 20 分)某 三 类 工 程 的 多 层 商 场 , 上 人 平 屋 面 ( 檐 口 高 度17.25m)的复合防水做法见下表,请依据 04 年计价表的规定,确定出每个项目的综合单价。工程预算表序号定额编号项目名称计量单位金额(元)综合单价得分9—7240 厚 C20 细石砼面层(有分格缝)10㎡211.072 分4—14—4 换Ф4@150 双向钢筋t3421.483776.784 分9—799—79 换4 厚石灰砂浆隔离层10㎡13.4514.472 分9—53三元乙丙防水卷材(APP 粘接剂)10㎡462.082 分9—76 换12—1620 厚 1:2.5 水泥砂浆找平层10㎡70.3279.714 分9—22240 厚喷涂改性聚氨脂硬泡体保温10㎡963.662 分9—1072 厚聚氨脂涂料三度10㎡264.932 分12—1520 厚 1:3 水泥砂浆找平层10㎡63.542 分评分方法与评分标准:定额单价套用正确,无换算的一项得 2 分,共 6 个项目,小计 12 分;得 分评卷人定额单价套用正确,有换算、调整的一项得 4 分,共 2 个项目,小计 8 分;合计 20 分。五(本题 15 分)某多层现浇框架办公楼三层楼面,板厚 120㎜,二层楼面至三层楼面高 4.2m。请根据 04 年计价表有关规定,计算该层楼面④~⑤轴和~轴范围内的(见下图,计算至 KL1、KL5 梁外侧)现浇砼梁板的砼工程量、模板工程量(按接触面积计算)以及 KZ1 柱砼浇捣脚手架工程量。 工程量计算书序号项目名称计 算 公 式计量单位数量砼:板8×7.3×0.12 =7.008(1.5 分)m312.34 梁L2:0.25×0.38×6.7 =0.637(1.5 分)KL1:0.3×0.58×7.2×2 =2.506(1.5 分)KL5:0.3×0.58×6.3×2 =2.192得 分评卷人(1.5 分)支模板 板7.15×6.7—0.2×0.1×4 =47.825(1.5 分)㎡95 L2(0.38×2+0.25)×6.7 =6.767(1.5 ...

1、当您付费下载文档后,您只拥有了使用权限,并不意味着购买了版权,文档只能用于自身使用,不得用于其他商业用途(如 [转卖]进行直接盈利或[编辑后售卖]进行间接盈利)。
2、本站所有内容均由合作方或网友上传,本站不对文档的完整性、权威性及其观点立场正确性做任何保证或承诺!文档内容仅供研究参考,付费前请自行鉴别。
3、如文档内容存在违规,或者侵犯商业秘密、侵犯著作权等,请点击“违规举报”。

碎片内容

土建中级案例答案

确认删除?
VIP
微信客服
  • 扫码咨询
会员Q群
  • 会员专属群点击这里加入QQ群
客服邮箱
回到顶部