电脑桌面
添加小米粒文库到电脑桌面
安装后可以在桌面快捷访问

控制现浇密肋模壳楼盖结构成型质量

控制现浇密肋模壳楼盖结构成型质量_第1页
1/9
控制现浇密肋模壳楼盖结构成型质量_第2页
2/9
控制现浇密肋模壳楼盖结构成型质量_第3页
3/9
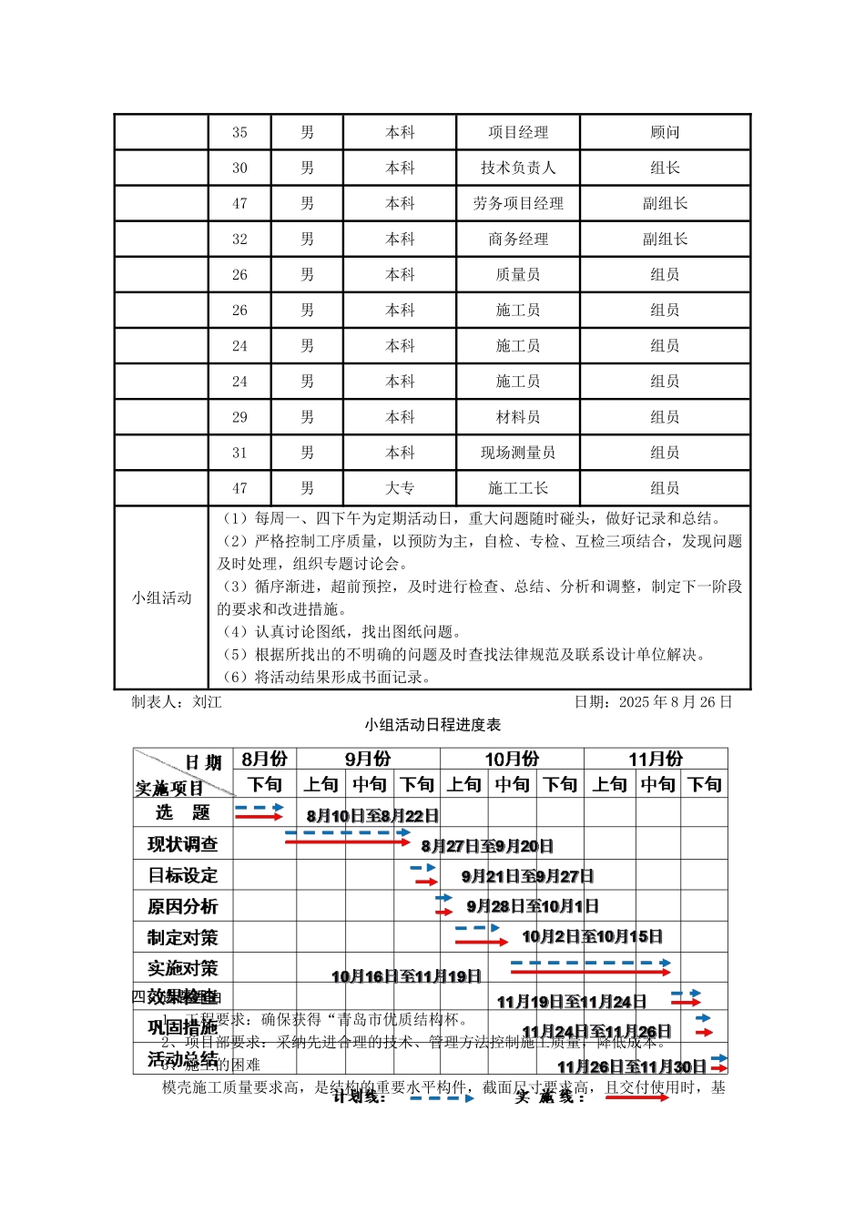
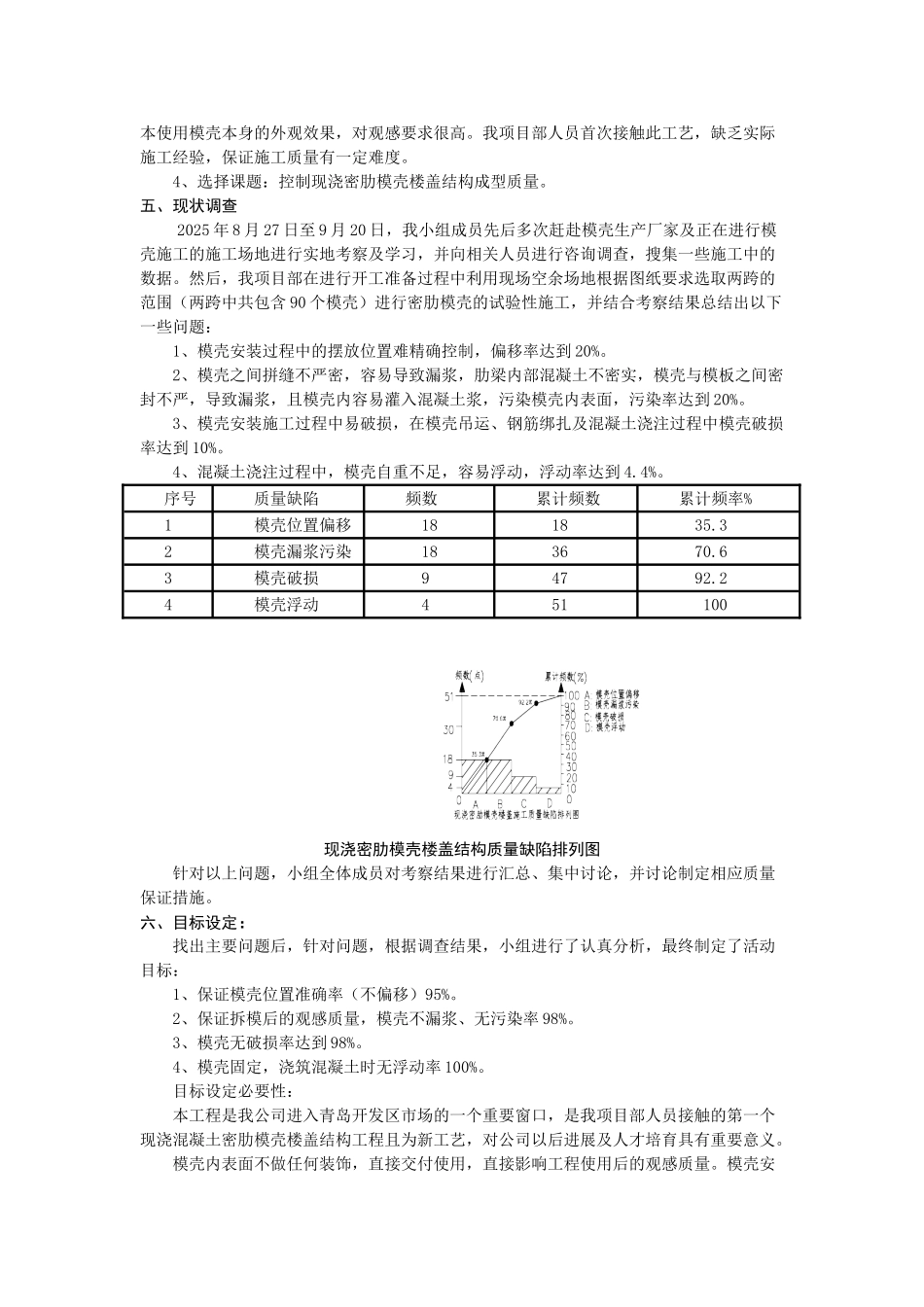
控制现浇密肋模壳楼盖结构成型质量一、工程概况:项目,地下部分建筑面积约为 16350.07 平方米,地下车库顶板采纳现浇密肋模壳结构,模壳所占面积约为 9400 平方米。本工程地下一层,用途为地下车库。由于地下仅有一层,空间有限,所以需要采纳必要的方法,使有限的空间尽可能多的利用起来。现浇密肋模壳楼盖是实现建筑大跨度空间的一种重要结构形式。二、工艺概况: 现浇密肋模壳结构施工技术,工艺原理是通过在楼板结构中预制模壳,在不取出模壳的情况下浇筑混凝土,从而形成密肋梯形梁受力的现浇水平构件。模壳的定位直接影响梯形梁的截面,关系到结构受力与结构安全。本工程的密肋模壳采纳拥有专利权的新型材料,材质为菱镁水泥制品,模壳尺寸有四种规格:920×920,920×620,620×620,920×320,此材料具有重量轻、强度高、抗裂性和抗震性好的特点,施工方便,与普通楼板相比较,刚度大、荷载大、整体性能好,楼体自重减轻,梁、柱、基础配筋也减少,综合造价降低,另外具有保温、隔音的效果,与混凝土之间有较强的结合能力。三、QC 小组简介: (唐岛 ONE)项目 QC 小组简介见下表。(唐岛 ONE)QC 小组简介小组名称)QC 小组课题类型现场型成立时间2025 年 8 月 26 日课题控制现浇密肋模壳楼盖结构成型质量本课题活动时间:2025.8-2025.11; 活动次数:每周二次;出勤率:96%QC 小组成员概况一览表姓名年龄性别文化程度职务组内分工35男本科项目经理顾问30男本科技术负责人组长47男本科劳务项目经理副组长32男本科商务经理副组长26男本科质量员组员26男本科施工员组员24男本科施工员组员24男本科施工员组员29男本科材料员组员31男本科现场测量员组员47男大专施工工长组员小组活动(1)每周一、四下午为定期活动日,重大问题随时碰头,做好记录和总结。(2)严格控制工序质量,以预防为主,自检、专检、互检三项结合,发现问题及时处理,组织专题讨论会。(3)循序渐进,超前预控,及时进行检查、总结、分析和调整,制定下一阶段的要求和改进措施。(4)认真讨论图纸,找出图纸问题。(5)根据所找出的不明确的问题及时查找法律规范及联系设计单位解决。(6)将活动结果形成书面记录。制表人:刘江 日期:2025 年 8 月 26 日 小组活动日程进度表四、选题理由1、工程要求:确保获得“青岛市优质结构杯。2、项目部要求:采纳先进合理的技术、管理方法控制施工质量,降低成本。3、施工的困难模壳施工质量要求高,是...

1、当您付费下载文档后,您只拥有了使用权限,并不意味着购买了版权,文档只能用于自身使用,不得用于其他商业用途(如 [转卖]进行直接盈利或[编辑后售卖]进行间接盈利)。
2、本站所有内容均由合作方或网友上传,本站不对文档的完整性、权威性及其观点立场正确性做任何保证或承诺!文档内容仅供研究参考,付费前请自行鉴别。
3、如文档内容存在违规,或者侵犯商业秘密、侵犯著作权等,请点击“违规举报”。

碎片内容

控制现浇密肋模壳楼盖结构成型质量

您可能关注的文档

确认删除?
VIP
微信客服
  • 扫码咨询
会员Q群
  • 会员专属群点击这里加入QQ群
客服邮箱
回到顶部