电脑桌面
添加小米粒文库到电脑桌面
安装后可以在桌面快捷访问

提高剪力墙层间混凝土一次验收合格率

提高剪力墙层间混凝土一次验收合格率_第1页
1/10
提高剪力墙层间混凝土一次验收合格率_第2页
2/10
提高剪力墙层间混凝土一次验收合格率_第3页
3/10
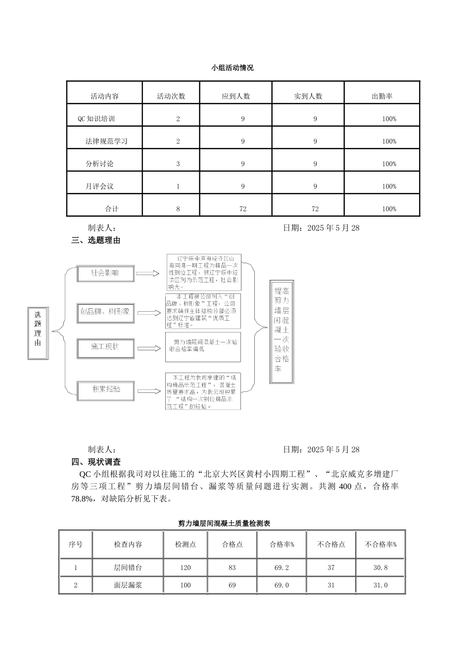
提高剪力墙层间混凝土一次验收合格率一期工程 一期工程 QC 小组一、工程概况项目一期工程,地下二层,地上 34 层,结构形式为框架剪力墙结构,使用功能为酒店式公寓。本工程是经济区“精品示范工程”,为了让这示范精品工程得到社会的认同,我司将该工程项目列为创辽宁“世纪杯” 工程。为了实现辽宁省建筑“世纪杯” 工程目标关键在于突出“精”,施工中往往模板工程质量不被重视,出现的质量隐患也比较多。尤其外立面剪力墙层间错台对外墙保温施工带来巨大麻烦及经济上的损失,本课题重点讨论提高剪力墙层间混凝土一次验收合格率。二、QC 活动小组简介QC 小组概况小组名称一期工程 QC 小组活动时间2025.3 至 2025.1成立时间2025.3.15注册编号小组类型现场型小组人数9成员平均 TQC 教育90 小时出勤率100%课题名称提高剪力墙层间混凝土一次验收合格率制表人: 日期:2025 年 4 月 2 日QC 小组分工情况小组成员姓名职务职称组内分工技术负责人高工组长:活动组织、成员管理项目经理工程师副组长:对策实施,成果整理生产经理工程师副组长:对策实施,成果整理施工员工程师组员:对策实施木工技术负责人工程师组员:对策实施材料员助工组员:对策实施质检员助工组员:实施检查、数据收集工长助工组员:对策实施副工长助工组员:对策实施制表人: 日期:2025 年 5 月 28 日小组活动情况制表人: 日期:2025 年 5 月 28三、选题理由制表人: 日期:2025 年 5 月 28四、现状调查QC 小组根据我司对以往施工的“北京大兴区黄村小四期工程”、“北京威克多增建厂房等三项工程”剪力墙层间错台、漏浆等质量问题进行实测。共测 400 点,合格率78.8%,对缺陷分析见下表。剪力墙层间混凝土质量检测表序号检查内容检测点合格点合格率%不合格点不合格率%1层间错台1208369.23730.82面层漏浆1006969.03131.0活动内容活动次数应到人数实到人数出勤率QC 知识培训299100%法律规范学习299100%分析讨论399100%月评会议199100%合计87272100%3混凝土蜂窝烂根857790.689.44表面平整958690.599.5合计40031578.88522.2质量不合格频数统计表序号检查内容频数频率%累计频率%1层间错台3743.543.52面层漏浆3136.680.13混凝土蜂窝烂根89.389.44表面平整910.6100合 计85100制表人: 日期:2025 年 6 月 1制图人: 日期:2025 年 6 月 1从调查表及排列图可以看出“层间错台”、“面层漏浆”占不合格总频率的 80.1%是影响...

1、当您付费下载文档后,您只拥有了使用权限,并不意味着购买了版权,文档只能用于自身使用,不得用于其他商业用途(如 [转卖]进行直接盈利或[编辑后售卖]进行间接盈利)。
2、本站所有内容均由合作方或网友上传,本站不对文档的完整性、权威性及其观点立场正确性做任何保证或承诺!文档内容仅供研究参考,付费前请自行鉴别。
3、如文档内容存在违规,或者侵犯商业秘密、侵犯著作权等,请点击“违规举报”。

碎片内容

提高剪力墙层间混凝土一次验收合格率

文森传品+ 关注
实名认证
内容提供者

一家传播文化教育的小店,资料丰富,随意挑选。

相关文档

确认删除?
VIP
微信客服
  • 扫码咨询
会员Q群
  • 会员专属群点击这里加入QQ群
客服邮箱
回到顶部