电脑桌面
添加小米粒文库到电脑桌面
安装后可以在桌面快捷访问

提高现浇高大混凝土柱观感质量

提高现浇高大混凝土柱观感质量_第1页
1/12
提高现浇高大混凝土柱观感质量_第2页
2/12
提高现浇高大混凝土柱观感质量_第3页
3/12
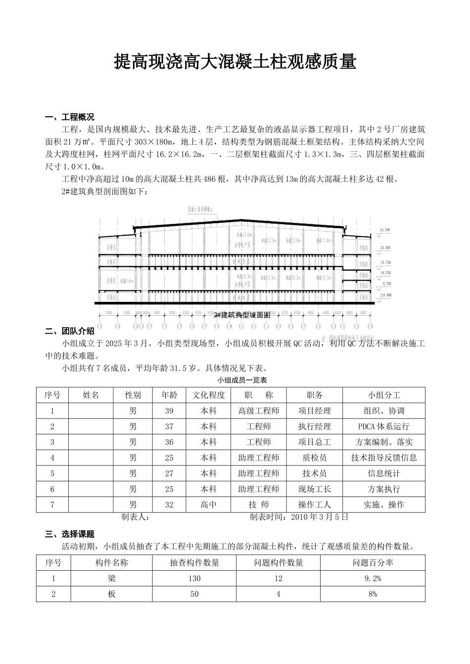
提高现浇高大混凝土柱观感质量一、工程概况工程,是国内规模最大、技术最先进、生产工艺最复杂的液晶显示器工程项目,其中 2 号厂房建筑面积 21 万㎡。平面尺寸 303×180m,地上 4 层,结构类型为钢筋混凝土框架结构。主体结构采纳大空间及大跨度柱网,柱网平面尺寸 16.2×16.2m,一、二层框架柱截面尺寸 1.3×1.3m,三、四层框架柱截面尺寸 1.0×1.0m。工程中净高超过 10m 的高大混凝土柱共 486 根,其中净高达到 13m 的高大混凝土柱多达 42 根。2#建筑典型剖面图如下:2#建筑典型坡面图二、团队介绍小组成立于 2025 年 3 月,小组类型现场型,小组成员积极开展 QC 活动,利用 QC 方法不断解决施工中的技术难题。小组共有 7 名成员,平均年龄 31.5 岁。具体情况见下表。小组成员一览表序号姓名性别年龄文化程度职 称职务小组分工1男39本科高级工程师项目经理组织、协调2男37本科工程师执行经理PDCA 体系运行3男36本科工程师项目总工方案编制、落实4男25本科助理工程师质检员技术指导反馈信息5男27本科助理工程师技术员信息统计6男25本科助理工程师现场工长方案执行7男32高中技 师操作工人实施、操作制表人: 制表时间:2010 年 3 月 5 日三、选择课题活动初期,小组成员抽查了本工程中先期施工的部分混凝土构件,统计了观感质量差的构件数量。序号构件名称抽查构件数量问题构件数量问题百分率1梁130129.2%2板5048%±0.0005.75015.75023.30031.10010.7503柱(h≤6m)110109.1%4柱(h>6m)501428%制表人: 制表时间:2010 年 3 月 5 日由上表可以明显看出,已施工的混凝土构件中,当柱高度大于 6m 时,出现观感质量问题的百分率急剧增高,将严重影响工程的整体质量。出于本工程的重要性以及该问题的严重性,我们确定小组课题为:提高现浇高大混凝土柱观感质量。四、现状调查4.1 与同类工程比较根据以往施工经验,当框架柱净高大于 6m 时,为了确保模板及其支撑体系的安全和稳定,一般采纳分次施工的方式,但此种方法需在一根框架柱上重复一个甚至几个同样的工作循环,使施工总周期大大加长,且增加了混凝土接茬数量,非常不利于施工进度及施工质量的控制。在道路桥梁工程中,出现高大柱及桥墩时,由于柱截面大且通常为异形截面,一般采纳定型钢模板施工,此种方法可以确保模板质量,但施工成本较高,一次性投入较大,对于工业厂房的施工不太适用。4.2 施工中常见问题调查我们组织小组成员对本工...

1、当您付费下载文档后,您只拥有了使用权限,并不意味着购买了版权,文档只能用于自身使用,不得用于其他商业用途(如 [转卖]进行直接盈利或[编辑后售卖]进行间接盈利)。
2、本站所有内容均由合作方或网友上传,本站不对文档的完整性、权威性及其观点立场正确性做任何保证或承诺!文档内容仅供研究参考,付费前请自行鉴别。
3、如文档内容存在违规,或者侵犯商业秘密、侵犯著作权等,请点击“违规举报”。

碎片内容

提高现浇高大混凝土柱观感质量

津创媒+ 关注
实名认证
内容提供者

欢迎交流文创,小店资料希望满足您的需要。

相关文档

确认删除?
VIP
微信客服
  • 扫码咨询
会员Q群
  • 会员专属群点击这里加入QQ群
客服邮箱
回到顶部