电脑桌面
添加小米粒文库到电脑桌面
安装后可以在桌面快捷访问

材料设备验收办法

材料设备验收办法_第1页
1/3
材料设备验收办法_第2页
2/3
材料设备验收办法_第3页
3/3
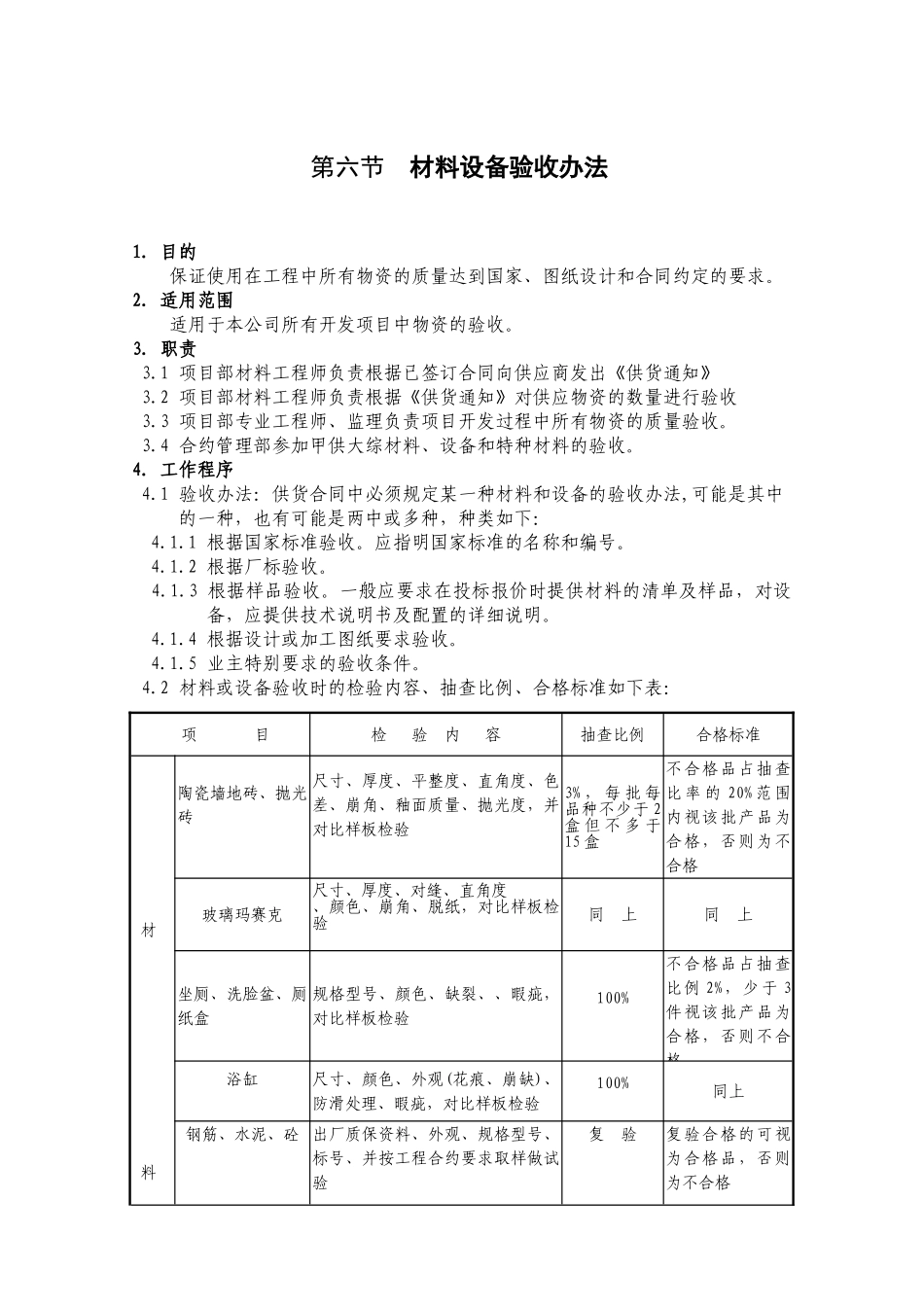
第六节 材料设备验收办法1. 目的保证使用在工程中所有物资的质量达到国家、图纸设计和合同约定的要求。2. 适用范围适用于本公司所有开发项目中物资的验收。3. 职责3.1 项目部材料工程师负责根据已签订合同向供应商发出《供货通知》3.2 项目部材料工程师负责根据《供货通知》对供应物资的数量进行验收3.3 项目部专业工程师、监理负责项目开发过程中所有物资的质量验收。3.4 合约管理部参加甲供大综材料、设备和特种材料的验收。4. 工作程序4.1 验收办法:供货合同中必须规定某一种材料和设备的验收办法,可能是其中的一种,也有可能是两中或多种,种类如下:4.1.1 根据国家标准验收。应指明国家标准的名称和编号。4.1.2 根据厂标验收。 4.1.3 根据样品验收。一般应要求在投标报价时提供材料的清单及样品,对设备,应提供技术说明书及配置的详细说明。4.1.4 根据设计或加工图纸要求验收。4.1.5 业主特别要求的验收条件。4.2 材料或设备验收时的检验内容、抽查比例、合格标准如下表:项 目检 验 内 容抽查比例合格标准材料陶瓷墙地砖、抛光砖尺寸、厚度、平整度、直角度、色差、崩角、釉面质量、抛光度,并对比样板检验3% , 每 批 每品种不少于 2盒 但 不 多 于15 盒不合格品占抽查比 率 的 20% 范 围内视该批产品为合格,否则为不合格品玻璃玛赛克尺寸、厚度、对缝、直角度、颜色、崩角、脱纸,对比样板检验同 上同 上坐厕、洗脸盆、厕纸盒规格型号、颜色、缺裂、、暇疵,对比样板检验100%不合格品占抽查比例 2%,少于 3件视该批产品为合格,否则不合格浴缸尺寸、颜色、外观(花痕、崩缺)、防滑处理、暇疵,对比样板检验100%同上钢筋、水泥、砼 出厂质保资料、外观、规格型号、标号、并按工程合约要求取样做试验复 验复验合格的可视为合格品,否则为不合格门五金(门锁、防盗眼、门碰等)规格型号、外观、包装、尺寸、零件是否齐全符合等级,对比样板或样本检验10%不合格品占抽查比 率 的 20% 范 围内视该批产品为合格,否则为不合格品龙 头 、 住 宅 用 角阀、隔气等规格型号、外观、零件是否齐全,对比样板检验同 上同上设备电梯点箱验收、外观检查,如有破损,核对装箱单,并记录全部逐件检验,符合的按合格收货,否则换货处理机电类外观检查、产品合格证、产品说明书、性能检查全部逐件检验,符合的按合格收货,否则换货处理空调类外观检查、产品合格证、产品说明书全部逐件检验,符合的按合...

1、当您付费下载文档后,您只拥有了使用权限,并不意味着购买了版权,文档只能用于自身使用,不得用于其他商业用途(如 [转卖]进行直接盈利或[编辑后售卖]进行间接盈利)。
2、本站所有内容均由合作方或网友上传,本站不对文档的完整性、权威性及其观点立场正确性做任何保证或承诺!文档内容仅供研究参考,付费前请自行鉴别。
3、如文档内容存在违规,或者侵犯商业秘密、侵犯著作权等,请点击“违规举报”。

碎片内容

材料设备验收办法

您可能关注的文档

确认删除?
VIP
微信客服
  • 扫码咨询
会员Q群
  • 会员专属群点击这里加入QQ群
客服邮箱
回到顶部