电脑桌面
添加小米粒文库到电脑桌面
安装后可以在桌面快捷访问

框剪结构高层住宅楼预制楼梯吊装施工方案2

框剪结构高层住宅楼预制楼梯吊装施工方案2_第1页
1/16
框剪结构高层住宅楼预制楼梯吊装施工方案2_第2页
2/16
框剪结构高层住宅楼预制楼梯吊装施工方案2_第3页
3/16
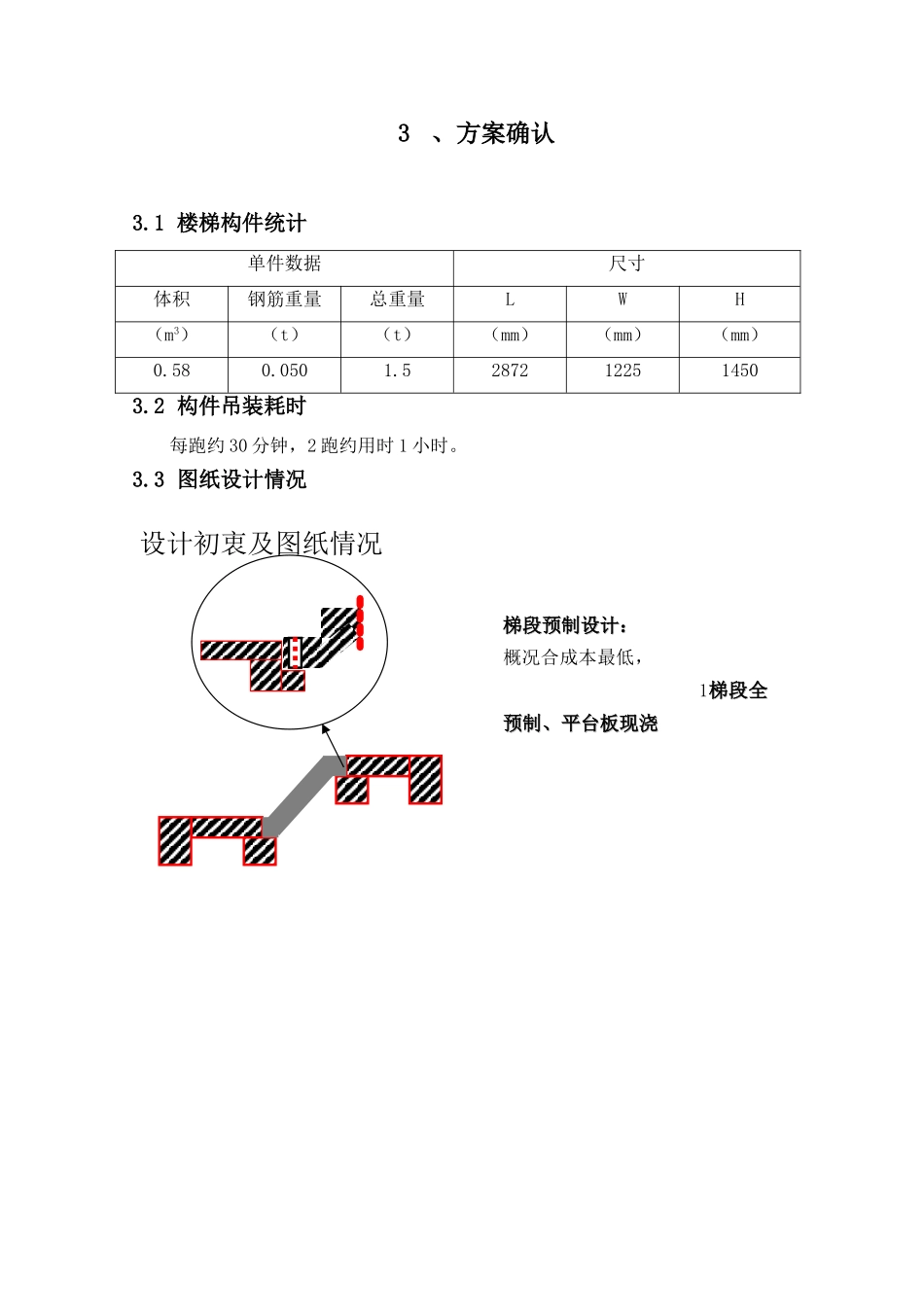
目 录1、工程概况...................................................................................................22、编制依据...................................................................................................23、方案确认...................................................................................................23.1楼梯构件统计...........................................................................................23.2构件吊装耗时...........................................................................................33.3图纸设计情况...........................................................................................34、材料进场路线及堆放...............................................................................45、材料进场计划...........................................................................................46、施工组织...................................................................................................46.1吊装前准备要点.......................................................................................46.2吊装工具的计算.......................................................................................56.3楼梯构件吊装要点.................................................................................126.4吊装过程示意.........................................................................................126.5施工安装及后期处理.............................................................................127、劳动力组织.............................................................................................128、安全管理.................................................................................................129、吊装质量管理.........................................................................................121、工程概况工程名称:XX.XX 三期工程 XX5-7 樱花湖 1-16 栋高层建设单位:XX 市 XXXX 有限公司设计单位:XX 市 XX 有限公司监理单位:XX 市 XX 有限公司施工单位:XX 市 X...

1、当您付费下载文档后,您只拥有了使用权限,并不意味着购买了版权,文档只能用于自身使用,不得用于其他商业用途(如 [转卖]进行直接盈利或[编辑后售卖]进行间接盈利)。
2、本站所有内容均由合作方或网友上传,本站不对文档的完整性、权威性及其观点立场正确性做任何保证或承诺!文档内容仅供研究参考,付费前请自行鉴别。
3、如文档内容存在违规,或者侵犯商业秘密、侵犯著作权等,请点击“违规举报”。

碎片内容

框剪结构高层住宅楼预制楼梯吊装施工方案2

您可能关注的文档

确认删除?
VIP
微信客服
  • 扫码咨询
会员Q群
  • 会员专属群点击这里加入QQ群
客服邮箱
回到顶部