电脑桌面
添加小米粒文库到电脑桌面
安装后可以在桌面快捷访问

污水顶管施组设计(07

污水顶管施组设计(07_第1页
1/49
污水顶管施组设计(07_第2页
2/49
污水顶管施组设计(07_第3页
3/49
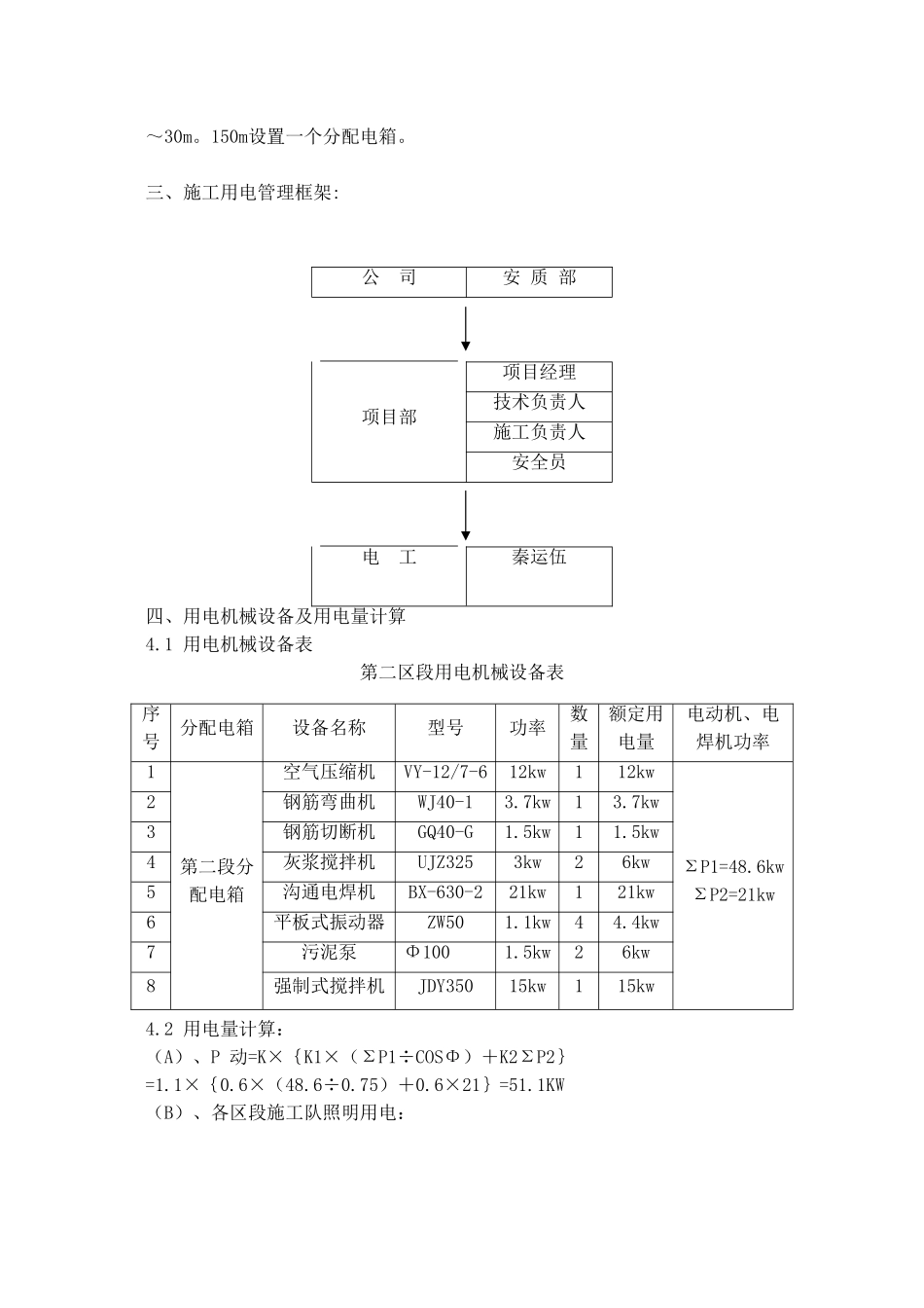
第一节 工程概况桂林市某污水收集系统某污水干管续建工程及北区污水收集系统第四批管网 B 包工程属广西环保项目桂林子项目的一个组件,是某污水收集系统的部分工程,包括污水支管工程及第四污水净化厂尾水管道工程;北区污水收集系统第四批管网 B 包工程,包括群众路污水管工程、清风小区污水管工程和芦笛路二巷及芦笛路小学路污水管工程。一、设计原则污水管道起点由桂林市自来水公司瓦窑水厂起门口,沿规划道路,最终接入政府投资拟建、正在进行的污水提升泵站。原第四污水净化厂尾水就近排入附近沟渠,受沟渠流量影响,不能满足要求,故需新建管道排放尾水,由第四污水净化厂出水口起,最终进入漓江。二、管道主要数量管道总长:4181M。检查井 68 座。其中污水管道长 888 米,检查井 20 座;尾水管道长 3293 米,检查井 47 座,溢流井 1 座。第二节 施工部署一、施工段的划分根据本工程的管道布置、走向、长度及工程量,可分为Ⅰ~Ⅶ七个施工段,每个施工段包括:顶管施工、开槽施工(若有)、检查井砌筑施工及路面恢复等。其中:Ⅰ 施工段:南厂到铁路(Ø1500 管,顶管施工,519 米,10 个井)尾水管;Ⅱ 施工段:铁路到电厂后门(Ø1650 管,顶管施工,690 米,10 个井)尾水管;Ⅲ 施工段:平山路段(Ø1500 管,顶管施工,535 米,6 个井)尾水管;Ⅳ 施工段:电厂内(Ø2000 管,顶管施工,986 米,14 个井)尾水管;Ⅴ 施工段:电厂到漓江边(Ø2000 管,顶管及明挖施工施工,563 米,8个井)尾水管;Ⅵ 施工段:电厂到瓦窑东路(Ø500 管,Ø600 管,Ø1000 管,顶管及明挖施工,613 米,20 个井)污水管;Ⅶ 施工段:B 包段(Ø300 管,Ø400 管,Ø800 管,顶管及明挖施工,914米,26 个井)污水管;二、施工部署整个工程的施工分为七个施工段。综合目前业主方交桩情况和施工所具备的条件以及天气,施工时实行分段交错施工,先进行Ⅱ、Ⅲ施工段的顶管施工,持续至 9 月底。7 月中旬开始Ⅳ、Ⅵ、Ⅶ施工段施工,进入 8 月Ⅰ、Ⅴ施工段也陆续开工,力保 10 月底全面完工。各施工段均严格根据设计、法律规范要求的方案进行顶管及明挖作业。当单向顶进距离超过 50 米时,如有需要,在局部单向顶进长度较长时应设置中继站。如需设置中继站,应配置相应的千斤顶。三、施工进度计划1、施工总工期:2007 年 6 月 25 日至 2007 年 10 月 25 日,共计 122 日历天。2、施...

1、当您付费下载文档后,您只拥有了使用权限,并不意味着购买了版权,文档只能用于自身使用,不得用于其他商业用途(如 [转卖]进行直接盈利或[编辑后售卖]进行间接盈利)。
2、本站所有内容均由合作方或网友上传,本站不对文档的完整性、权威性及其观点立场正确性做任何保证或承诺!文档内容仅供研究参考,付费前请自行鉴别。
3、如文档内容存在违规,或者侵犯商业秘密、侵犯著作权等,请点击“违规举报”。

碎片内容

污水顶管施组设计(07

您可能关注的文档

确认删除?
VIP
微信客服
  • 扫码咨询
会员Q群
  • 会员专属群点击这里加入QQ群
客服邮箱
回到顶部