电脑桌面
添加小米粒文库到电脑桌面
安装后可以在桌面快捷访问

河南某热力厂汽车卸煤沟基坑降水施工方案

河南某热力厂汽车卸煤沟基坑降水施工方案_第1页
1/19
河南某热力厂汽车卸煤沟基坑降水施工方案_第2页
2/19
河南某热力厂汽车卸煤沟基坑降水施工方案_第3页
3/19
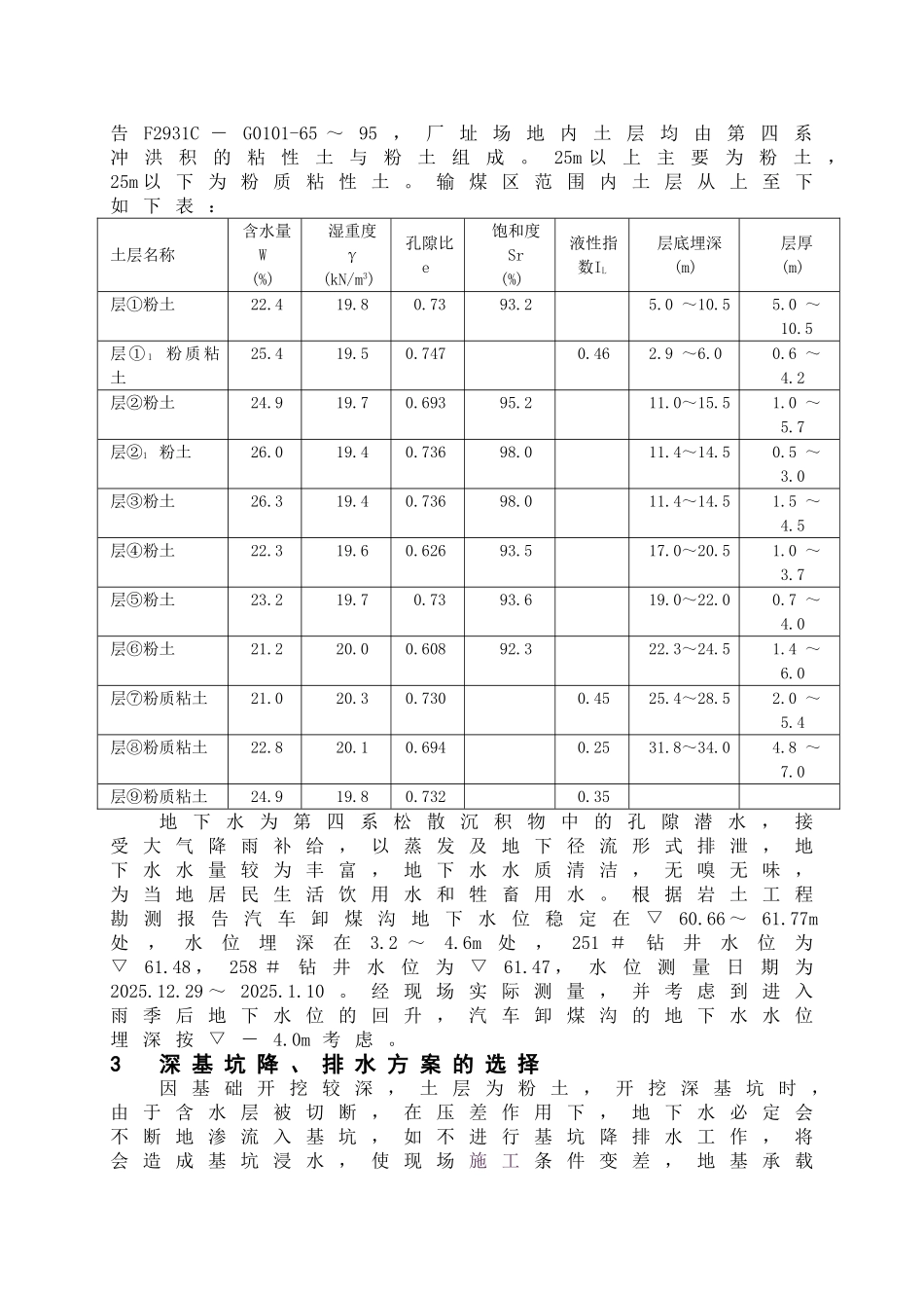
1 编 制 依 据 及 说 明1.1 编 制 依 据1) 许 昌 市 新 城 区 热 电 厂 (2×200MW ) 机 组 厂 区 总 平面 图 。2) 河 南 省 电 力 勘 测 设 计 院 提 供 的 初 步 设 计 图 纸 、资 料 。3) 许 昌 市 新 城 区 热 电 厂 工 程 初 设 阶 段 《 建 筑 结 构部 分 设 计 说 明 书 》 F2931C - T - 01 。4) 许 昌 市 新 城 区 热 电 厂 工 程 初 设 阶 段 《 主 厂 房 地基 处 理 专 题 报 告 》 F2931C - T - 02 。5) 许 昌 市 新 城 区 热 电 厂 工 程 初 设 阶 段 《 施 工 组 织大 纲 设 计 说 明 书 》 F2931C - T - 02 。6) 许昌市新城区热电厂工程岩土工程勘测报告F2931C - G0101-017) 汽 车 卸 煤 沟 基 坑 开 挖 图 。8) 国 家 和 电 力 行 业 颁 发 的 现 行 的 法 律 规 范 、 规 程 。9) 我 单 位 在 以 往 类 似 工 程 中 的 施 工 经 验 。1.2 编 制 说 明因 无 具 体 设 计 图 纸 和 地 质 勘 察 报 告 , 本 降 水 方案 暂 按 初 步 设 计 图 纸 和 汽 车 卸 煤 沟 基 坑 开 挖 图 进 行设 计 , 部 分 建 构 筑 物 未 制 定 降 水 方 案 , 待 设 计 图 纸出 来 后 , 再 制 定 详 细 的 降 水 方 案 。基 坑 降 水 要 根 据 土 层 的 渗 透 系 数 , 要 求 降 水 的深 度 和 工 程 特 点 , 经 过 技 术 、 经 济 比 较 后 确 定 的 ,但 由 于 本 工 程 目 前 只 有 初 步 设 计 图 纸 , 加 上 土 层 地质 条 件 的 复 杂 性 , 有 关 计 算 参 数 如 土 层 的 渗 透 系 数K 和 抽 水 影 响 半 径 R 等 取 值 是 否 正 确 将 影 响 井 点 系 统涌 水 量 计 算 结 果 的 准 确 性 , 在 实 际 降 水 施 工 过 程 中 ,采 纳 信 息 化 施 工 , 定 时 检 测 降 深 、 出 水 量 , 采 纳 抽水 试 验 验 证 降 水 效 果 , 以 便 进 一 步 优 化 降 水 的 施 工方 案 。2 工 程 概 况 及 地 质 条 件2.1 工 程 概 况河 南 ...

1、当您付费下载文档后,您只拥有了使用权限,并不意味着购买了版权,文档只能用于自身使用,不得用于其他商业用途(如 [转卖]进行直接盈利或[编辑后售卖]进行间接盈利)。
2、本站所有内容均由合作方或网友上传,本站不对文档的完整性、权威性及其观点立场正确性做任何保证或承诺!文档内容仅供研究参考,付费前请自行鉴别。
3、如文档内容存在违规,或者侵犯商业秘密、侵犯著作权等,请点击“违规举报”。

碎片内容

河南某热力厂汽车卸煤沟基坑降水施工方案

元素商铺+ 关注
实名认证
内容提供者

欢迎挑选合适的文档

确认删除?
VIP
微信客服
  • 扫码咨询
会员Q群
  • 会员专属群点击这里加入QQ群
客服邮箱
回到顶部