电脑桌面
添加小米粒文库到电脑桌面
安装后可以在桌面快捷访问

深圳某大型综合建筑大型机械的选型与布置

深圳某大型综合建筑大型机械的选型与布置_第1页
1/6
深圳某大型综合建筑大型机械的选型与布置_第2页
2/6
深圳某大型综合建筑大型机械的选型与布置_第3页
3/6
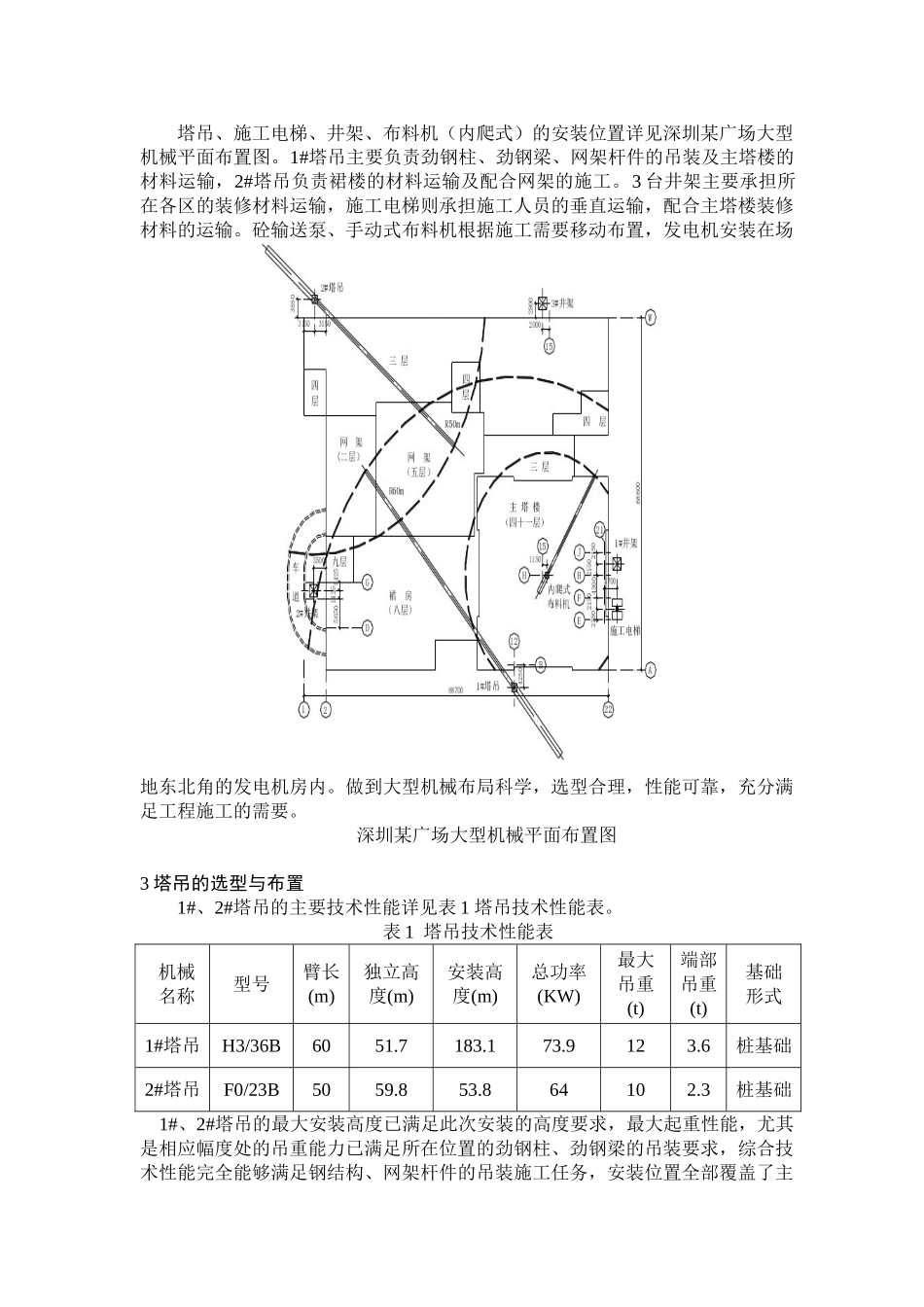
深圳某广场大型机械的选型与布置【摘要】深圳某广场是深圳市福田中心区标志性建筑之一,结构复杂,劲钢柱、劲钢梁众多,大型机械包括塔吊、施工电梯、井架、砼输送泵、布料机、发电机的选型与布置,对工程的顺利施工具有重要的意义。1 工程概况深圳某广场位于深圳市福田中心区,是兼有商务、办公、酒店、商场的大型综合性建筑,建成后将成为中心区标志性工程之一。该工程建筑面积87850m2,由一栋 41 层主塔楼和 8 层裙楼(局部 3 层)组成,地下室 3 层,总高度为 169.5m, 8 层和 3 层裙楼高度分别为 38.4m 和 14.6m。主塔楼从地下三层到地上二十六层有 28 根劲钢柱,裙楼六层到九层(屋顶)有 6 根劲钢柱,在屋顶有 3 根劲钢梁,钢结构单根最大重量达 6 吨,另在裙楼二层和五层有屋面网架结构。该工程砼量巨大,光地下室砼量就达到 16000m3,主塔楼单层为 1500 m3左右,而且有 C60 等高标号砼的应用,结构复杂,砼浇灌难度较大。2 总体布置为保证 H 型劲钢柱、工字型劲钢梁和网架杆件的吊运安装,混凝土等施工材料和人员的垂直运输,及临时供电要求,本工程计划安装塔吊 2 台,施工电梯(双笼)1 台,井架 3 台,输送泵 5 台(主塔楼 2 台,其中 1 台备用),布料机 3台(内爬式 1 台,手动式 2 台),发电机 1 台。塔吊、施工电梯、井架、布料机(内爬式)的安装位置详见深圳某广场大型机械平面布置图。1#塔吊主要负责劲钢柱、劲钢梁、网架杆件的吊装及主塔楼的材料运输,2#塔吊负责裙楼的材料运输及配合网架的施工。3 台井架主要承担所在各区的装修材料运输,施工电梯则承担施工人员的垂直运输,配合主塔楼装修材料的运输。砼输送泵、手动式布料机根据施工需要移动布置,发电机安装在场地东北角的发电机房内。做到大型机械布局科学,选型合理,性能可靠,充分满足工程施工的需要。深圳某广场大型机械平面布置图3 塔吊的选型与布置1#、2#塔吊的主要技术性能详见表 1 塔吊技术性能表。表 1 塔吊技术性能表机械名称型号臂长(m)独立高度(m)安装高度(m)总功率(KW)最大 吊重(t)端部 吊重(t)基础形式1#塔吊H3/36B6051.7183.173.9123.6桩基础2#塔吊F0/23B5059.853.864102.3桩基础 1#、2#塔吊的最大安装高度已满足此次安装的高度要求,最大起重性能,尤其是相应幅度处的吊重能力已满足所在位置的劲钢柱、劲钢梁的吊装要求,综合技术性能完全能够满足钢结构、网架杆件的吊装施工任务,安装...

1、当您付费下载文档后,您只拥有了使用权限,并不意味着购买了版权,文档只能用于自身使用,不得用于其他商业用途(如 [转卖]进行直接盈利或[编辑后售卖]进行间接盈利)。
2、本站所有内容均由合作方或网友上传,本站不对文档的完整性、权威性及其观点立场正确性做任何保证或承诺!文档内容仅供研究参考,付费前请自行鉴别。
3、如文档内容存在违规,或者侵犯商业秘密、侵犯著作权等,请点击“违规举报”。

碎片内容

深圳某大型综合建筑大型机械的选型与布置

人从众+ 关注
实名认证
内容提供者

欢迎光临小店,本店以公文和教育为主,希望符合您的需求。

确认删除?
VIP
微信客服
  • 扫码咨询
会员Q群
  • 会员专属群点击这里加入QQ群
客服邮箱
回到顶部